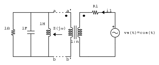
Il circuito in figura è lineare tempo-invariante ed in regime sinusoidale.
a) Calcolare
quando
e
non sono connessi.b) Con
e
connessi, assumendo che tutte le tensioni e le correnti siano sinusoidali alla stessa frequenza di
, trova
quando 
c) Trova il valore di
che permette di dissipare la massima potenza media nella resistenza da 
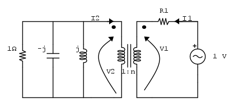
a): è banale, passo in regime fasoriale:
Induttore:

Condensatore:

( Ho già calcolato gli inversi delle impedenze al denominatore)

b):
In regime fasoriale:
Le equazioni caratteristiche del trasformare ideale sono:

Dal punto a)
e siccome
( ho
) ho che 
KVL:
ed inoltre
.Dalla caratteristica del trasformatore:
e quindi 
Sostituisco nella KVL, ricordando che
:
da cui segue:
per cui nel dominio del tempo e siccome era richiesto
:
c: Onestamente non saprei come procedere, qualche suggerimento?
Inoltre se per favore potete darmi un parere su quanto ho già svolto ve ne sarei molto grato.

Elettrotecnica e non solo (admin)
Un gatto tra gli elettroni (IsidoroKZ)
Esperienza e simulazioni (g.schgor)
Moleskine di un idraulico (RenzoDF)
Il Blog di ElectroYou (webmaster)
Idee microcontrollate (TardoFreak)
PICcoli grandi PICMicro (Paolino)
Il blog elettrico di carloc (carloc)
DirtEYblooog (dirtydeeds)
Di tutto... un po' (jordan20)
AK47 (lillo)
Esperienze elettroniche (marco438)
Telecomunicazioni musicali (clavicordo)
Automazione ed Elettronica (gustavo)
Direttive per la sicurezza (ErnestoCappelletti)
EYnfo dall'Alaska (mir)
Apriamo il quadro! (attilio)
H7-25 (asdf)
Passione Elettrica (massimob)
Elettroni a spasso (guidob)
Bloguerra (guerra)




, perché la
"vista" dal generatore è
, verrebbe
e quindi avevo assunto dovessero essere uguali, probabilmente facendo confusione, perché quello è il caso in cui
.


