Buonasera,
Sto riparando un vecchio giocattolo degli anni 50, consistente in un ascensorino pilotato da un motore elettrico.
Comincio con il dire che il circuito ha tutto l'aspetto di essere stato modificato in precedenza da qualcuno.
Il trasformatore sembra essere sottodimensionato in quanto non riesce a dare la forza necessaria al motorino.
Sto quindi sostituendo il trasformatore originale con un alimentatore di maggiore capacitá, digitale.
Ora, noto che nei due interruttori di fine corsa (piano terra, ultimo piano) dell'ascensore, ci sono dei diodi in parallelo all´interruttore. Non ne capisco il senso. Se si tratta di rimuovere la possobile scintilla di apertura degli interruttori, io avrei messo un condensatore. Invece, da quello che capisco, se si tratta di una protezione per il circuito di alimentazione, allora il diodo andrebbe messo in parallelo al motore.
Voi che ne pensate?
Grazie e buon anno nuovo a tutti.
Interruttore in parallelo su interruttore motore
Moderatori:
g.schgor,
IsidoroKZ
7 messaggi
• Pagina 1 di 1
0
voti
Se il motorino è in dc a spazzole, per invertire il senso di rotazione occorre invertire la tensione di alimentazione. Non si può mettere un diodo in parallelo ai morsetti
Ma senza descrizione e schema, nulla di. certo si può dire.
Ma senza descrizione e schema, nulla di. certo si può dire.
0
voti
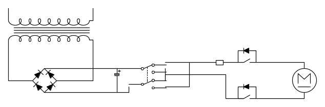
Ecco lo schema!
Cio che voglio fare e´rimpiazzare trasformatore, ponte e condensatore con il mio traformatore esterno digitale. Ma volevo assicurarmi della correttezza dei diodi in parallelo agli interruttori, e magari capirne anche un po' meglio il senso.
PS: Non sono riuscito a disegnare il commutatore in maniera piu decente di questa...
Cio che voglio fare e´rimpiazzare trasformatore, ponte e condensatore con il mio traformatore esterno digitale. Ma volevo assicurarmi della correttezza dei diodi in parallelo agli interruttori, e magari capirne anche un po' meglio il senso.
PS: Non sono riuscito a disegnare il commutatore in maniera piu decente di questa...
-

discipulus
10 2 - Messaggi: 4
- Iscritto il: 24 dic 2024, 14:30
0
voti
La presenza di quei diodi è ovviamente
Se per esempio la cabina fosse in alto il finecorsa alto sarebbe aperto
E a circuito aperto come faresti a far girare indietro il motore?
Se per esempio la cabina fosse in alto il finecorsa alto sarebbe aperto
E a circuito aperto come faresti a far girare indietro il motore?
-

standardoil
547 2 4 - Stabilizzato

- Messaggi: 424
- Iscritto il: 15 lug 2022, 19:14
1
voti
Come non averci pensato... Stavo cercando qualcosa di molto piu complesso, dimenticandomi che effettivamente un'ascensore e´fatto per andare in due direzioni.
Il lavoro dei diodi e´ovvio, vero!
Grazie per le risposte e buona serata
-

discipulus
10 2 - Messaggi: 4
- Iscritto il: 24 dic 2024, 14:30
0
voti
Come autonominato pignolo
della terminologia elettronica , segnalo
:
Non è un "trasformatore esterno digitale" ma un alimentatore a commutazione o switching per gli anglofoni
Un alimentatore (classico) è composto da un trasformatore, ponte e condensatore, non è un solo trasformatore
rimpiazzare trasformatore, ponte e condensatore con il mio trasformatore esterno digitale.
Non è un "trasformatore esterno digitale" ma un alimentatore a commutazione o switching per gli anglofoni
Un alimentatore (classico) è composto da un trasformatore, ponte e condensatore, non è un solo trasformatore
1
voti
Esatto, alimentatore a commutazione. Grazie per la precisazione.
Comunque ho effettuato al sostituzione e ora lavora perfettamente.
Il problema con l'alimentazione originale era probabilmente un sottodimensionamento del trasformatore.
La tensione all'uscita del ponte cadeva drasticamente quando il motorino veniva collegato, e questo si muoveva davvero lentamente, senza la forza sufficiente a compiere il suo ruolo. Ora la tensione non cade (il nuovo alimentatore ha un'uscita dichiarata di 2.5 ampere).
Comunque ho effettuato al sostituzione e ora lavora perfettamente.
Il problema con l'alimentazione originale era probabilmente un sottodimensionamento del trasformatore.
La tensione all'uscita del ponte cadeva drasticamente quando il motorino veniva collegato, e questo si muoveva davvero lentamente, senza la forza sufficiente a compiere il suo ruolo. Ora la tensione non cade (il nuovo alimentatore ha un'uscita dichiarata di 2.5 ampere).
-

discipulus
10 2 - Messaggi: 4
- Iscritto il: 24 dic 2024, 14:30
7 messaggi
• Pagina 1 di 1
Torna a Elettrotecnica generale
Chi c’è in linea
Visitano il forum: Nessuno e 36 ospiti

Elettrotecnica e non solo (admin)
Un gatto tra gli elettroni (IsidoroKZ)
Esperienza e simulazioni (g.schgor)
Moleskine di un idraulico (RenzoDF)
Il Blog di ElectroYou (webmaster)
Idee microcontrollate (TardoFreak)
PICcoli grandi PICMicro (Paolino)
Il blog elettrico di carloc (carloc)
DirtEYblooog (dirtydeeds)
Di tutto... un po' (jordan20)
AK47 (lillo)
Esperienze elettroniche (marco438)
Telecomunicazioni musicali (clavicordo)
Automazione ed Elettronica (gustavo)
Direttive per la sicurezza (ErnestoCappelletti)
EYnfo dall'Alaska (mir)
Apriamo il quadro! (attilio)
H7-25 (asdf)
Passione Elettrica (massimob)
Elettroni a spasso (guidob)
Bloguerra (guerra)

