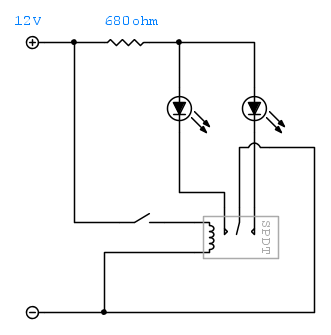
Salve a tutti, sto imparando l'elettrotecnica sul Platt (Make: Electronics) e ho realizzato il circuito nello schema.
A questo punto, circuito funzionante, vado a fare le varie misure di tensione (per cui sapevo cosa aspettarmi) e non ci sono problemi, quando invece vado a provare la corrente che passa attraverso il resistore il led si brucia, cosa è successo?
Ho utilizzato un alimentatore a tensione variabile 3-12V (regolato su 12V) della potenza di 12,5W.
Un'altra domanda che corrente avrei dovuto misurare sul resistore?
Diodi bruciati con il tester
Moderatori:
g.schgor,
IsidoroKZ
23 messaggi
• Pagina 1 di 3 • 1, 2, 3
0
voti
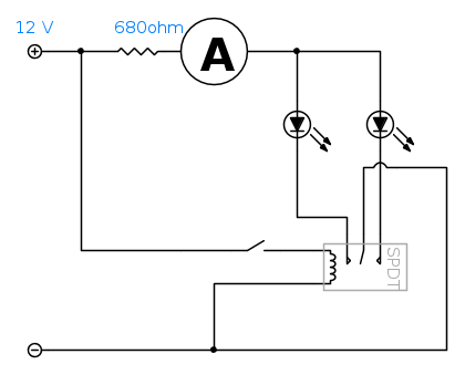
Puoi indicare come hai collegato l'amperometro?
Ciao.
Paolo.
Ciao.
Paolo.
"Houston, Tranquillity Base here. The Eagle has landed." - Neil A.Armstrong
-------------------------------------------------------------
PIC Experience - http://www.picexperience.it
-------------------------------------------------------------
PIC Experience - http://www.picexperience.it
-

Paolino
32,6k 8 12 13 - G.Master EY

- Messaggi: 4226
- Iscritto il: 20 gen 2006, 11:42
- Località: Vigevano (PV)
0
voti
è il sospetto che ho pure io...
Ciao.
Paolo.
Ciao.
Paolo.
"Houston, Tranquillity Base here. The Eagle has landed." - Neil A.Armstrong
-------------------------------------------------------------
PIC Experience - http://www.picexperience.it
-------------------------------------------------------------
PIC Experience - http://www.picexperience.it
-

Paolino
32,6k 8 12 13 - G.Master EY

- Messaggi: 4226
- Iscritto il: 20 gen 2006, 11:42
- Località: Vigevano (PV)
3
voti
Per la tensione il tester va in parallelo, per le correnti va in serie.
Siccome nella misurazione di tensione la resistenza interna del tester è alta, mettendolo in parallelo al componente si avrà tra i due puntali la stessa d.d.p. del circuito, ma con una bassa corrente passante per il tester.
Al contrario, misurando la corrente e avendo una resistenza interna bassa o nulla, mettendolo in serie al componente si avrà tra i due puntali la stessa corrente del circuito, ma con una d.d.p. bassa o nulla.
Se si scambiano le posizioni tra tensione e corrente, si avrà che:
1) Serie e misurazione tensione: circuito pseudo-chiuso.
2) Parallelo e misurazione corrente (com hai fatto tu): circuito pseudo-aperto.
Risulta evidente che hai bruciato i/l LED poiché non hai anteposto una resistenza.
Per la corrente, dovresti dirci quanto vale il terminale "-" del tuo circuito...

Siccome nella misurazione di tensione la resistenza interna del tester è alta, mettendolo in parallelo al componente si avrà tra i due puntali la stessa d.d.p. del circuito, ma con una bassa corrente passante per il tester.
Al contrario, misurando la corrente e avendo una resistenza interna bassa o nulla, mettendolo in serie al componente si avrà tra i due puntali la stessa corrente del circuito, ma con una d.d.p. bassa o nulla.
Se si scambiano le posizioni tra tensione e corrente, si avrà che:
1) Serie e misurazione tensione: circuito pseudo-chiuso.
2) Parallelo e misurazione corrente (com hai fatto tu): circuito pseudo-aperto.
Risulta evidente che hai bruciato i/l LED poiché non hai anteposto una resistenza.
Per la corrente, dovresti dirci quanto vale il terminale "-" del tuo circuito...

Ultima modifica di
OberoN il 20 feb 2012, 12:33, modificato 1 volta in totale.
Per usare un simulatore devi conoscere più elettronica di lui. [
IsidoroKZ]
40. There are two ways to write error-free programs; only the third one works.
[Alan J. Perlis, Epigrams on Programming]
40. There are two ways to write error-free programs; only the third one works.
[Alan J. Perlis, Epigrams on Programming]
0
voti
Allora i nostri timori erano fondati... Va messo in serie al resistore:
Ciao.
Paolo.
Ciao.
Paolo.
"Houston, Tranquillity Base here. The Eagle has landed." - Neil A.Armstrong
-------------------------------------------------------------
PIC Experience - http://www.picexperience.it
-------------------------------------------------------------
PIC Experience - http://www.picexperience.it
-

Paolino
32,6k 8 12 13 - G.Master EY

- Messaggi: 4226
- Iscritto il: 20 gen 2006, 11:42
- Località: Vigevano (PV)
0
voti
OberoN ha scritto:Per la tensione il tester va in serie, per le correnti va in parallelo.
Forse hai fatto confusione, sarebbe il contrario,
Il Voltmetro (avente resistenza teorica tendente a infinito), deve essere collegato in parallelo al ramo del circuito sul quale vogliamo misurare la ddp.
L'amperometro (avente resistenza teorica tendente a zero), deve essere collegato in serie al ramo del circuito di cui vogliamo misurare l'assorbimento.
applicando le semplici leggi per il calcolo delle resistenze equivalenti, vediamo che le caratteristiche del circuito vengono influenzate al minimo proprio per non invalidare la misura.
Un multimetro (o tester) non è altro che uno strumento che può svolgere più compiti, tra i quali solitamente anche da Amperomentro o Voltmetro, e quindi assumendo le caratteristiche del tipo di strumento selezionato.
-

DADO91
3.552 3 12 13 - Expert EY

- Messaggi: 965
- Iscritto il: 27 feb 2009, 18:19
- Località: Prov. di Firenze
0
voti
Sì, infatti dopo avevo scritto giusto.
Per usare un simulatore devi conoscere più elettronica di lui. [
IsidoroKZ]
40. There are two ways to write error-free programs; only the third one works.
[Alan J. Perlis, Epigrams on Programming]
40. There are two ways to write error-free programs; only the third one works.
[Alan J. Perlis, Epigrams on Programming]
0
voti
OberoN ha scritto:Se si scambiano le posizioni tra tensione e corrente, si avrà che:
1) Serie e misurazione tensione: circuito pseudo-chiuso.
2) Parallelo e misurazione corrente (com hai fatto tu): circuito pseudo-aperto.
Attento che è il contrario:
Amperometro in parallelo a resistore= cotrocircuito;
Voltmetro in serie a resistore=circuito aperto (o interrotto).
23 messaggi
• Pagina 1 di 3 • 1, 2, 3
Torna a Elettrotecnica generale
Chi c’è in linea
Visitano il forum: Nessuno e 77 ospiti

Elettrotecnica e non solo (admin)
Un gatto tra gli elettroni (IsidoroKZ)
Esperienza e simulazioni (g.schgor)
Moleskine di un idraulico (RenzoDF)
Il Blog di ElectroYou (webmaster)
Idee microcontrollate (TardoFreak)
PICcoli grandi PICMicro (Paolino)
Il blog elettrico di carloc (carloc)
DirtEYblooog (dirtydeeds)
Di tutto... un po' (jordan20)
AK47 (lillo)
Esperienze elettroniche (marco438)
Telecomunicazioni musicali (clavicordo)
Automazione ed Elettronica (gustavo)
Direttive per la sicurezza (ErnestoCappelletti)
EYnfo dall'Alaska (mir)
Apriamo il quadro! (attilio)
H7-25 (asdf)
Passione Elettrica (massimob)
Elettroni a spasso (guidob)
Bloguerra (guerra)






