Resistenze
Moderatori:
g.schgor,
IsidoroKZ
11 messaggi
• Pagina 1 di 2 • 1, 2
0
voti
[1] Resistenze
Ciao a tutti,
Premetto che è da poco che mi interesso di elettronica e nonostante abbia letto qualche manuale e abbia cercato spiegazioni su internet ho ancora dei dubbi.
Volevo sapere se una resistenza può agire sulla tensione di una batteria oltre che sull'intensità di corrente.
Come posso determinare di quanto influirà e quale sara la tensione e l'intensità?
Grazie in anticipo.
Diake
Premetto che è da poco che mi interesso di elettronica e nonostante abbia letto qualche manuale e abbia cercato spiegazioni su internet ho ancora dei dubbi.
Volevo sapere se una resistenza può agire sulla tensione di una batteria oltre che sull'intensità di corrente.
Come posso determinare di quanto influirà e quale sara la tensione e l'intensità?
Grazie in anticipo.
Diake
3
voti
[2] Re: Resistenze
Una resistenza è un oggetto ideale che modellizza l'oggetto reale resistore.
La sua legge costitutiva è la seguente:
, con V la tensione misurati ai capi della stessa, I l'intensità di corrente che scorre in essa e R il valore nominale della resistenza.
Come puoi notare quindi una resistenza può "decidere" uno solo dei due parametri elettrici V ed I.
Se imprimo una certa tensione V ai capi della resistenza, allora in essa scorrerà una corrente I, se forzo lo scorrimento di una corrente I si avrà una tensione V ai capi della stessa.
Sul come essa può variare tali grandezze influisce il tipo di collegamento effettuato con la batteria.
Se la batteria che tu dici è una batteria ideale, allora essa fornirà una certa tensione misurata ai suoi capi costante, indipendentemente dalla corrente che essa dovrà fornire. In questo caso una resistenza connessa con la batteria in modo tale da formare una maglia con essa, "deciderà" la corrente che fluisce all'interno della stessa e che la batteria dovrà erogare.
La sua legge costitutiva è la seguente:
, con V la tensione misurati ai capi della stessa, I l'intensità di corrente che scorre in essa e R il valore nominale della resistenza.Come puoi notare quindi una resistenza può "decidere" uno solo dei due parametri elettrici V ed I.
Se imprimo una certa tensione V ai capi della resistenza, allora in essa scorrerà una corrente I, se forzo lo scorrimento di una corrente I si avrà una tensione V ai capi della stessa.
Sul come essa può variare tali grandezze influisce il tipo di collegamento effettuato con la batteria.
Se la batteria che tu dici è una batteria ideale, allora essa fornirà una certa tensione misurata ai suoi capi costante, indipendentemente dalla corrente che essa dovrà fornire. In questo caso una resistenza connessa con la batteria in modo tale da formare una maglia con essa, "deciderà" la corrente che fluisce all'interno della stessa e che la batteria dovrà erogare.
-

angelsanct
196 1 5 - Frequentatore

- Messaggi: 112
- Iscritto il: 30 lug 2011, 21:46
4
voti
[4] Re: Resistenze
Una batteria ideale mantiene la tensione ai suoi capi costante, qualunque sia la corrente che essa debba fornire.
Quindi ad esempio in un circuito del tipo:
Avendo una resistenza
si avrà
.
Ponendone una da
si avrà
, ma si manterrà sempre la stessa tensione ai capi della batteria ideale e quindi della resistenza.
Ovviamente un oggetto simile è puramente teorico.
Una batteria reale è modellizzata tramite una batteria ideale in serie ad una resistenza r, detta resistenza interna, in questa maniera:
Ogni batteria reale (cioè realizzabile fisicamente, realmente) ha una propria resistenza interna.
La tensione misurata ai capi della batteria è quella che nello schema è misurata tra i morsetti A-B.
Notiamo che le due resistenze sono in serie.
C'è un partitore di tensione che si viene a creare a causa della presenza della resistenza interna r, ossia la tensione impressa dalla batteria ideale non cadrà tutta sulla resistenza R, ma una piccola parte cadrà sulla resistenza interna r.
Variando in valore di R (la resistenza che collego) varierà la tensione erogata dalla batteria reale.
Chiedevi questo?
Quindi ad esempio in un circuito del tipo:
Avendo una resistenza
si avrà
.Ponendone una da
si avrà
, ma si manterrà sempre la stessa tensione ai capi della batteria ideale e quindi della resistenza.Ovviamente un oggetto simile è puramente teorico.
Una batteria reale è modellizzata tramite una batteria ideale in serie ad una resistenza r, detta resistenza interna, in questa maniera:
Ogni batteria reale (cioè realizzabile fisicamente, realmente) ha una propria resistenza interna.
La tensione misurata ai capi della batteria è quella che nello schema è misurata tra i morsetti A-B.
Notiamo che le due resistenze sono in serie.
C'è un partitore di tensione che si viene a creare a causa della presenza della resistenza interna r, ossia la tensione impressa dalla batteria ideale non cadrà tutta sulla resistenza R, ma una piccola parte cadrà sulla resistenza interna r.
Variando in valore di R (la resistenza che collego) varierà la tensione erogata dalla batteria reale.
Chiedevi questo?

-

angelsanct
196 1 5 - Frequentatore

- Messaggi: 112
- Iscritto il: 30 lug 2011, 21:46
3
voti
[6] Re: Resistenze
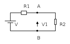
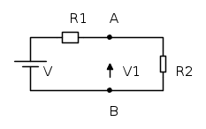
Il partitore di tensione è una parte di circuito in cui vi sono connesse 2 o più resistenze in serie (e quindi nelle quali scorre la stessa corrente) e in cui viene prelevata la tensione solo su una di esse.
Esempio:
La formula per calcolare la tensione che cade sulla resistenza R2 è la seguente:

Quindi nello schema precedente,
assumendo una batteria avente una resistenza interna di
, se collego una resistenza
si avrà una tensione V = 1,01 V.
Se collego una resistenza di
avremo V = 1,0001 V.
Il problema ora è: come so il valore della resistenza interna della mia batteria reale?
Essa è definita come il rapporto fra la tensione erogata a vuoto dalla batteria (niente collegato) e la corrente di corto-circuito(collego un filo con resistenza misera il polo positivo con il negativo):
.
Peccato che se collego i due poli in corto-circuito quasi sicuramente friggerò la batteria, perché sto chiedendo una corrente troppo elevata!
Allora quello che si fa è:
- Misurare la tensione a vuoto
- Misurare il valore la tensione V1 su una resistenza di valore R.
- Applicare la formula :
.
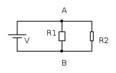
Infine ti faccio notare che per dualità con il partitore di tensione esiste il partitore di corrente:
Le due resistenze sono sottoposte alla stessa tensione (sono in parallelo) e in esse scorre una corrente in generale diversa a seconda dei valori di R1 ed R2.
Esempio:
La formula per calcolare la tensione che cade sulla resistenza R2 è la seguente:

Quindi nello schema precedente,
assumendo una batteria avente una resistenza interna di
, se collego una resistenza
si avrà una tensione V = 1,01 V.Se collego una resistenza di
avremo V = 1,0001 V.Il problema ora è: come so il valore della resistenza interna della mia batteria reale?
Essa è definita come il rapporto fra la tensione erogata a vuoto dalla batteria (niente collegato) e la corrente di corto-circuito(collego un filo con resistenza misera il polo positivo con il negativo):
.Peccato che se collego i due poli in corto-circuito quasi sicuramente friggerò la batteria, perché sto chiedendo una corrente troppo elevata!
Allora quello che si fa è:
- Misurare la tensione a vuoto
- Misurare il valore la tensione V1 su una resistenza di valore R.
- Applicare la formula :
.Infine ti faccio notare che per dualità con il partitore di tensione esiste il partitore di corrente:
Le due resistenze sono sottoposte alla stessa tensione (sono in parallelo) e in esse scorre una corrente in generale diversa a seconda dei valori di R1 ed R2.
-

angelsanct
196 1 5 - Frequentatore

- Messaggi: 112
- Iscritto il: 30 lug 2011, 21:46
6
voti
[7] Re: Resistenze
....mmmm secondo me ci sono alcuni errori
questa è sbagliata anche dimensionalmente... magari invece

si adatta meglio al primo schema postato.
Poi
sono numeri che non vengono ne dalla formula che avevi postato ne da quella giusta (sono l'inverso del guadagno di un partitore) e infatti tra l'altro sembrerebbe ci fosse più tensione con il carico che assorbe più corrente, i conti corretti sarebbero

e

angelsanct ha scritto:[...]
[...]
questa è sbagliata anche dimensionalmente... magari invece

si adatta meglio al primo schema postato.
Poi
angelsanct ha scritto:[...]
assumendo una batteria avente una resistenza interna di, se collego una resistenza
si avrà una tensione V = 1,01 V.
Se collego una resistenza diavremo V = 1,0001 V.
[...]
sono numeri che non vengono ne dalla formula che avevi postato ne da quella giusta (sono l'inverso del guadagno di un partitore) e infatti tra l'altro sembrerebbe ci fosse più tensione con il carico che assorbe più corrente, i conti corretti sarebbero

e

Se ti serve il valore di beta: hai sbagliato il progetto!
1
voti
[9] Re: Resistenze
-

angelsanct
196 1 5 - Frequentatore

- Messaggi: 112
- Iscritto il: 30 lug 2011, 21:46
0
voti
[10] Re: Resistenze
Ciao ragazzi,
Ho ancora una volta un problema. Vi chiedo nuovamente di scusare la mia ignoranza.
Se io ho una batteria che a vuoto ha una tensione di 1.5V e ha una resistenza interna di circa 1 Ohm, se io volessi mantenere una tensione di 1.5V e ottenere un'intensiat di circa 30mA, A causa de3lla reesistenza interna una batteria non bi basterebbe vero?
La mia idea è che se io collego una qualsiasi resistenza allo'esterno della batteria è comunque in serie con quella interna e il tensione cala.
Potete aiutarmi? Dovrei poi mettere 2 batterie con delle resistenze in parallelo?
Grazie in anticipo
Diake
Ho ancora una volta un problema. Vi chiedo nuovamente di scusare la mia ignoranza.
Se io ho una batteria che a vuoto ha una tensione di 1.5V e ha una resistenza interna di circa 1 Ohm, se io volessi mantenere una tensione di 1.5V e ottenere un'intensiat di circa 30mA, A causa de3lla reesistenza interna una batteria non bi basterebbe vero?
La mia idea è che se io collego una qualsiasi resistenza allo'esterno della batteria è comunque in serie con quella interna e il tensione cala.
Potete aiutarmi? Dovrei poi mettere 2 batterie con delle resistenze in parallelo?
Grazie in anticipo
Diake
11 messaggi
• Pagina 1 di 2 • 1, 2
Torna a Elettrotecnica generale
Chi c’è in linea
Visitano il forum: Nessuno e 64 ospiti

Elettrotecnica e non solo (admin)
Un gatto tra gli elettroni (IsidoroKZ)
Esperienza e simulazioni (g.schgor)
Moleskine di un idraulico (RenzoDF)
Il Blog di ElectroYou (webmaster)
Idee microcontrollate (TardoFreak)
PICcoli grandi PICMicro (Paolino)
Il blog elettrico di carloc (carloc)
DirtEYblooog (dirtydeeds)
Di tutto... un po' (jordan20)
AK47 (lillo)
Esperienze elettroniche (marco438)
Telecomunicazioni musicali (clavicordo)
Automazione ed Elettronica (gustavo)
Direttive per la sicurezza (ErnestoCappelletti)
EYnfo dall'Alaska (mir)
Apriamo il quadro! (attilio)
H7-25 (asdf)
Passione Elettrica (massimob)
Elettroni a spasso (guidob)
Bloguerra (guerra)





