Salve a tutti vorrei chiedere se qualcuno potrebbe aiutarmi con la risoluzione di questo esercizio,
ho visto la sezione del forum che parla della risoluzione di queste tipologie di esercizio ma le trovo veramente complicate per me.
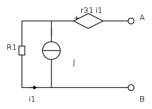
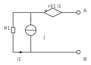
i dati a mia disposizione sono :
J = 71 mA
R= 1,66
r31= 1,66
Allora spengo il generatore ideale ed ho la resistenza R1 in serie con il geratore pilotato che devo fare per risolvere Thevenin???
E dopo aver applicato il generatore ideale di corrente tra i morsetti A e B????
Help!
Risoluzione Thevenin con generatore Pilotato.
Moderatori:
g.schgor,
IsidoroKZ
0
voti
perché non si visualizza il codice fidocad che ho inserito???
Il sorgente c'è.
Il sorgente c'è.
0
voti
Grazie per l'aiuto sul sorgente...
Per quanto riguarda l'esercizio?
Sai aiutarmi?
0
voti
Di niente. Ti do la traccia per la soluzione: applica un generatore di prova fra A e B e calcola la corrente che si trova ad attraversarlo. E' la formula generale per il calcolo della resistenza, particolarmente utile in caso di generatori pilotati. Poi, il calcolo della tensione di Thevenin dovrebbe essere semplice
0
voti
0
voti
admin ha scritto:
ma è questo il risultato???
Non ho capito che significa.
E' questo che mi rende difficile la vita nella risoluzione, non capisco tutti i passaggi.
Allora applico un generatore di corrente ideale da 1J ai morsetti A e B .
La Uab è data da Uab=-r31i1+R1i1 ? ma quanto vale i1???
0
voti
matteo375 ha scritto:Di niente. Ti do la traccia per la soluzione: applica un generatore di prova fra A e B e calcola la corrente che si trova ad attraversarlo. E' la formula generale per il calcolo della resistenza, particolarmente utile in caso di generatori pilotati. Poi, il calcolo della tensione di Thevenin dovrebbe essere semplice
La formula generale per il calcolo della resistenza è R=V/i
Questo intendi?
la corrente che si trova ad attraversarlo è data da i=Uab/Req
La Req è data dalla serie di R1 e il generatore pilotato vero?.
Non so come si fa a calcolare l'intensità vista da questo generatore come intendi tu.
Il calcolo delle tensione di thevenin è data da Resistenza * intensità di corrente
0
voti
mare009 ha scritto:
ma è questo il risultato???
È il valore della resistenza del generatore equivalente
mare009 ha scritto:La Uab è data da Uab=-r31i1+R1i1 ? ma quanto vale i1???
I1=Jp=quello che vuoi
Torna a Elettrotecnica generale
Chi c’è in linea
Visitano il forum: Nessuno e 47 ospiti

Elettrotecnica e non solo (admin)
Un gatto tra gli elettroni (IsidoroKZ)
Esperienza e simulazioni (g.schgor)
Moleskine di un idraulico (RenzoDF)
Il Blog di ElectroYou (webmaster)
Idee microcontrollate (TardoFreak)
PICcoli grandi PICMicro (Paolino)
Il blog elettrico di carloc (carloc)
DirtEYblooog (dirtydeeds)
Di tutto... un po' (jordan20)
AK47 (lillo)
Esperienze elettroniche (marco438)
Telecomunicazioni musicali (clavicordo)
Automazione ed Elettronica (gustavo)
Direttive per la sicurezza (ErnestoCappelletti)
EYnfo dall'Alaska (mir)
Apriamo il quadro! (attilio)
H7-25 (asdf)
Passione Elettrica (massimob)
Elettroni a spasso (guidob)
Bloguerra (guerra)





