da
RenzoDF » 27 nov 2012, 19:23
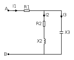
Puoi provare una spiegazione fasoriale interattiva spostando il
solo punto D sull'asse immaginario
positivo , ovvero simulando una X3 capacitiva variabile
sulla seguente pagina:
SHIFT sinistro mouse per spostare
SHIFT ruota mouse per zoommare
http://kirchhoff.weebly.com/geogebra.htmlla
retta rossa rappresenta la normale alla
I2, di conseguenza quando la tensione
VAB si andrà a sovrapporre a detta retta, sarà anche in
quadratura anticipo rispetto alla corrente I2.
NB Per visualizzare il solo schema fasoriale trascina con il mouse la cornice verticale di separazione centrale al fine di ridurre la finestra sinistra dell'algebra costruttiva; non mi ricordo più come si fa a non farla visualizzare.
