Cos'è ElectroYou | Login Iscriviti

ElectroYou - la comunità dei professionisti del mondo elettrico

Risoluzione circuito in regime sinusoidale

Circuiti, campi elettromagnetici e teoria delle linee di trasmissione e distribuzione dell’energia elettrica

Moderatori: Foto Utenteg.schgor, Foto UtenteIsidoroKZ

0
voti

[1] Risoluzione circuito in regime sinusoidale

Messaggioda Foto Utentemaxcorrads » 5 gen 2013, 15:43

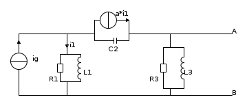
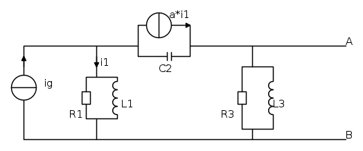
Salve, sono ancora qui a disturbarvi!

* Determinare il circuito equivalente di Norton




DATI:
\[ig(t)=5 \sqrt2 *cos(\omega t+\pi/4)\]

\[R1=20 \Omega\newline\]
\[L1=20mH\newline\]
\[C2=100 \muF\newline\]
\[R3= 50 \Omega\newline\]
\[L3 = 25mH\newline\]
\[a=3\newline\]
\[\omega=1000rad/s\]\]


Andiamo per passi :), per prima cosa utilizzando il metodo simbolico di Steinmetz ho convertito tutto così:



\[Ig = 5-5J
\]
\[Z1 = 10+10J\]
\[Z2=-10J\]
\[Z3=10+20J\]

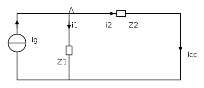
A questo punto ho provato a calcolare la corrente di corto circuito Icc del bipolo di Norton però mi sono bloccato.
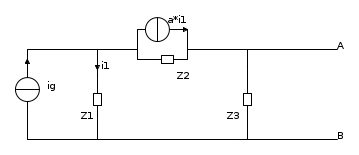
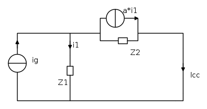
Il circuito corto circuitando AB diventa il seguente (Z3 è corto circuitata quindi "sparisce" giusto?):


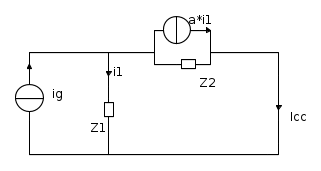
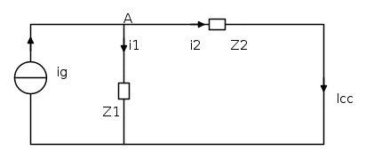
Ora ho provato a procedere utilizzando il metodo della sovrapposizione degli effetti ma mi blocco subito...

Spegnendo il generatore pilotato ho provato applicando la LKC ottenendo:


\[i1+i2=ig\]

Ma non sono andato da nessuna parte :(

Potreste aiutarmi a capire come procedere?

Vi ringrazio!

Edit: Dimenticavo, i risultati dovrebbero essere questi:
\[Icc=3+4j
\]

\[Zeq=30+10j\]
Avatar utente
Foto Utentemaxcorrads
8 2
 
Messaggi: 10
Iscritto il: 20 dic 2012, 15:10

0
voti

[2] Re: Risoluzione circuito in regime sinusoidale

Messaggioda Foto Utentejordan20 » 5 gen 2013, 18:28

maxcorrads ha scritto:Spegnendo il generatore pilotato

:shock:
"Lo scienziato descrive ciò che esiste, l'ingegnere crea ciò che non era mai stato."
(T. von Kármán)
Avatar utente
Foto Utentejordan20
13,0k 5 11 13
G.Master EY
G.Master EY
 
Messaggi: 1550
Iscritto il: 13 lug 2011, 12:55
Località: Palermo

2
voti

[3] Re: Risoluzione circuito in regime sinusoidale

Messaggioda Foto Utenteadmin » 5 gen 2013, 18:51

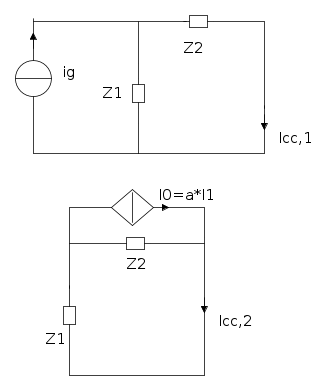
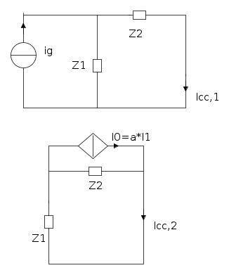
Lo si può fare Foto Utentejordan20. Leggi questo topic

Solo generatore indipendente, pilotato spento

{{\dot I}_{cc,1}} = {{\dot I}_g}\frac{{{{\dot Z}_1}}}{{{{\dot Z}_1} + {{\dot Z}_2}}}

Solo pilotato come fosse indipendente di valore I_0

{{\dot I}_{cc,2}} = {{\dot I}_0}\frac{{{{\dot Z}_2}}}{{{{\dot Z}_1} + {{\dot Z}_2}}}

Sovrappongo gli effetti

{{\dot I}_{cc}} = {{\dot I}_{cc,1}} + {{\dot I}_{cc,2}}

Impongo la condizione pilota

{{\dot I}_0} = \alpha {{\dot I}_1} = \alpha \left( {{{\dot I}_g} - {{\dot I}_{cc}}} \right) = \alpha \left( {{{\dot I}_g} - {{\dot I}_{cc}}} \right)

Riocavo \dot I_{cc}

\begin{array}{l}
{{\dot I}_{cc}} = {{\dot I}_g}\frac{{{{\dot Z}_1}}}{{{{\dot Z}_1} + {{\dot Z}_2}}} + \alpha \left( {{{\dot I}_g} - {{\dot I}_{cc}}} \right)\frac{{{{\dot Z}_2}}}{{{{\dot Z}_1} + {{\dot Z}_2}}}\\
{{\dot I}_{cc}}\left( {1 + \frac{{\alpha {{\dot Z}_2}}}{{{{\dot Z}_1} + {{\dot Z}_2}}}} \right) = {{\dot I}_g}\left( {\frac{{{{\dot Z}_1}}}{{{{\dot Z}_1} + {{\dot Z}_2}}} + \frac{{\alpha {{\dot Z}_2}}}{{{{\dot Z}_1} + {{\dot Z}_2}}}} \right)\\
{{\dot I}_{cc}} = {{\dot I}_g}\frac{{{{\dot Z}_1} + \alpha {{\dot Z}_2}}}{{{{\dot Z}_1} + {{\dot Z}_2} + \alpha {{\dot Z}_2}}}
\end{array}
Avatar utente
Foto Utenteadmin
196,6k 9 12 17
Manager
Manager
 
Messaggi: 11950
Iscritto il: 6 ago 2004, 13:14

0
voti

[4] Re: Risoluzione circuito in regime sinusoidale

Messaggioda Foto Utentejordan20 » 5 gen 2013, 18:56

Grazie Foto Utenteadmin... non l'ho mai applicato perché mai studiato :? E' grave :?: :-)
"Lo scienziato descrive ciò che esiste, l'ingegnere crea ciò che non era mai stato."
(T. von Kármán)
Avatar utente
Foto Utentejordan20
13,0k 5 11 13
G.Master EY
G.Master EY
 
Messaggi: 1550
Iscritto il: 13 lug 2011, 12:55
Località: Palermo

1
voti

[5] Re: Risoluzione circuito in regime sinusoidale

Messaggioda Foto Utenteadmin » 5 gen 2013, 19:11

Generalmente comunque si preferisce non spegnerli.
Applicando Millman

\begin{array}{l}
\dot V = \frac{{{{\dot I}_g} - \alpha {{\dot I}_1}}}{{\frac{1}{{{{\dot Z}_1}}} + \frac{1}{{{{\dot Z}_2}}}}}\\
{{\dot I}_1} = \frac{{\dot V}}{{{{\dot Z}_1}}}
\end{array}

\begin{array}{l}
\dot V = \frac{{{{\dot I}_g} - \alpha {{\dot I}_1}}}{{\frac{1}{{{{\dot Z}_1}}} + \frac{1}{{{{\dot Z}_2}}}}} = \frac{{{{\dot Z}_2}{{\dot Z}_1}}}{{{{\dot Z}_2} + {{\dot Z}_1}}}\left( {{{\dot I}_g} - \alpha \frac{{\dot V}}{{{{\dot Z}_1}}}} \right)\\
\dot V\left( {1 + \frac{{\alpha {{\dot Z}_2}}}{{{{\dot Z}_2} + {{\dot Z}_1}}}} \right) = \frac{{{{\dot Z}_2}{{\dot Z}_1}}}{{{{\dot Z}_2} + {{\dot Z}_1}}}{{\dot I}_g}\\
\dot V = \frac{{{{\dot Z}_2}{{\dot Z}_1}}}{{{{\dot Z}_2} + {{\dot Z}_1} + \alpha {{\dot Z}_2}}}{{\dot I}_g}
\end{array}

\begin{array}{l}
{{\dot I}_{cc}} = \frac{{\dot V}}{{{{\dot Z}_2}}} + \alpha {{\dot I}_1} = \frac{{\dot V}}{{{{\dot Z}_2}}} + \alpha \frac{{\dot V}}{{{{\dot Z}_1}}} = \dot V\left( {\frac{{{{\dot Z}_1} + \alpha {{\dot Z}_2}}}{{{{\dot Z}_2}{{\dot Z}_1}}}} \right)\\
{{\dot I}_{cc}} = \frac{{{{\dot Z}_2}{{\dot Z}_1}}}{{{{\dot Z}_2} + {{\dot Z}_1} + \alpha {{\dot Z}_2}}}{{\dot I}_g}\left( {\frac{{{{\dot Z}_1} + \alpha {{\dot Z}_2}}}{{{{\dot Z}_2}{{\dot Z}_1}}}} \right) = \frac{{{{\dot Z}_1} + \alpha {{\dot Z}_2}}}{{{{\dot Z}_2} + {{\dot Z}_1} + \alpha {{\dot Z}_2}}}{{\dot I}_g}
\end{array}
Avatar utente
Foto Utenteadmin
196,6k 9 12 17
Manager
Manager
 
Messaggi: 11950
Iscritto il: 6 ago 2004, 13:14

0
voti

[6] Re: Risoluzione circuito in regime sinusoidale

Messaggioda Foto Utentemaxcorrads » 5 gen 2013, 21:26

admin ha scritto:Solo generatore indipendente, pilotato spento

{{\dot I}_{cc,1}} = {{\dot I}_g}\frac{{{{\dot Z}_1}}}{{{{\dot Z}_1} + {{\dot Z}_2}}}

Solo pilotato come fosse indipendente di valore I_0

{{\dot I}_{cc,2}} = {{\dot I}_0}\frac{{{{\dot Z}_2}}}{{{{\dot Z}_1} + {{\dot Z}_2}}}

Sovrappongo gli effetti

{{\dot I}_{cc}} = {{\dot I}_{cc,1}} + {{\dot I}_{cc,2}}



Scusa la domanda stupida ma come si fa a capire che icc si deve calcolare così?
Cioè una volta è la corrente su z2 e l'altra su z1; con la LKV?

Grazie mille per la risposta!
Avatar utente
Foto Utentemaxcorrads
8 2
 
Messaggi: 10
Iscritto il: 20 dic 2012, 15:10

0
voti

[7] Re: Risoluzione circuito in regime sinusoidale

Messaggioda Foto Utenteadmin » 5 gen 2013, 21:35

Bisogna essere creativi e, soprattutto, conoscere la regola del partitore di corrente
Avatar utente
Foto Utenteadmin
196,6k 9 12 17
Manager
Manager
 
Messaggi: 11950
Iscritto il: 6 ago 2004, 13:14

0
voti

[8] Re: Risoluzione circuito in regime sinusoidale

Messaggioda Foto Utentemaxcorrads » 5 gen 2013, 23:19

Si :) ok! Ma perché proprio z2 e non z1 (in un caso e viceversa nell'altro?)
Grazie!
Avatar utente
Foto Utentemaxcorrads
8 2
 
Messaggi: 10
Iscritto il: 20 dic 2012, 15:10

0
voti

[9] Re: Risoluzione circuito in regime sinusoidale

Messaggioda Foto UtenteLele_u_biddrazzu » 5 gen 2013, 23:45

Sono due partitori di corrente diversi; in uno la corrente di interesse scorre attraverso z2 mentre nell'altro scorre attraverso z1. Ti consiglio di rivedere la regola del partitore di corrente sul tuo libro di elettrotecnica :-P
Emanuele Lorina

- Chi lotta contro i mostri deve fare attenzione a non diventare lui stesso un mostro. E se tu riguarderai a lungo in un abisso, anche l'abisso vorrà guardare dentro di te (F. Nietzsche)
- Tavole della legge by admin
Avatar utente
Foto UtenteLele_u_biddrazzu
8.154 3 8 13
Master EY
Master EY
 
Messaggi: 1288
Iscritto il: 23 gen 2007, 16:13
Località: Modena

1
voti

[10] Re: Risoluzione circuito in regime sinusoidale

Messaggioda Foto Utenteadmin » 5 gen 2013, 23:49

Avatar utente
Foto Utenteadmin
196,6k 9 12 17
Manager
Manager
 
Messaggi: 11950
Iscritto il: 6 ago 2004, 13:14

Prossimo

Torna a Elettrotecnica generale

Chi c’è in linea

Visitano il forum: Nessuno e 98 ospiti