da
RenzoDF » 20 gen 2013, 12:44
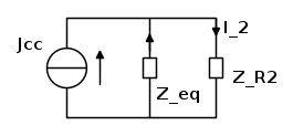
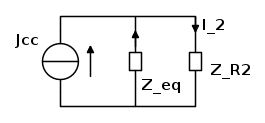
Arya89 ha scritto:... per calcolare il fasore

, uso il partitore di corrente ossia:

giusto?
Non conoscendo il verso di I2, imposto dal testo del problema, non so dirti se quel meno sia corretto, ma se per la
Zeq hai usato la serie delle tre impedenze, il tuo calcolo è di certo errato; l'impedenza equivalente va calcolata "guardando" la rete dai morsetti A B, non "guardandola" dal punto di vista del generatore di tensione E!
In sostanza l'impedenza equivalente relativa ai circuiti equivalenti di Thevenin o Norton è quella che viene vista da un generatore forzante, ausiliario, esterno, che venga collegato ai morsetti A B, dopo aver "spento" tutti i generatori indipendenti della rete.