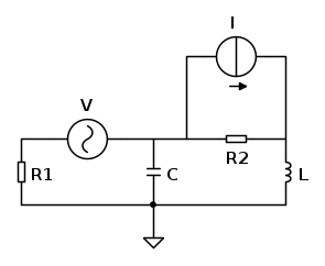
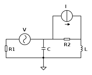
Buonasera vorrei aiuto per quanto riguarda la risoluzione di un circuito con analisi nodale.allego il circuito in esame.
La mia domanda riguarda la presenza oltre che del generatore di tensione anche del generatore di corrente del valore di 14 ampere. Come lo inserisco? per quanto riguarda condensatore e induttore invece?
Ringrazio in anticipo
Risoluzione circuito con analisi nodale modificata
Moderatori:
g.schgor,
IsidoroKZ
1
voti
Gli schemi vanno fatti con FidoCAD, per questa volta lo faccio io.
Con Thevenin gia' puoi sostituire il pezzo che ti da' noia, ma non so se ti è consentito farlo, e comunque avresti un nodo in piu'.
L'analisi nodale hai provato a farla? Prova a scrivere perlomeno qualcosa.
Con Thevenin gia' puoi sostituire il pezzo che ti da' noia, ma non so se ti è consentito farlo, e comunque avresti un nodo in piu'.
L'analisi nodale hai provato a farla? Prova a scrivere perlomeno qualcosa.
-

rusty
4.075 2 9 11 - Utente disattivato per decisione dell'amministrazione proprietaria del sito
- Messaggi: 1578
- Iscritto il: 25 gen 2009, 13:10
0
voti
I1=IC + IR + 14
14 + IR2 = IL1
ora sostituisco inserendo le tensioni quindi:
V/R1=de1/dt C + e2-e1/R2 + 14
14 + e2-e1/R2 = e2/jwL
è giusto fin ora?
Mi scuso ma sono nuovo del sito e non so usare il programma per mettere formule e grafici. c'è una guida?
14 + IR2 = IL1
ora sostituisco inserendo le tensioni quindi:
V/R1=de1/dt C + e2-e1/R2 + 14
14 + e2-e1/R2 = e2/jwL
è giusto fin ora?
Mi scuso ma sono nuovo del sito e non so usare il programma per mettere formule e grafici. c'è una guida?
0
voti
Le formule devi scriverle in LaTeX, e i disegni in FidoCAD, le formule soprattutto perché cosi' come le hai scritte io non le capisco, devi specificare cosa sia per te 1,i,t, bazinga, ecc...
regole_del_forum
FidoCAD lo scarichi, impari a disegnare in 2 minuti.
LaTeX lo impari pian piano, aiutandoti con questo
Una volta fatto uno schema in FidoCAD, selezioni tutto, copi e incolli qui sul forum tra i tag
Esempio:
VL=L di/dt ------>
Non è piu' carina?
Prenditi il tuo tempo, non si impara in 2 minuti, sia il LaTeX che l'elettrotecnica
regole_del_forum
FidoCAD lo scarichi, impari a disegnare in 2 minuti.
LaTeX lo impari pian piano, aiutandoti con questo
Una volta fatto uno schema in FidoCAD, selezioni tutto, copi e incolli qui sul forum tra i tag
- Codice: Seleziona tutto
[fcd][/fcd]
- Codice: Seleziona tutto
[tex][/tex]
Esempio:
VL=L di/dt ------>

Non è piu' carina?
Prenditi il tuo tempo, non si impara in 2 minuti, sia il LaTeX che l'elettrotecnica
-

rusty
4.075 2 9 11 - Utente disattivato per decisione dell'amministrazione proprietaria del sito
- Messaggi: 1578
- Iscritto il: 25 gen 2009, 13:10
0
voti
LKC


Ora inserendo le cadute di tensione


é giusto fin ora?


Ora inserendo le cadute di tensione


é giusto fin ora?
0
voti
ho sbagliato ad inserire la derivata ho messo quella parziale.. mi scuso.
0
voti
giova88 ha scritto:
é giusto fin ora?
Scusa come puoi pensare di mettere in relazione formule in dominio del tempo e fasoriali? Devi decidere un dominio e scrivere tutto coerentemente
Ti taggo il guru
-

rusty
4.075 2 9 11 - Utente disattivato per decisione dell'amministrazione proprietaria del sito
- Messaggi: 1578
- Iscritto il: 25 gen 2009, 13:10
0
voti
Trasformando ottengo :

ho utilizzato come
20 rad/s perche ho come generatore di tensione 110cos20t. Inoltre ho sostituito i valori delle resistenze R1=12 e R2=2
E' giusto?
Per
e
intendo le tensioni sul nodo 1 e 2.

ho utilizzato come
20 rad/s perche ho come generatore di tensione 110cos20t. Inoltre ho sostituito i valori delle resistenze R1=12 e R2=2 E' giusto?
Per
e
intendo le tensioni sul nodo 1 e 2.2
voti
In quel thread avevo provveduto a ritagliarla, ridimensionarla e ripostarla, in modo da farti vedere come fare per postare immagini sul forum.
Ricapitolando:
- Le immagini vanno ritagliate postando unicamente l'area significativa della stessa e ridimensionate in modo che possano avere dimensioni massime di 640x480 punti;
- non solo non hai fatto quanto ti era stato richiesto, ma non hai nemmeno provveduto ad eliminare il corto circuito ai capi del generatore di tensione come ti era stato fatto notare, limitandoti a postare la stessa immagine;
- perché posti una immagine contravvenendo al regolamento del forum? Come ti è già stato detto devi usare fidocadj per postare schemi elettrici, in modo che coloro che si avvalgono della facoltà di aiutarti possano farlo senza dover disegnare lo schema da zero.
Ciao,
Pietro.
-

PietroBaima
90,7k 7 12 13 - G.Master EY

- Messaggi: 12206
- Iscritto il: 12 ago 2012, 1:20
- Località: Londra
Torna a Elettrotecnica generale
Chi c’è in linea
Visitano il forum: Nessuno e 60 ospiti

Elettrotecnica e non solo (admin)
Un gatto tra gli elettroni (IsidoroKZ)
Esperienza e simulazioni (g.schgor)
Moleskine di un idraulico (RenzoDF)
Il Blog di ElectroYou (webmaster)
Idee microcontrollate (TardoFreak)
PICcoli grandi PICMicro (Paolino)
Il blog elettrico di carloc (carloc)
DirtEYblooog (dirtydeeds)
Di tutto... un po' (jordan20)
AK47 (lillo)
Esperienze elettroniche (marco438)
Telecomunicazioni musicali (clavicordo)
Automazione ed Elettronica (gustavo)
Direttive per la sicurezza (ErnestoCappelletti)
EYnfo dall'Alaska (mir)
Apriamo il quadro! (attilio)
H7-25 (asdf)
Passione Elettrica (massimob)
Elettroni a spasso (guidob)
Bloguerra (guerra)




pigreco]=π