Praticamente devo calcolare
dato che
. Ho trasformato la stella in un triangolo ma non so proprio come procedere. So che è una sciocchezza ma svolgendolo più volte non mi trovo col risultato ._.
Moderatori:
g.schgor,
IsidoroKZ
dato che
. Ho trasformato la stella in un triangolo ma non so proprio come procedere. So che è una sciocchezza ma svolgendolo più volte non mi trovo col risultato ._.
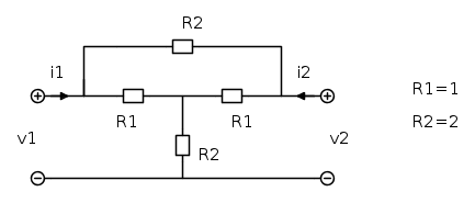
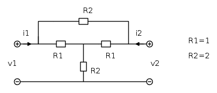
questo circuito di cui allego il modello

EdmondDantes ha scritto:No.
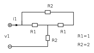
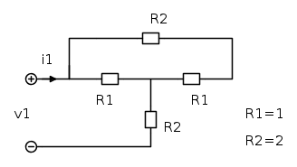
Se i terminali di uscita fossero collegati in corto circuito, la corrente i2 avrebbe un valore diverso da zero.
Il corto circuito si ha con v2=0.
EdmondDantes ha scritto:Una precisazione da "pignolo"questo circuito di cui allego il modello
hai allegato lo schema del circuito e non il modello.
Probabilmente il tuo circuito è un modello di un sistema fisico reale non obbligatoriamente di natura elettrica.


Arya89 ha scritto:No il fatto è che l'ho ripresa dopo un po'

Torna a Elettrotecnica generale
Visitano il forum: Nessuno e 60 ospiti