ma ho difficoltà nell'individuare i parametri
o
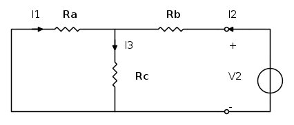
. ho visto su diversi testi (De Magistris, Dorf-Svoboda ed altri) e diversi siti in rete, ma in ciascuno si dice che va applicato il partitore di corrente senza specificare il perché o senza mostrare un minimo di calcoli, ma riportando direttamente la formula finale. Ora, so che facendo nel modo in cui sto per scrivere, è sbagliato ma appunto vorrei tanto capire perché e perché vada applicato il partitore di corrente (visto che domani sono di esame dunque, io risolvo così come faccio per trovare gli altri parametri (
piuttosto che
) ossia scrivo tutte le possibili LK. in particolare, se volessi determinare
, considero questo circuitoe scrivo:

manipolo poi le varie relazioni, così da ottenere il rapporto
in funzione delle sole resistenze. ma, come detto, questo è sbagliato
grazie per il vostro aiuto!

Elettrotecnica e non solo (admin)
Un gatto tra gli elettroni (IsidoroKZ)
Esperienza e simulazioni (g.schgor)
Moleskine di un idraulico (RenzoDF)
Il Blog di ElectroYou (webmaster)
Idee microcontrollate (TardoFreak)
PICcoli grandi PICMicro (Paolino)
Il blog elettrico di carloc (carloc)
DirtEYblooog (dirtydeeds)
Di tutto... un po' (jordan20)
AK47 (lillo)
Esperienze elettroniche (marco438)
Telecomunicazioni musicali (clavicordo)
Automazione ed Elettronica (gustavo)
Direttive per la sicurezza (ErnestoCappelletti)
EYnfo dall'Alaska (mir)
Apriamo il quadro! (attilio)
H7-25 (asdf)
Passione Elettrica (massimob)
Elettroni a spasso (guidob)
Bloguerra (guerra)





, è vero. E adesso?