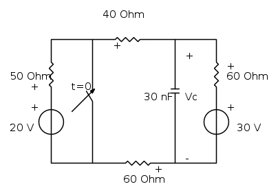
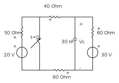
L'interruttore è aperto per
e si chiude in
. Devo calcolare la
per
.Ricordando le due equazioni caratteristiche:

Essenzialmente è importante iniziare calcolando al condizione iniziale, ovvero
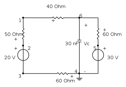
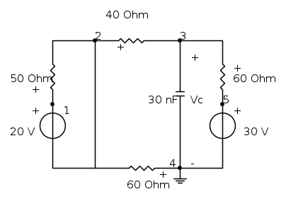
per il principio di continuità.Per calcolare questo valore preferirei applicare il principio nodale che mi sembra quello più opportuno (i suggerimenti per altri metodi sono ben accetti, ma il professore ci ha fatto spesso utilizzare questo, quindi vorrei esercitarmi di più su questo metodo). Quindi intanto identifico i nodi e ne pongo a ground uno di essi, considerando però la situazione a t<0 (Quando l'interruttore è aperto), cioè questa situazione:
E come tale scrivo il sistema associato, avendo messo il nodo 4 a terra ed essendo Vc compreso tra il nodo 6 e 4

Provando a risolvere il sistema però, il risultato non mi convince (visto che mi viene circa 70880 V per
e dunque
). Ho impostato bene il sistema e quindi applicato bene l'analisi nodale? Se non sbaglio trovata la condizione iniziale devo iniziare ad impostarmi l'equazione differenziale, giusto? Attendo risposte e successivamente prosegue (Anche perché per ora sono bloccato con questo risultato!)
Elettrotecnica e non solo (admin)
Un gatto tra gli elettroni (IsidoroKZ)
Esperienza e simulazioni (g.schgor)
Moleskine di un idraulico (RenzoDF)
Il Blog di ElectroYou (webmaster)
Idee microcontrollate (TardoFreak)
PICcoli grandi PICMicro (Paolino)
Il blog elettrico di carloc (carloc)
DirtEYblooog (dirtydeeds)
Di tutto... un po' (jordan20)
AK47 (lillo)
Esperienze elettroniche (marco438)
Telecomunicazioni musicali (clavicordo)
Automazione ed Elettronica (gustavo)
Direttive per la sicurezza (ErnestoCappelletti)
EYnfo dall'Alaska (mir)
Apriamo il quadro! (attilio)
H7-25 (asdf)
Passione Elettrica (massimob)
Elettroni a spasso (guidob)
Bloguerra (guerra)





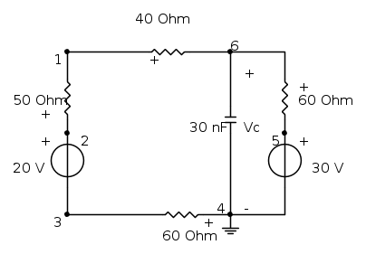
ma non dovrei prima in qualche modo semplificare il circuito?
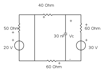
?
e non
.
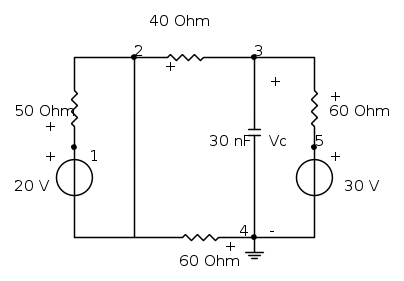
, proseguiamo considerando ora il circuito in cui l'interruttore è chiuso 


è corretto procedere così? In caso contrario dove sbaglio e come dovrei procedere?
posso approssimare a 0,05 A
=27,15 V
V
per una da 50 

per t>0 è pari a
avendo 
