Cosa succede toccando il neutro?
Moderatori:
g.schgor,
IsidoroKZ
0
voti
Risposta breve:
Possono succedere una gran varietà di cose dal "non succede nulla" al rimanere fulminati
a dispetto del nome il neutro è a tutti gli effetti un conduttore attivo.
P. s. purtroppo sono da smartphone e non riesco a linkare tread comunque ci sono diverse discussioni interessanti in proposito.
Possono succedere una gran varietà di cose dal "non succede nulla" al rimanere fulminati
a dispetto del nome il neutro è a tutti gli effetti un conduttore attivo.
P. s. purtroppo sono da smartphone e non riesco a linkare tread comunque ci sono diverse discussioni interessanti in proposito.
"Non farei mai parte di un club che accettasse la mia iscrizione" (G. Marx)
-

claudiocedrone
21,3k 4 7 9 - Master EY

- Messaggi: 15302
- Iscritto il: 18 gen 2012, 13:36
0
voti
ma con i triac si può staccare separatamente sia fase che neutro?
-

daniele1996
610 3 8 11 - Sostenitore

- Messaggi: 1554
- Iscritto il: 29 ago 2011, 11:29
0
voti
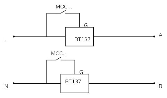
Guarda questo schema:
al posto degli interruttori considera dei moc (fototriac)
se si toccano i poli A e B cosa succede?
al posto degli interruttori considera dei moc (fototriac)
se si toccano i poli A e B cosa succede?
-

daniele1996
610 3 8 11 - Sostenitore

- Messaggi: 1554
- Iscritto il: 29 ago 2011, 11:29
0
voti
Prova a mettere almeno una resistenza da 100 kohm tra A e terra e B e terra.
Poi misura la tensione tra a e b e tra a e t e tra b e t.
In questo modo puoi verificare meglio cosa succede se dovessi toccare a o b.
Il limite è 25vrms.
Ciao
Poi misura la tensione tra a e b e tra a e t e tra b e t.
In questo modo puoi verificare meglio cosa succede se dovessi toccare a o b.
Il limite è 25vrms.
Ciao
600 Elettra
5
voti
stefanopc ha scritto:Metti almeno una resistenza da 100 kohm tra A e terra e B e terra.
Poi misura la tensione tra a e b e tra a e t e tra b e t.
In questo modo puoi verificare meglio cosa succede se dovessi toccare a o b.
Ciao
No, perché se ha una fase attiva e il neutro è un vero neutro allora sul neutro non rileva nulla, mentre qualora il circuito venisse montato in un sistema dove il neutro sia in realtà una fase a 115V potrebbe essere pericoloso.
Quello che succede con quel circuito (cioè cercare di interrompere il neutro con un TRIAC) è che non si ha un sistema sicuro per garantire l’isolamento e non va realizzato.
Un sistema sicuro per garantire l’isolamento è l’uso di un relay.
-

PietroBaima
90,7k 7 12 13 - G.Master EY

- Messaggi: 12206
- Iscritto il: 12 ago 2012, 1:20
- Località: Londra
0
voti
@daniele1996, ignoro molte cosa ma ci sono più motivi che mi portano a suggerirti di lasciare perdere questa sorta di casalinga integrazione che stai tentando.
Anche fermarsi un momentino a riflettere sulla differenza che c'è tra un isolamento galvanico e quello cercato con componenti a semiconduttori, o simili, può essere utile.
Saluti
Anche fermarsi un momentino a riflettere sulla differenza che c'è tra un isolamento galvanico e quello cercato con componenti a semiconduttori, o simili, può essere utile.
Saluti
W - U.H.F.
-

WALTERmwp
30,2k 4 8 13 - G.Master EY

- Messaggi: 8990
- Iscritto il: 17 lug 2010, 18:42
- Località: le 4 del mattino
0
voti
daniele1996 ha scritto:Guarda questo schema:
al posto degli interruttori considera dei moc (fototriac)
[...]
se si toccano i poli A e B cosa succede?
Se c'è la possibilità di toccare un elemento elettrico collegato alla rete, questo deve essere isolato in maniera ineccepibile. Non certo con un triac.
Ti dirò di più, per legge non basta manco un isolamento semplice, serve un isolamento doppio (ad esempio cavi in doppia guaina).
Pensa se per caso il triac dovesse essere difettoso, o semplicemente invecchiando può andare in cortocircuito....
Questo è quello che ti posso dire dalle informazioni che ho.
Ma ripeto: raccontaci cosa stai realizzando che ti possiamo dare suggerimenti più pertinenti.
0
voti
Normative a parte che condivido totalmente io ho suggerito di fare una misura con un multimetro.
Se ha intenzione di toccare fisicamente il circuito lo fa a suo rischio e responsabilità naturalmente.
Non ho idea del tipo di applicazione in cui una persona debba toccare la fase o il neutro.
Ricordo per certo un vecchio televisore crt Philips in cui i tasti per cambiare canale erano a sfioramento e sulle dita si percepiva quel leggero " solletico ".
Magari è qualcosa di simile...
Ciao
Se ha intenzione di toccare fisicamente il circuito lo fa a suo rischio e responsabilità naturalmente.
Non ho idea del tipo di applicazione in cui una persona debba toccare la fase o il neutro.
Ricordo per certo un vecchio televisore crt Philips in cui i tasti per cambiare canale erano a sfioramento e sulle dita si percepiva quel leggero " solletico ".
Magari è qualcosa di simile...
Ciao
600 Elettra
Torna a Elettrotecnica generale
Chi c’è in linea
Visitano il forum: Nessuno e 43 ospiti

Elettrotecnica e non solo (admin)
Un gatto tra gli elettroni (IsidoroKZ)
Esperienza e simulazioni (g.schgor)
Moleskine di un idraulico (RenzoDF)
Il Blog di ElectroYou (webmaster)
Idee microcontrollate (TardoFreak)
PICcoli grandi PICMicro (Paolino)
Il blog elettrico di carloc (carloc)
DirtEYblooog (dirtydeeds)
Di tutto... un po' (jordan20)
AK47 (lillo)
Esperienze elettroniche (marco438)
Telecomunicazioni musicali (clavicordo)
Automazione ed Elettronica (gustavo)
Direttive per la sicurezza (ErnestoCappelletti)
EYnfo dall'Alaska (mir)
Apriamo il quadro! (attilio)
H7-25 (asdf)
Passione Elettrica (massimob)
Elettroni a spasso (guidob)
Bloguerra (guerra)



pigreco]=π