Vorrei dimensionare correttamente uno snubber RCD per proteggere dalla corrente di apertura i contatti di un rele che comanda una resistenza di circa 22 Ohm e impedenza circa 10 uH .
L'elemento riscaldante è avvolto a spirale sul supporto di mica e i cavi che lo alimentano sono circa 3 metri.
Il relè non fa mai commutazione veloce e nella normalità opera a corrente nulla perché è in serie all Igbt .
Attiva il circuito di riscaldamento quando parte la ventola e il PWM è ancora a 0%.
Lo disattiva solo a fine operazioni e solo dopo che il PWM è tornato a 0% o in caso di emergenza per intervento del termostato meccanico di sicurezza o blocco della ventola.
Ora ho messo un rele 250v 16A "robusto" sempre Finder in cui ho dato la possibilità al contatto mobile di distanziarsi maggiormente in apertura.
Il PWM è comandato da un Igbt 1200V pilotato da opto photovoltaic Vom1271.
Potrei mettere come sicurezza ulteriore un scr che in caso di intervento del Clixon faccia saltare i due fusibili 10A presenti verso batteria come un crowbar.
Di sicuro metto lo snubber Rcd come da tuo suggerimento.
Come andrebbe dimensionato?
Per quanto tempo la corrente deve essere bypassata dallo snubber?
Da misura effettuata il tempo che il contatto mobile impiega a passare dal NA al NC è circa 6 ms.
La tensione di alimentazione è 240 Vcc
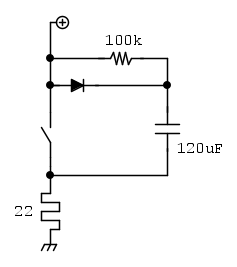
Ho pensato a questa configurazione.
Una costante di tempo pari a circa la meta del tempo che impiega il rele ad aprirsi completamente è troppo poco o potrebbe andare bene ?
Ciao
Rete snubber per rele in DC
Moderatori:
g.schgor,
IsidoroKZ
30 messaggi
• Pagina 1 di 3 • 1, 2, 3
3
voti
Il rele` che hai messo e` per la continua?
Il tempo di apertura non e` quello per passare dalla posizione di chiuso a quella aperta, ma quanto impiega a staccare i contatti, periodo in cui la corrente attraverso il rele` scende e passa attraverso lo snubber.
Con gli interruttori elettronici e` piu` facile fare i conti, si riesce a stimare il tempo di apertura, con quelli meccanici no, bisogna misurarlo. Ci vuole un oscilloscopio a doppia traccia, su una si mette la tensione ai capi del rele`, sull'altra la corrente attraverso il rele`.
La cosa buona e` che la sovratensione induttiva la si controlla facilmente, la costante di tempo e` 0.5µs e l'energia induttiva di 0.5mJ, quindi in apertura il carico e` praticamente resistivo. Invece per il controllo della tensione sull
Il miglior articolo che conosco sugli snubber e` McMurray, Selection of Snubbers and Clamps to Optimize the Design of Transistor Switching Converters, IEEE Trans. on Industry Applications, Vol IA-16, No. 4 Jul. 1980 p. 513. Probabilmente lo si trova in rete, se ti interessa e non lo trovi dimmelo e te lo mando.
Per quanto rimane chiuso il rele`? Direi che la costante di tempo di scarica sia decisamente troppo lunga, meglio abbassare la resistenza di scarica.
DImenticavo: se il rele` e` comandato in continua e c'e` un diodo in antiparallelo all'avvolgimento, probabilmente bisogna aggiungere una resistenza in serie al diodo per far aprire piu` in fretta il rele`.
Il tempo di apertura non e` quello per passare dalla posizione di chiuso a quella aperta, ma quanto impiega a staccare i contatti, periodo in cui la corrente attraverso il rele` scende e passa attraverso lo snubber.
Con gli interruttori elettronici e` piu` facile fare i conti, si riesce a stimare il tempo di apertura, con quelli meccanici no, bisogna misurarlo. Ci vuole un oscilloscopio a doppia traccia, su una si mette la tensione ai capi del rele`, sull'altra la corrente attraverso il rele`.
La cosa buona e` che la sovratensione induttiva la si controlla facilmente, la costante di tempo e` 0.5µs e l'energia induttiva di 0.5mJ, quindi in apertura il carico e` praticamente resistivo. Invece per il controllo della tensione sull
Il miglior articolo che conosco sugli snubber e` McMurray, Selection of Snubbers and Clamps to Optimize the Design of Transistor Switching Converters, IEEE Trans. on Industry Applications, Vol IA-16, No. 4 Jul. 1980 p. 513. Probabilmente lo si trova in rete, se ti interessa e non lo trovi dimmelo e te lo mando.
Per quanto rimane chiuso il rele`? Direi che la costante di tempo di scarica sia decisamente troppo lunga, meglio abbassare la resistenza di scarica.
DImenticavo: se il rele` e` comandato in continua e c'e` un diodo in antiparallelo all'avvolgimento, probabilmente bisogna aggiungere una resistenza in serie al diodo per far aprire piu` in fretta il rele`.
Per usare proficuamente un simulatore, bisogna sapere molta più elettronica di lui
Plug it in - it works better!
Il 555 sta all'elettronica come Arduino all'informatica! (entrambi loro malgrado)
Se volete risposte rispondete a tutte le mie domande
Plug it in - it works better!
Il 555 sta all'elettronica come Arduino all'informatica! (entrambi loro malgrado)
Se volete risposte rispondete a tutte le mie domande
0
voti
Il rele è per Ac naturalmente.
Per fare la prova che suggerisci occorre fondere un ulteriore relè molto probabilmente.
Mi spiacerebbei buttarne un altro.
Si potrebbe fare a tensione ridotta con stessa corrente.
In ogni caso a mio parere se impiega 6ms a spostare il contatto tra i due estremi lo snubber dovrebbe deviare buona parte della corrente per almeno 2ms in modo che non si formi l'arco fino a che i contatti siano ameno a un terzo della loro corsa.
La costante di tempo è circa 2.6 ms
La tensione ai capi del condensatore dopo 2ms dovrebbe essere circa Vcc/2 mentre dopo un ms circa Vcc/4.
Appena ho un attimo lo lo monto e lo provo.
Ciao
Per fare la prova che suggerisci occorre fondere un ulteriore relè molto probabilmente.
Mi spiacerebbei buttarne un altro.
Si potrebbe fare a tensione ridotta con stessa corrente.
In ogni caso a mio parere se impiega 6ms a spostare il contatto tra i due estremi lo snubber dovrebbe deviare buona parte della corrente per almeno 2ms in modo che non si formi l'arco fino a che i contatti siano ameno a un terzo della loro corsa.
La costante di tempo è circa 2.6 ms
La tensione ai capi del condensatore dopo 2ms dovrebbe essere circa Vcc/2 mentre dopo un ms circa Vcc/4.
Appena ho un attimo lo lo monto e lo provo.
Ciao
600 Elettra
0
voti
stefanopc ha scritto:La tensione di alimentazione è 240 Vcc
Hai anche detto che è controllata in PWM, lo schema della parte di potenza di questo PWM sarebbe utile. Se ho ben capito il relè salta solo se apre all'improvviso, mentre normalmente è mantenuto in sicurezza dal PWM stesso.
0
voti
Si il controllo di potenza è fatto in PWM a circa 22 Hz con Igbt pilotato da microcontrollore.
Da progetto in nessun caso il PWM va oltre il 50% e il rele commuta solo se il PWM è 0% sia in apertura che in chiusura.
Il relè quindi è una sicurezza in caso di malfunzionamento o spegnimento quando il riscaldamento non è utilizzato ed è in serie alimentazione.
Deve essere in grado di interrompere il circuito quando per esempio l'igbt dovesse andare in corto causa guasto.
In questo caso, il peggiore in cui deve operare , lo schema è proprio quello che ho disegnato sopra .
Ciao
Da progetto in nessun caso il PWM va oltre il 50% e il rele commuta solo se il PWM è 0% sia in apertura che in chiusura.
Il relè quindi è una sicurezza in caso di malfunzionamento o spegnimento quando il riscaldamento non è utilizzato ed è in serie alimentazione.
Deve essere in grado di interrompere il circuito quando per esempio l'igbt dovesse andare in corto causa guasto.
In questo caso, il peggiore in cui deve operare , lo schema è proprio quello che ho disegnato sopra .
Ciao
600 Elettra
0
voti
Il mio capo collaudatore (moglie) ha verificato dopo diversi anni un problema in caso di spegnimento e accensione veloce del circuito.
Il relè durante la prova distruttiva si è trasformato in lampada ad arco.
Qualcuno avrebbe un suggerimento riguardo ad un relè per DC 10A 300V.
Ciao
Il relè durante la prova distruttiva si è trasformato in lampada ad arco.
Qualcuno avrebbe un suggerimento riguardo ad un relè per DC 10A 300V.
Ciao
600 Elettra
1
voti
https://www.electroyou.it/forum/viewtopic.php?f=1&t=88116
Dirai, che c'entra la protezione per speaker?
C'entra perché da quella discussione a cui hai partecipato anche tu si evince che i relè per interrompere la continua non vanno bene, anche se nel breve termine sembrano funzionare comunque si deteriorano e come hai potuto vedere anche con lo snubber poi fanno una brutta fine.
Dirai, che c'entra la protezione per speaker?
C'entra perché da quella discussione a cui hai partecipato anche tu si evince che i relè per interrompere la continua non vanno bene, anche se nel breve termine sembrano funzionare comunque si deteriorano e come hai potuto vedere anche con lo snubber poi fanno una brutta fine.
"Non farei mai parte di un club che accettasse la mia iscrizione" (G. Marx)
-

claudiocedrone
21,3k 4 7 9 - Master EY

- Messaggi: 15303
- Iscritto il: 18 gen 2012, 13:36
0
voti
Che i relè AC per interrompere una corrente continua non vadano bene lo davo già per certo.
Con lo snubber RDC il problema si pone solo se non dai il tempo allo snubber di fare il suo ciclo di scarica.
Forse si potrebbe mettere un Mov da 250-300V in aggiunta.
È anche vero che i due campi di applicazione sono completamente diversi.
La protezione per speaker lavora difficilmente con tensioni superiori a 80V.
Nel mio caso invece la tensione di lavoro è 250V.
A questo punto valuterò il crowbar che fa saltare i fusibili di alimentazione.
Probabilmente potrebbe essere una soluzione più efficace e funzionale.
Ciao
Con lo snubber RDC il problema si pone solo se non dai il tempo allo snubber di fare il suo ciclo di scarica.
Forse si potrebbe mettere un Mov da 250-300V in aggiunta.
È anche vero che i due campi di applicazione sono completamente diversi.
La protezione per speaker lavora difficilmente con tensioni superiori a 80V.
Nel mio caso invece la tensione di lavoro è 250V.
A questo punto valuterò il crowbar che fa saltare i fusibili di alimentazione.
Probabilmente potrebbe essere una soluzione più efficace e funzionale.
Ciao
600 Elettra
1
voti
"Sopravvivere" e' attualmente l'unico lusso che la maggior parte dei Cittadini italiani,
sia pure a costo di enormi sacrifici, riesce ancora a permettersi.
sia pure a costo di enormi sacrifici, riesce ancora a permettersi.
-

Etemenanki
9.527 3 6 10 - Master

- Messaggi: 5950
- Iscritto il: 2 apr 2021, 23:42
- Località: Dalle parti di un grande lago ... :)
0
voti
Se ho capito bene.
Hai un carico da 22ohm, collegato a 230V? giusto? quindi avrò una corrente istantanea massima sull'induttore di 14.8A. mica male.
pilotato in PWM da IGBT, ed il relè stacca solo con IGBT aperto, quindi qua non da problemi.
il problema pare sia solo come sicurezza, quando salta IGBT, od altro che mantene chiuso il circuito, ed il relè deve aprire 10A.
il problema maggiore lo vedo sul condensatore, per avere una capacità come indicata, devi usare un elettrolitico, che regga i 10A e che in questo transitorio non vada molto su di tensione, (basso ESR).
per me, puoi usare tranquillamente un condensatore piu piccolo, che non sia elettrolitico, suppongo che possa essere migliore, dell'elettrolitico.
ma basta una sola apertura per farlo fondere in questo modo?
come sicurezza però userei un relè molto piu sovradimensionato, considera che un 16A in resistivo, andrà a finire a 6/8A con carico induttivo.
saluti.
Hai un carico da 22ohm, collegato a 230V? giusto? quindi avrò una corrente istantanea massima sull'induttore di 14.8A. mica male.
pilotato in PWM da IGBT, ed il relè stacca solo con IGBT aperto, quindi qua non da problemi.
il problema pare sia solo come sicurezza, quando salta IGBT, od altro che mantene chiuso il circuito, ed il relè deve aprire 10A.
il problema maggiore lo vedo sul condensatore, per avere una capacità come indicata, devi usare un elettrolitico, che regga i 10A e che in questo transitorio non vada molto su di tensione, (basso ESR).
per me, puoi usare tranquillamente un condensatore piu piccolo, che non sia elettrolitico, suppongo che possa essere migliore, dell'elettrolitico.
ma basta una sola apertura per farlo fondere in questo modo?
come sicurezza però userei un relè molto piu sovradimensionato, considera che un 16A in resistivo, andrà a finire a 6/8A con carico induttivo.
saluti.
-

lelerelele
4.899 3 7 9 - Master

- Messaggi: 5505
- Iscritto il: 8 giu 2011, 8:57
- Località: Reggio Emilia
30 messaggi
• Pagina 1 di 3 • 1, 2, 3
Torna a Elettrotecnica generale
Chi c’è in linea
Visitano il forum: Nessuno e 15 ospiti

Elettrotecnica e non solo (admin)
Un gatto tra gli elettroni (IsidoroKZ)
Esperienza e simulazioni (g.schgor)
Moleskine di un idraulico (RenzoDF)
Il Blog di ElectroYou (webmaster)
Idee microcontrollate (TardoFreak)
PICcoli grandi PICMicro (Paolino)
Il blog elettrico di carloc (carloc)
DirtEYblooog (dirtydeeds)
Di tutto... un po' (jordan20)
AK47 (lillo)
Esperienze elettroniche (marco438)
Telecomunicazioni musicali (clavicordo)
Automazione ed Elettronica (gustavo)
Direttive per la sicurezza (ErnestoCappelletti)
EYnfo dall'Alaska (mir)
Apriamo il quadro! (attilio)
H7-25 (asdf)
Passione Elettrica (massimob)
Elettroni a spasso (guidob)
Bloguerra (guerra)




