Ciao,
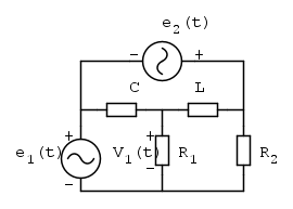
ho il seguente curcuito
Il testo dell'esercizio richiede, Determinare la tensione v1(t) ai capi del resistore R1.
Pensavo di procedere calcolando le reattanze del condensatore e dell'induttore e portare tutto in fasori ed effettuare il calcolo in questo modo che ne pensate ?
Circuito in corrente sinusoidale
Moderatori:
g.schgor,
IsidoroKZ
15 messaggi
• Pagina 1 di 2 • 1, 2
0
voti
che ne pensate ? Mi pare l'unico modo di procedere.
Semplificazuione: La R2 è irrilevante nel calcolo della V1 ( è connessa direttamente alla serie di e1 ed e2).
forse viene facile risolverlo con sovrapposizione effetti.

Semplificazuione: La R2 è irrilevante nel calcolo della V1 ( è connessa direttamente alla serie di e1 ed e2).
forse viene facile risolverlo con sovrapposizione effetti.

0
voti
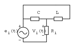
Per prima cosa mi son disegnato il circuito in questo modo
Applicando la sovrapposizione degli effetti ed iniziano a spegnere
ottengo che la 
Quando invece lascio acceso
la corrente che circola in
è data da ????
Applicando la sovrapposizione degli effetti ed iniziano a spegnere
ottengo che la 
Quando invece lascio acceso
la corrente che circola in
è data da ????-

smeligrana
95 6 - New entry

- Messaggi: 72
- Iscritto il: 5 apr 2021, 20:58
0
voti
Eccoli
e1(t) = 10 cos(200 t) V
e2(t) = 20 sen(200 t) V
C = 1 mF
L = 50 mH
R1 = 10 ohm
R2 = 15 ohm
e1(t) = 10 cos(200 t) V
e2(t) = 20 sen(200 t) V
C = 1 mF
L = 50 mH
R1 = 10 ohm
R2 = 15 ohm
-

smeligrana
95 6 - New entry

- Messaggi: 72
- Iscritto il: 5 apr 2021, 20:58
0
voti
Penso di aver sbagliato tutto, se elimino come mi è stato suggerito R2 perché la tensione hai suoi capi è bloccata, ed applicato la sovrapposizione degli effetti, il circuito con e1 acceso è
-

smeligrana
95 6 - New entry

- Messaggi: 72
- Iscritto il: 5 apr 2021, 20:58
1
voti
smeligrana ha scritto:... Applicando la sovrapposizione degli effetti ed iniziano a spegnereottengo che la
...
Quella relazione è già dimensionalmente errata.
Io ti consiglio Thevenin.
"Il circuito ha sempre ragione" (Luigi Malesani)
0
voti
Seguendo il consiglio di
RenzoDF, togli anche R1 e calcola la tensione eTh al suo posto.
ZTh è oi il paallelo di XC e XL, hai così tutti gli elementi per calcolare IR1.
ZTh è oi il paallelo di XC e XL, hai così tutti gli elementi per calcolare IR1.
0
voti
Ho letto solo il suggerimento di usare Thevenin (lo risolverò anche cosi).
Con la sovrapposizione degli effetti ottengo
e
che sommati mi danno 
Quando provo a trasformare nella forma sinusoidale ottengo
ma dal risultato dato dal testo la fase dovrebbe valere -2,82.
Io l'ho calcolata facendo
, perché ho un risultato diverso?
Con la sovrapposizione degli effetti ottengo
e
che sommati mi danno 
Quando provo a trasformare nella forma sinusoidale ottengo
ma dal risultato dato dal testo la fase dovrebbe valere -2,82.Io l'ho calcolata facendo
, perché ho un risultato diverso?-

smeligrana
95 6 - New entry

- Messaggi: 72
- Iscritto il: 5 apr 2021, 20:58
0
voti
Semplicemente perché la parte reale è negativa. 
Ovvero ci troviamo nel secondo o nel terzo quadrante (e non nel primo o nel quarto) di conseguenza per determinare l'argomento devi usare arctan2 e non arctan, oppure ricordare di sommare o sottrarre
al risultato ottenuto con la normale arcotangente.
Ovvero ci troviamo nel secondo o nel terzo quadrante (e non nel primo o nel quarto) di conseguenza per determinare l'argomento devi usare arctan2 e non arctan, oppure ricordare di sommare o sottrarre
al risultato ottenuto con la normale arcotangente."Il circuito ha sempre ragione" (Luigi Malesani)
15 messaggi
• Pagina 1 di 2 • 1, 2
Torna a Elettrotecnica generale
Chi c’è in linea
Visitano il forum: Nessuno e 71 ospiti

Elettrotecnica e non solo (admin)
Un gatto tra gli elettroni (IsidoroKZ)
Esperienza e simulazioni (g.schgor)
Moleskine di un idraulico (RenzoDF)
Il Blog di ElectroYou (webmaster)
Idee microcontrollate (TardoFreak)
PICcoli grandi PICMicro (Paolino)
Il blog elettrico di carloc (carloc)
DirtEYblooog (dirtydeeds)
Di tutto... un po' (jordan20)
AK47 (lillo)
Esperienze elettroniche (marco438)
Telecomunicazioni musicali (clavicordo)
Automazione ed Elettronica (gustavo)
Direttive per la sicurezza (ErnestoCappelletti)
EYnfo dall'Alaska (mir)
Apriamo il quadro! (attilio)
H7-25 (asdf)
Passione Elettrica (massimob)
Elettroni a spasso (guidob)
Bloguerra (guerra)






