Salve a tutti,rianimando un vecchio scooter mi è venuta l,idea di organizzare un matrimonio,tra del litio 60v 28A (18650) e 5 banchi supercap 16v 116f.
Pacioccando con i supercapacitator mi parso intuire che avrei un beneficio superfluo da una semplice unione in parallelo, tanto scaricano=tanto caricano...
vorrei trovare il modo che scarichino a 50-60A e ricarichino a 5-6A.
pensavo di usare dei ssr dc dc, tipo fotek o berm, comandati PWM da un arduino tramite sensori tensione.
L'idea in breve sarebbe: in partenza rilevato il calo di tensione, aprire il "rubinetto grande" dei supercap, finito lo spunto, immagino che la tensione tornerà a salire, e quindi chiudere il grande e aprirne uno piccolo per ricaricare i supercap "dolcemente"...
Mi sono procurato l'ssr 120A , ma mi lasciano sempre passare corrente nel senso inverso al quale invece funziona normalmente-ergo: apre/chiude dal morsetto +2 verso -1 mà non chiude da -1 verso +2.
Spero di essermi spiegato e vi prego di avere pazienza, sono solo un simpatizzante elettronico.
Grazie.
Batteria mista litio-supercap
Moderatori:
g.schgor,
IsidoroKZ
14 messaggi
• Pagina 1 di 2 • 1, 2
0
voti
0
voti
Si puo` fare, ma bisogna usare un convertitore DC-DC bidirezionale, anche non isolato, buck in un verso e boost nell'altro, sempre che i range di tensione non si sovrappongano.
Non si possono usare rele` allo stato solido e neanche generare il segnale di comando PWM con arduino.
Non si possono usare rele` allo stato solido e neanche generare il segnale di comando PWM con arduino.
Per usare proficuamente un simulatore, bisogna sapere molta più elettronica di lui
Plug it in - it works better!
Il 555 sta all'elettronica come Arduino all'informatica! (entrambi loro malgrado)
Se volete risposte rispondete a tutte le mie domande
Plug it in - it works better!
Il 555 sta all'elettronica come Arduino all'informatica! (entrambi loro malgrado)
Se volete risposte rispondete a tutte le mie domande
0
voti
Grazie per le risposte...
Non sono sicuro della risposta, le due tensioni si sovrappongono? A mio occhiometro direi di si, verissimo chè sè non utilizzo un boost, già con il calo di tensione di un eventuale diodo,si inginocchia il mio rudimentale approccio... faccio qualche cerca dai tuo suggerimenti...
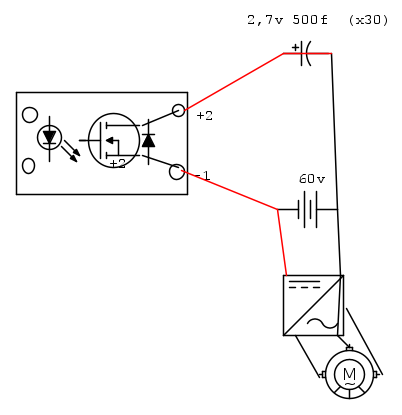
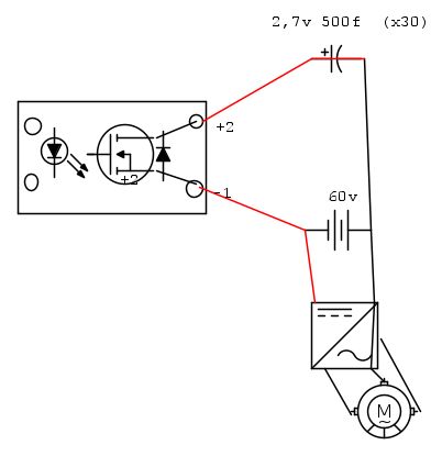
ho fatto una bozza jcad , seppur sbagliata....
GioArca, intendi con lo scooter o con gli elettroni?
IsidoroKZ ha scritto:Si puo` fare, ma bisogna usare un convertitore DC-DC bidirezionale, anche non isolato, buck in un verso e boost nell'altro, sempre che i range di tensione non si sovrappongano.
Non si possono usare rele` allo stato solido e neanche generare il segnale di comando PWM con arduino.
Non sono sicuro della risposta, le due tensioni si sovrappongono? A mio occhiometro direi di si, verissimo chè sè non utilizzo un boost, già con il calo di tensione di un eventuale diodo,si inginocchia il mio rudimentale approccio... faccio qualche cerca dai tuo suggerimenti...
ho fatto una bozza jcad , seppur sbagliata....
GioArca, intendi con lo scooter o con gli elettroni?
0
voti
Detta in modo molto approssimativo e stringato giusto per capirci :
Quando scarichi una batteria ad esempio a 50A la tensione è praticamente costante (considerando tempi dell'ordine di una decina di secondi) .
Quando scarichi un condensatore per lo stesso periodo di tempo la tensione scende tanto più rapidamente quanto più e alta la corrente.
Il semplice parallelo non ha quasi alcun effetto.
Servirebbe qualche buon convertitore Dc-Dc e svariati altri circuiti di controllo (come già detto da chi mi ha preceduto) .
Tra l'altro i supercap sono piuttosto delicati se non utilizzati correttamente (hai controllato la massima corrente utilizzabile) .
Meglio (piu semplice) mettere una batteria più grande o piu performante e se possibile alzare la tensione del sistema.
Ciao
Quando scarichi una batteria ad esempio a 50A la tensione è praticamente costante (considerando tempi dell'ordine di una decina di secondi) .
Quando scarichi un condensatore per lo stesso periodo di tempo la tensione scende tanto più rapidamente quanto più e alta la corrente.
Il semplice parallelo non ha quasi alcun effetto.
Servirebbe qualche buon convertitore Dc-Dc e svariati altri circuiti di controllo (come già detto da chi mi ha preceduto) .
Tra l'altro i supercap sono piuttosto delicati se non utilizzati correttamente (hai controllato la massima corrente utilizzabile) .
Meglio (piu semplice) mettere una batteria più grande o piu performante e se possibile alzare la tensione del sistema.
Ciao
600 Elettra
0
voti
stefanopc ha scritto:
Il semplice parallelo non ha quasi alcun effetto.
Ciao
TITAN ha scritto:Il parallelo ha senso solo e4d esclusivamente per sopperire a picchi molto elevati di corrente .
Nello scuter l'unico è l'avviamento.
è proprio quello che cercavo di dire... Supercap,from china,detto pacchetto "automotive" 16v 110f (2,7v 500f x6) lo fanno vedere in parallelo a una piombo sotto al cofano di un endotermico, mà io avanzo 100% elettro-magnetico. Sarà solo suggestione mà dopo qualche anno di elettrico, se si rompe qualcosa è per colpa delle partenze. aumentare batteria, secondo mio modo di vedere è come dare da bere a un ubriaco, non basta mai e presto le 18650 diventano bottiglie vuote. Modulando la richiesta energetica, dovrei anche aumentare la vita delle celle e la vitalità dello scooter, questo lo sapete tutti, sono io il profano qua, e non è mio caso che traffico con roba vecchia...
Supercap in parellelo ne ho messi al mio piccolo impianto solare off grid, volevo sviluppare questo sistema ed approfittarlo anche lì, non per far impennare la lavatrice a supercap, ma affiancare avanzi vari di batterie che non potrebbero essere mai assemblate in un solo pacco; similmente al circuito del motorino, "parallelare" i vari pacchi (avanzi varii) quando l,inverter beve corrente, e avere scollegato le lifepo4 dalle piombo quando dormo, comunque qui la cosa mi è più semplice, non avendo a che fare con un carico puramente capacitativo, metto gli ssr nel cassetto e esco qualchè relays meccanico con un arduino.
Tornando al motorino.. sto guardando i moduli step-up e step-donw, mi attira anche limitare la serie da 30 supercap, vedo già chè come dice Stefano che avrò bisogno di un bel circuito di controllo
1
voti
stefanopc ha scritto:Tra l'altro i supercap sono piuttosto delicati se non utilizzati correttamente (hai controllato la massima corrente utilizzabile) .
Al momento dell'acquisto non mi ero posto minimamente il problema (gnuranza), ho poi cercato informazioni mà senza esito....
0
voti
Cosi a naso vedo una complicatezza (ed efficenza) che non valgono il gioco.
Lo scooter cosa ha 50A di avviamento ? A quel punto devi avere un circuito boost che sia in grado di gestire quegli spunti. Servità sicuramente una soluzione custom. (che quella cifra viene tranquillamente gestita da 2P di 18650 buone)
Tu non vai a "modulare" la richiesta del motore semplicemente vai a prenderla da una fonte con (forse) meno resistenza, ma finito il "succo" nei condensatori devi ricaricarli in parallelo al consumo del motore. Perciò ti trovi con 4A + consumo motore. Dato che l'efficenza non sarà mai 100 %, quello che guadagni da una parte lo perdi in calore nelle varie conversioni = Durata identica.
Non sarebbe più semplice lavorare sul controller motore e modulare li la richiesta di energia ?
Lo scooter cosa ha 50A di avviamento ? A quel punto devi avere un circuito boost che sia in grado di gestire quegli spunti. Servità sicuramente una soluzione custom. (che quella cifra viene tranquillamente gestita da 2P di 18650 buone)
Tu non vai a "modulare" la richiesta del motore semplicemente vai a prenderla da una fonte con (forse) meno resistenza, ma finito il "succo" nei condensatori devi ricaricarli in parallelo al consumo del motore. Perciò ti trovi con 4A + consumo motore. Dato che l'efficenza non sarà mai 100 %, quello che guadagni da una parte lo perdi in calore nelle varie conversioni = Durata identica.
Non sarebbe più semplice lavorare sul controller motore e modulare li la richiesta di energia ?
1
voti
L'ideale sarebbe che la corrente media la eroghi la batteria.
Il supercap si sobbarchi la extracorrente in fase di spunto (accelerazione).
In fase di rallentamento (frenata rigenerativa) la corrente generata dal motore vada a ricaricare il supercap.
Quello che manca per completare la carica viene poi comunque preso dalla batteria durante i periodi di sosta o marcia a bassa velocità.
Questo faciliterebbe la vita alla batteria e sicuramente ne aumenterebbe la vita utile.
A parole è relativamente semplice.
Implementarlo correttamente molto meno.
Ciao
Il supercap si sobbarchi la extracorrente in fase di spunto (accelerazione).
In fase di rallentamento (frenata rigenerativa) la corrente generata dal motore vada a ricaricare il supercap.
Quello che manca per completare la carica viene poi comunque preso dalla batteria durante i periodi di sosta o marcia a bassa velocità.
Questo faciliterebbe la vita alla batteria e sicuramente ne aumenterebbe la vita utile.
A parole è relativamente semplice.
Implementarlo correttamente molto meno.
Ciao
600 Elettra
14 messaggi
• Pagina 1 di 2 • 1, 2
Torna a Elettrotecnica generale
Chi c’è in linea
Visitano il forum: Nessuno e 203 ospiti

Elettrotecnica e non solo (admin)
Un gatto tra gli elettroni (IsidoroKZ)
Esperienza e simulazioni (g.schgor)
Moleskine di un idraulico (RenzoDF)
Il Blog di ElectroYou (webmaster)
Idee microcontrollate (TardoFreak)
PICcoli grandi PICMicro (Paolino)
Il blog elettrico di carloc (carloc)
DirtEYblooog (dirtydeeds)
Di tutto... un po' (jordan20)
AK47 (lillo)
Esperienze elettroniche (marco438)
Telecomunicazioni musicali (clavicordo)
Automazione ed Elettronica (gustavo)
Direttive per la sicurezza (ErnestoCappelletti)
EYnfo dall'Alaska (mir)
Apriamo il quadro! (attilio)
H7-25 (asdf)
Passione Elettrica (massimob)
Elettroni a spasso (guidob)
Bloguerra (guerra)










