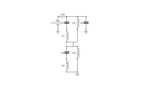
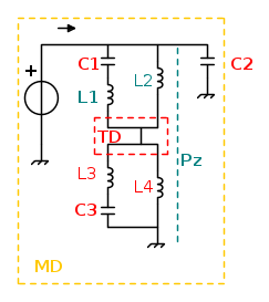
Tanto per completare il discorso sull'ammettenza del tuo post [13]
ridisegno la rete (con scambio di L3 e C3) dove
a) sono presenti N=7 elementi reattivi,
b) esiste una
maglia degenere MD ( solo generatore di tensione e condensatore) che comporta una diminuzione del numero di elementi reattivi indipendenti a N=7-1=6
c) esiste un taglio degenere
TD con il nodo con soli induttori [come gia' ti ha fatto notare
Isidoro]
(potrebbe esserci anche un generatore di corrente) quindi N=N-1-1=5
d) esiste un percorso
Pz costituito da soli induttori L2 e L4 che porta ad un polo nell'origine per l'ammettenza.
di conseguenza i poli saranno 5 uno dei quali nello zero e gli altri 4 simmetrici (2 a 2) rispetto all'asse reale (complessi coniugati) ed il denominatore avra' quindi solo potenze dispari di s (1,3,5).
Il denominatore dell'impedenza (num. dell'ammettenza), avra' invece grado 6 in quanto pur essendo ancora presente il
taglio degenere TD, viene a mancare la maglia degenere MD (abbiamo sostituito il gen. di tensione con un gen. di corrente); il polo nell'origine si trasforma in uno zero e saranno presenti solo potenze pari (2,4,6) che porteranno come al solito i poli a disporsi simmetricamente sull'asse immaginario; il grado del denominatore, superiore a quello del numeratore porterà ad uno zero all'infinito (relativo al polo all'infinito l'ammettenza).
Spero di non averti confuso le idee

... ( e di non avere sbagliato

)
BTW a proposito di testi sull'argomento, non me ne vengono in mente altri se non ,
Electrical Network Analysis and Synthesis Di U.A.Bakshi,A.V.Bakshihttp://books.google.it/books?id=2DEft_w ... &q&f=falseNetwork Analysis & Synth Di Ghoshhttp://books.google.it/books?id=9j1_0tq ... &q&f=falseche probabilmente gia' conosci :)
... nel fine settimana provo a vedere se trovo qualcos'altro :wink:
BTW ... ringrazio
Isidoro per la "nomination" come migliore
"cane da trifola " di EP
