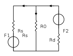
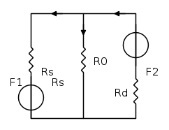
Considera il circuito elettrico equivalente.
La riluttanza del ramo sinistro, completamente in ferro, Rs, è in parallelo a quella del ramo centrale R0 che comprende il traferro, oltre ad un po' di ferro. La riluttanza del ramo di destra, che è uguale a quella di sinistra, data la simmetria del circuito magnetico, è in serie alla forza magnetomotrice che alimenta le due precedenti riluttanze
Calcolo coefficiente di mutua induzione
Moderatori:
g.schgor,
IsidoroKZ
41 messaggi
• Pagina 2 di 5 • 1, 2, 3, 4, 5
0
voti
Quindi se l'avvolgimento 2 è l'indotto ed 1 l'induttore, nel calcolo di M, quanto vale la fmm F2?
Ovviamente ottieni lo stesso valore di M se consideri 2 l'induttore e 1 l'indotto.
Ovviamente ottieni lo stesso valore di M se consideri 2 l'induttore e 1 l'indotto.
41 messaggi
• Pagina 2 di 5 • 1, 2, 3, 4, 5
Torna a Elettrotecnica generale
Chi c’è in linea
Visitano il forum: Nessuno e 79 ospiti

Elettrotecnica e non solo (admin)
Un gatto tra gli elettroni (IsidoroKZ)
Esperienza e simulazioni (g.schgor)
Moleskine di un idraulico (RenzoDF)
Il Blog di ElectroYou (webmaster)
Idee microcontrollate (TardoFreak)
PICcoli grandi PICMicro (Paolino)
Il blog elettrico di carloc (carloc)
DirtEYblooog (dirtydeeds)
Di tutto... un po' (jordan20)
AK47 (lillo)
Esperienze elettroniche (marco438)
Telecomunicazioni musicali (clavicordo)
Automazione ed Elettronica (gustavo)
Direttive per la sicurezza (ErnestoCappelletti)
EYnfo dall'Alaska (mir)
Apriamo il quadro! (attilio)
H7-25 (asdf)
Passione Elettrica (massimob)
Elettroni a spasso (guidob)
Bloguerra (guerra)



