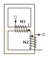
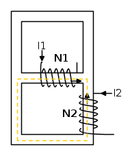
aeroxr1 ha scritto:IL professore ha sceltoche entra nel morsetto di sinistra quindi flusso verso destra e corrente
che entra nel morsetto alto e quindi flusso verso l'alto . I flussi sono discordi quindi M è negativa .
SI, se ha usato quelle convenzioni per le correnti, è corretto considerare il valore di M negativo!
aeroxr1 ha scritto:Per avere flussi discordi io non dovevo mettere il contrassegno sua sinistra e su
in alto ???
NO ! ... i punti vanno sempre messi, almeno qui sulla terra, sui morsetti che rendono M positiva (o sui loro opposti), ovvero i punti (o gli asterischi) se li mette l'induttore per conto proprio, tu puoi solo scegliere se usare gli uni o gli altri ma la coppia deve rimanere "posizionalmente" immutata !
... mi sta prendendo un "attacco magnetico"

Elettrotecnica e non solo (admin)
Un gatto tra gli elettroni (IsidoroKZ)
Esperienza e simulazioni (g.schgor)
Moleskine di un idraulico (RenzoDF)
Il Blog di ElectroYou (webmaster)
Idee microcontrollate (TardoFreak)
PICcoli grandi PICMicro (Paolino)
Il blog elettrico di carloc (carloc)
DirtEYblooog (dirtydeeds)
Di tutto... un po' (jordan20)
AK47 (lillo)
Esperienze elettroniche (marco438)
Telecomunicazioni musicali (clavicordo)
Automazione ed Elettronica (gustavo)
Direttive per la sicurezza (ErnestoCappelletti)
EYnfo dall'Alaska (mir)
Apriamo il quadro! (attilio)
H7-25 (asdf)
Passione Elettrica (massimob)
Elettroni a spasso (guidob)
Bloguerra (guerra)
che entra nel morsetto di sinistra quindi flusso verso destra e corrente
che entra nel morsetto alto e quindi flusso verso l'alto . I flussi sono discordi quindi M è negativa .
a sinistra e su
in alto ???













