Cos'è ElectroYou | Login Iscriviti

ElectroYou - la comunità dei professionisti del mondo elettrico

calcolo tensione a vuoto thevenin

Circuiti, campi elettromagnetici e teoria delle linee di trasmissione e distribuzione dell’energia elettrica

Moderatori: Foto Utenteg.schgor, Foto UtenteIsidoroKZ

1
voti

[11] Re: calcolo tensione a vuoto thevenin

Messaggioda Foto Utentemazzy89 » 16 lug 2011, 0:26

si si sto postando.sto scrivendo tutto quello che ho trovato.arrivo subito.edito il post tra un momento

ecco qui i passaggi:



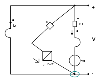
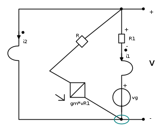
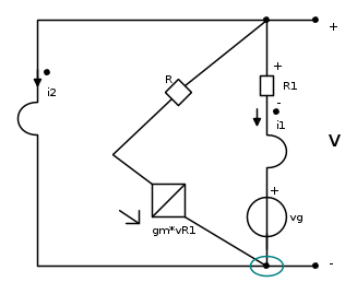
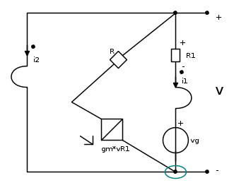
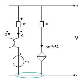
applico la LKC al nodo segnato in figura

-i_1-g_mV_{R1}-i_2=0 che per la relazione del trasformatore i_1=-\frac{1}{2}i_2 si ha che i_1=0 e quindi anche i_2=0

osserviamo che V=v_2=\frac{1}{2}v_1 e considerando che i_1=0
applicando la LKT alla maglia in ingresso si ha che V=v_g+v_1+V_{R1} e quindi che V=-1V

ok modificato.ho capito adesso come utilizzare il biezer
Ultima modifica di Foto Utentemazzy89 il 16 lug 2011, 0:47, modificato 1 volta in totale.
Avatar utente
Foto Utentemazzy89
3 1 3 6
Stabilizzato
Stabilizzato
 
Messaggi: 410
Iscritto il: 30 giu 2011, 17:21

0
voti

[12] Re: calcolo tensione a vuoto thevenin

Messaggioda Foto UtenteRenzoDF » 16 lug 2011, 0:39

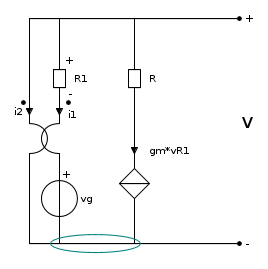
:ok: , a parte la mancanza delle convenzioni per v1 e v2 sullo schema, che anche se implicita, e' sempre "conveniente" specificare.

Ora non ti resta che migliorare la forma dei due avvolgimenti ... come ti avevo gia' fatto notare ;-)
"Il circuito ha sempre ragione" (Luigi Malesani)
Avatar utente
Foto UtenteRenzoDF
55,9k 8 12 13
G.Master EY
G.Master EY
 
Messaggi: 13189
Iscritto il: 4 ott 2008, 9:55

0
voti

[13] Re: calcolo tensione a vuoto thevenin

Messaggioda Foto Utentemazzy89 » 16 lug 2011, 0:42

RenzoDF ha scritto:
Ora non ti resta che migliorare la forma dei due avvolgimenti ... come ti avevo gia' fatto notare ;-)


come la posso migliorare?ho provato con il biezer ma mi vengono sempre storte le curve :(
Avatar utente
Foto Utentemazzy89
3 1 3 6
Stabilizzato
Stabilizzato
 
Messaggi: 410
Iscritto il: 30 giu 2011, 17:21

0
voti

[14] Re: calcolo tensione a vuoto thevenin

Messaggioda Foto UtenteRenzoDF » 16 lug 2011, 0:47

mazzy89 ha scritto:come la posso migliorare?ho provato con il biezer ma mi vengono sempre storte le curve :(


Ti vengono "storte" perche' non ti sei accorto che ci sono due punti di controllo sovrapposti, se li separi e poni i 4 punti sui vertici di un rettangolo ottieni

"Il circuito ha sempre ragione" (Luigi Malesani)
Avatar utente
Foto UtenteRenzoDF
55,9k 8 12 13
G.Master EY
G.Master EY
 
Messaggi: 13189
Iscritto il: 4 ott 2008, 9:55

1
voti

[15] Re: calcolo tensione a vuoto thevenin

Messaggioda Foto UtenteDirtyDeeds » 16 lug 2011, 11:20

Io proporrei di disegnare tutto un po' più dritto... ;-)

It's a sin to write sin instead of \sin (Anonimo).
...'cos you know that cos ain't \cos, right?
You won't get a sexy tan if you write tan in lieu of \tan.
Take a log for a fireplace, but don't take log for \logarithm.
Avatar utente
Foto UtenteDirtyDeeds
55,9k 7 11 13
G.Master EY
G.Master EY
 
Messaggi: 7012
Iscritto il: 13 apr 2010, 16:13
Località: Somewhere in nowhere

0
voti

[16] Re: calcolo tensione a vuoto thevenin

Messaggioda Foto UtenteRenzoDF » 16 lug 2011, 14:58

BTW e' stato inserito il simbolo di trasformatore ideale nelle nuove librerie FidoCadJ alle quali state lavorando?
"Il circuito ha sempre ragione" (Luigi Malesani)
Avatar utente
Foto UtenteRenzoDF
55,9k 8 12 13
G.Master EY
G.Master EY
 
Messaggi: 13189
Iscritto il: 4 ott 2008, 9:55

0
voti

[17] Re: calcolo tensione a vuoto thevenin

Messaggioda Foto UtenteDirtyDeeds » 16 lug 2011, 17:22

No, sono solo simboli per impiantistica.
It's a sin to write sin instead of \sin (Anonimo).
...'cos you know that cos ain't \cos, right?
You won't get a sexy tan if you write tan in lieu of \tan.
Take a log for a fireplace, but don't take log for \logarithm.
Avatar utente
Foto UtenteDirtyDeeds
55,9k 7 11 13
G.Master EY
G.Master EY
 
Messaggi: 7012
Iscritto il: 13 apr 2010, 16:13
Località: Somewhere in nowhere

Precedente

Torna a Elettrotecnica generale

Chi c’è in linea

Visitano il forum: Google Adsense [Bot] e 89 ospiti