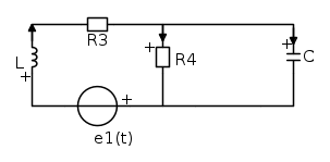
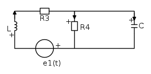
Rete del secondo ordine
Moderatori:
g.schgor,
IsidoroKZ
0
voti
Per i risultati numerici non posso darti conferma perché in questo momento non sono a casa per poterli verificare
"Lo scienziato descrive ciò che esiste, l'ingegnere crea ciò che non era mai stato."
(T. von Kármán)
(T. von Kármán)
0
voti
Ok. Per il ragionamento e le equazioni scritte invece tutto ok? Comunque ho fatto una sorta di verifica che non so se sia valida. Da queste correnti di maglia ho calcolato poi le tensioni dell'induttore e del resistore che essendo in parallelo devono essere uguali. E infatti lo sono (a meno di qualche centesimo di approssimazione). Posso fidarmi di una tale verifica?
0
voti
E' ovvio che venga lo stesso risultato, ma se c'è un errore di calcolo nelle correnti, questo errore si propaga anche nel calcolo della tensione, dandoti un risultato non corretto. Semmai puoi verificare le equazioni sostituendo i valori delle correnti che hai trovato. Alla fine con quale metodo risolvi il sistema? Puoi postare i passaggi?
"Lo scienziato descrive ciò che esiste, l'ingegnere crea ciò che non era mai stato."
(T. von Kármán)
(T. von Kármán)
0
voti
Ho dato in pasto a WolframAlpha il sistema come l'ho scritto io in [2] sostituendo i valori che naturalmente conoscevo, e mi ha fornito quei risultati che ho scritto sempre in [2].
Però ora provo a risolvere con Cramer il sistema che hai scritto tu. Se mi vengono gli stessi risultati posso dire di aver fatto bene?
Però ora provo a risolvere con Cramer il sistema che hai scritto tu. Se mi vengono gli stessi risultati posso dire di aver fatto bene?
0
voti
Potrei anche aver sbagliato io
Fai questa ulteriore verifica
"Lo scienziato descrive ciò che esiste, l'ingegnere crea ciò che non era mai stato."
(T. von Kármán)
(T. von Kármán)
2
voti
Ma perche' scomodare Cramer e le "correnti di maglia", qui basta applicare il metodo del "salmone"
Partendo da una "falsa" corrente unitaria su R4, e scelta una IL verso il basso ... "risalirei la corrente" e calcolerei la falsa E2

di conseguenza con una semplice proporzione "idraulica", determinerei la vera IL

Come abbiamo gia' discusso, e' metodo vecchio di 4000 anni , scritto su un papiro da Ahmes ... un "idraulico" egiziano
... ma funziona ancora, e alla grande 
Partendo da una "falsa" corrente unitaria su R4, e scelta una IL verso il basso ... "risalirei la corrente" e calcolerei la falsa E2

di conseguenza con una semplice proporzione "idraulica", determinerei la vera IL

Come abbiamo gia' discusso, e' metodo vecchio di 4000 anni , scritto su un papiro da Ahmes ... un "idraulico" egiziano

"Il circuito ha sempre ragione" (Luigi Malesani)
0
voti
dlbp ha scritto:Io per la corrente dell'induttore mi trovo con lo stesso risultato diRenzoDF a meno di una moltiplicazione per
. Quindi posso dire di aver svolto bene l'esercizio prima?
Per evitare questa domanda (e questa risposta), lo ho pure scritto di come sceglievo il verso della corrente nell'induttore
"Il circuito ha sempre ragione" (Luigi Malesani)
0
voti
jordan20 ha scritto:Se posso intromettermi, le equazioni di maglia le avrei scritte così (adottando i tuoi versi per le correnti cicliche):
Si potrebbe applicare Cramer a questo punto...
Nella seconda equazione ho sbagliato a scrivere K_2. E' R4 * K1
Comunque vabè, il mio era solo un modo veloce di scrivere il sistema... Il salmone vince su tutto!
"Lo scienziato descrive ciò che esiste, l'ingegnere crea ciò che non era mai stato."
(T. von Kármán)
(T. von Kármán)
0
voti
A questo punto ricavo,antitrasformando, i valori di
e di
e mi ricavo le condizioni iniziali
e
. Quindi punto inizio l'analisi della rete per t>0 notando che il generatore
si "spegne" (resta quindi solo
.
Il circuito diventa questo in poche parole:
A questo punto ricavo il circuito resistivo associato sostituendo ad ogni condensatore un generatore indipendente di tensione e ad ogni induttore un generatore indipendente di corrente.
Giusto?
e di
e mi ricavo le condizioni iniziali
e
. Quindi punto inizio l'analisi della rete per t>0 notando che il generatore
si "spegne" (resta quindi solo
.Il circuito diventa questo in poche parole:
A questo punto ricavo il circuito resistivo associato sostituendo ad ogni condensatore un generatore indipendente di tensione e ad ogni induttore un generatore indipendente di corrente.
Giusto?
0
voti
Da quello che hai scritto, intendo che voglia risolvere la rete mediante equazioni di stato... Si, puoi farlo. Puoi risolverlo ANCHE direttamente scrivendo l'equazione differenziale relativa a v4 o applicando Laplace... Fai tu 

"Lo scienziato descrive ciò che esiste, l'ingegnere crea ciò che non era mai stato."
(T. von Kármán)
(T. von Kármán)
Torna a Elettrotecnica generale
Chi c’è in linea
Visitano il forum: Nessuno e 73 ospiti

Elettrotecnica e non solo (admin)
Un gatto tra gli elettroni (IsidoroKZ)
Esperienza e simulazioni (g.schgor)
Moleskine di un idraulico (RenzoDF)
Il Blog di ElectroYou (webmaster)
Idee microcontrollate (TardoFreak)
PICcoli grandi PICMicro (Paolino)
Il blog elettrico di carloc (carloc)
DirtEYblooog (dirtydeeds)
Di tutto... un po' (jordan20)
AK47 (lillo)
Esperienze elettroniche (marco438)
Telecomunicazioni musicali (clavicordo)
Automazione ed Elettronica (gustavo)
Direttive per la sicurezza (ErnestoCappelletti)
EYnfo dall'Alaska (mir)
Apriamo il quadro! (attilio)
H7-25 (asdf)
Passione Elettrica (massimob)
Elettroni a spasso (guidob)
Bloguerra (guerra)




. Quindi posso dire di aver svolto bene l'esercizio prima?

