Potenza assorbita da un resistore in un circuito dinamico.
Moderatori:
g.schgor,
IsidoroKZ
32 messaggi
• Pagina 2 di 4 • 1, 2, 3, 4
0
voti
D'accordo. Avevo già capito il mio sbaglio e chiesto scusa. Questa ulteriore polemica mi sembra alquanto fuori luogo,non credi? 
-

AnnamariaCircuiti
2 3 - New entry

- Messaggi: 69
- Iscritto il: 11 lug 2011, 11:43
0
voti

2
voti
AnnamariaCircuiti ha scritto:[..]Questa ulteriore polemica mi sembra alquanto fuori luogo[..]
Non è una polemica, e non è nemmeno fuori luogo. E' ma una spiegazione, "casualmente" rivolta a te, che ha lo scopo di far capire alle altre centinaia di visitatori che leggono il forum, il perché non si deve sollecitare o pretendere una risposta.
Detto questo, devo dire che stai ponendo le domande come si deve con schemi FidocadJ, formule LateX e con procedimenti illustrati ( per t<0 il calcolo di
non è corretto)0
voti
Per calcolare
, visto che hai detto che è sbagliato il calcolo fatto in [1] (e concordo con te), devo applicare il partitore di corrente all'impedenza equivalente tra
e
e poi applicarlo di nuovo alle singole impedenze per trovare la corrente in
. E' sbagliata la mia idea?0
voti
dlbp ha scritto:[..] E' sbagliata la mia idea?
più che sbagliata, non si capisce cosa intendi. Invece di frasi ambigue devi scrivere formule con simbologia corretta

0
voti
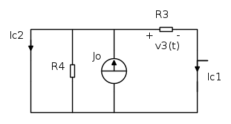
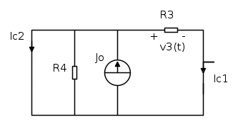
Se possibile vorrei avere un chiarimento. Visto che in [1] ho un generatore di corrente che per t>0 è composto da due termini (uno stazionario e uno sinusoidale), nel momento in cui ricavo il circuito resistivo associato e per ricavare le equazioni di stato applico la sovrapposizione degli effetti lasciando acceso solo il generatore di corrente di cui sopra, ottengo questa rete:
Il mio dilemma è questo: per risolvere questa rete e trovare quindi
e
per poi ottenere l'eq. differenziale, devo applicare la sovrapposizione degli effetti alla somma delle 2 correnti che il generatore imprime alla rete oppure devo considerare normalmente tutto il termine
?
Grazie
Il mio dilemma è questo: per risolvere questa rete e trovare quindi
e
per poi ottenere l'eq. differenziale, devo applicare la sovrapposizione degli effetti alla somma delle 2 correnti che il generatore imprime alla rete oppure devo considerare normalmente tutto il termine
?Grazie
0
voti
0
voti
dlbp ha scritto:RenzoDF le equazioni che hai scritto in [8] sono le equazioni di stato? Come faccio a ricavare l'equazione differenziale da quelle 2?
Premesso che quelle non sono "le equazioni di stato", da quelle due relazioni dove ho indicato con v la tensione fra i due nodi, usato la legge di Ohm generalizzata per il ramo di destra e una KCL per legare i3 e v

sostituendo la prima nella seconda avrei ricavato l'equazione differenziale in i3(t).
"Il circuito ha sempre ragione" (Luigi Malesani)
32 messaggi
• Pagina 2 di 4 • 1, 2, 3, 4
Torna a Elettrotecnica generale
Chi c’è in linea
Visitano il forum: Nessuno e 24 ospiti

Elettrotecnica e non solo (admin)
Un gatto tra gli elettroni (IsidoroKZ)
Esperienza e simulazioni (g.schgor)
Moleskine di un idraulico (RenzoDF)
Il Blog di ElectroYou (webmaster)
Idee microcontrollate (TardoFreak)
PICcoli grandi PICMicro (Paolino)
Il blog elettrico di carloc (carloc)
DirtEYblooog (dirtydeeds)
Di tutto... un po' (jordan20)
AK47 (lillo)
Esperienze elettroniche (marco438)
Telecomunicazioni musicali (clavicordo)
Automazione ed Elettronica (gustavo)
Direttive per la sicurezza (ErnestoCappelletti)
EYnfo dall'Alaska (mir)
Apriamo il quadro! (attilio)
H7-25 (asdf)
Passione Elettrica (massimob)
Elettroni a spasso (guidob)
Bloguerra (guerra)







