Togli il corto, calcoli la resistenza vista dai due nuovi morsetti, la tensione a vuoto e il rapporto tensione a vuoto/resistenza vista da` la corrente di cortocircuito.
Se vuoi mettere le resistenze a destra in parallelo puoi farlo, pero` devi calcolare alla fine la corrente nella resistenza che ti interessa con il partitore di corrente.
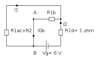
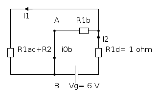
Partendo da qui, dove ho messo in evidenza un po' di correnti che serviranno dopo,
e si arriva qui, dove R1ab e` il parallelo di R1a e R1b. La corrente che cerchi e` fatta da due contributi, uno lo chiamo I0b e l'altro I0a, Ora serie di R1ab e R2 e metto in evidenza anche I2, che sara` la prima da calcolare.
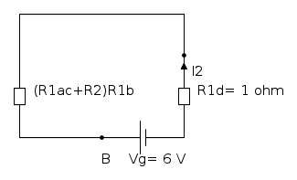
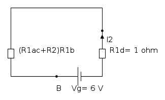
e questo punto si vede il parallelo fra le due resistenze R1ac+R2 e R1b, e si possono mettere in parallelo, cosi`, e finalmente calcolare la corrente I2

Dalla corrente I2, con un partitore di corrente si trova I1 e I0b:


Dato I1, con un altro partitore di corrente fra R1a e R1c si trova l'altro contributo di corrente I0a

e infinine

Il motivo di tutti questi passaggi e` che si puo` scrivere al volo il valore di I0, e calcolarlo con una sola passata di calcolatrice:

E questa espressione, per terribile che possa apparire, la si scrive al volo con legge di Ohm e partitori di corrente, e la si calcola con una sola passata di calcolatrice usando bene le memorie (non usando il SOA o come si chiama il sistema operativo algebrico) o meglio ancora usando una calcolatrice in RPN con uno stack decente.

Elettrotecnica e non solo (admin)
Un gatto tra gli elettroni (IsidoroKZ)
Esperienza e simulazioni (g.schgor)
Moleskine di un idraulico (RenzoDF)
Il Blog di ElectroYou (webmaster)
Idee microcontrollate (TardoFreak)
PICcoli grandi PICMicro (Paolino)
Il blog elettrico di carloc (carloc)
DirtEYblooog (dirtydeeds)
Di tutto... un po' (jordan20)
AK47 (lillo)
Esperienze elettroniche (marco438)
Telecomunicazioni musicali (clavicordo)
Automazione ed Elettronica (gustavo)
Direttive per la sicurezza (ErnestoCappelletti)
EYnfo dall'Alaska (mir)
Apriamo il quadro! (attilio)
H7-25 (asdf)
Passione Elettrica (massimob)
Elettroni a spasso (guidob)
Bloguerra (guerra)





instead of
(Anonimo).
ain't
, right?
in lieu of
.
for
arithm.



