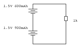
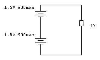
il circuito (cioè la resistenza) con 3V ai capi chiede
, la batterie riescono a erogarli senza problemi fintanto che una non si scarica, e si scaricherà probabilmente prima quella da 600mAh. Una volta scarica una questa farà da resistenza, ma quando succede il circuito probabilmente non funzionerà già più e quindi andrà sostituita o ricaricata, ma questo è un altro discorso, finché non si scaricano entrambe erogano la stessa corrente.
Elettrotecnica e non solo (admin)
Un gatto tra gli elettroni (IsidoroKZ)
Esperienza e simulazioni (g.schgor)
Moleskine di un idraulico (RenzoDF)
Il Blog di ElectroYou (webmaster)
Idee microcontrollate (TardoFreak)
PICcoli grandi PICMicro (Paolino)
Il blog elettrico di carloc (carloc)
DirtEYblooog (dirtydeeds)
Di tutto... un po' (jordan20)
AK47 (lillo)
Esperienze elettroniche (marco438)
Telecomunicazioni musicali (clavicordo)
Automazione ed Elettronica (gustavo)
Direttive per la sicurezza (ErnestoCappelletti)
EYnfo dall'Alaska (mir)
Apriamo il quadro! (attilio)
H7-25 (asdf)
Passione Elettrica (massimob)
Elettroni a spasso (guidob)
Bloguerra (guerra)









