da
RenzoDF » 11 ott 2012, 17:58
Assumendo i riferimenti di figura
avremo che I2= - I1 e quindi

dalle quali usando la KVL alla maglia destra

che porta a

--------------------------------------
Edit Si può poi (per esempio) usare un GIC forzante unitario per ricavare, dopo aver "spento" i generatori indipendenti, la ZTh dalla VJ ai suoi morsetti; in questo caso, le equazioni costitutive del doppio bipolo induttore si semplificano grazie alla

nelle

dalle quali grazie alla KVL


--------------------------------------
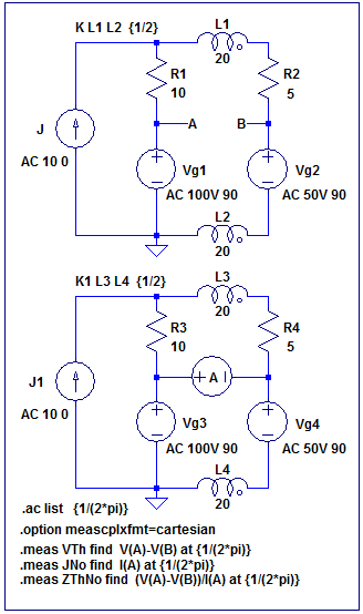
Edit 2Per la ricerca dei parametri del circuito equivalente con LTspice

- 2012-10-12_112223.gif (10.88 KiB) Osservato 477 volte
per ottenere con un CTR-L

- 2012-10-12_112313.gif (11.14 KiB) Osservato 477 volte