SignorinaTasty ha scritto:Potete spiegarmi come riconoscerle facilmente, semplicemente guardando il circuito ? Insomma, c'è un trucchetto che mi faccia capire quando sono in serie o in parallelo?
Resistenze in serie: Due o più resistenze sono collegate in serie quando sono percorse dalla stessa corrente (ai loro capi hanno tensioni diverse).
In questo caso vale:

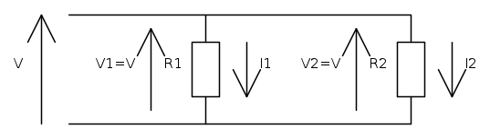
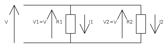
Resistenze in parallelo: Due o più resistenze sono collegate in parallelo quando ai loro capi hanno la stessa tensione (quindi sono percorse da diverse correnti).
In questo caso vale:

Spero di esserti stato utile scrivendoti le definizioni. Comunque guardati il blog di lillo, che ha fatto un lavoro utilissimo sulle basi di elettrotecnica:
http://www.electroyou.it/lillo/wiki/reti


Elettrotecnica e non solo (admin)
Un gatto tra gli elettroni (IsidoroKZ)
Esperienza e simulazioni (g.schgor)
Moleskine di un idraulico (RenzoDF)
Il Blog di ElectroYou (webmaster)
Idee microcontrollate (TardoFreak)
PICcoli grandi PICMicro (Paolino)
Il blog elettrico di carloc (carloc)
DirtEYblooog (dirtydeeds)
Di tutto... un po' (jordan20)
AK47 (lillo)
Esperienze elettroniche (marco438)
Telecomunicazioni musicali (clavicordo)
Automazione ed Elettronica (gustavo)
Direttive per la sicurezza (ErnestoCappelletti)
EYnfo dall'Alaska (mir)
Apriamo il quadro! (attilio)
H7-25 (asdf)
Passione Elettrica (massimob)
Elettroni a spasso (guidob)
Bloguerra (guerra)






