Vi ringrazione ad entrambi per le risposte...Sono riuscito a calcolare al Eequivalente....
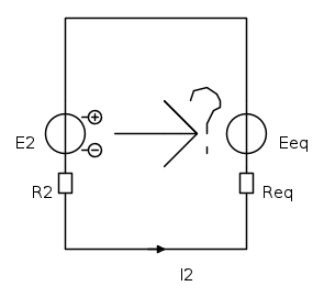
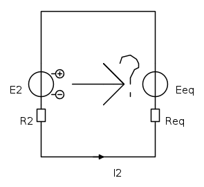
Adesso arrivato al circuito finale di Thevenin come le metto le polarità ad Eeq??
Risoluzione circuito elettrico con Thevenin.
Moderatori:
g.schgor,
IsidoroKZ
17 messaggi
• Pagina 2 di 2 • 1, 2
0
voti
Puoi metterla concorde ad E2
La I2 sarà :

felice di esserti stato utile ed un consiglio , inizia ad applicare Millman, è facile e spesso ti semplifica la vita
ciauz
La I2 sarà :

felice di esserti stato utile ed un consiglio , inizia ad applicare Millman, è facile e spesso ti semplifica la vita
0
voti
LesStrato...Grazie mille...
QUindi le polarità sono a piacere o bisogna seguire una regola?
Adesso vado a ninna che domani alle 08:00 ho elettro in prima ora ....
Grazie ragazzi !!! VEramente gentili
QUindi le polarità sono a piacere o bisogna seguire una regola?
Adesso vado a ninna che domani alle 08:00 ho elettro in prima ora ....
Grazie ragazzi !!! VEramente gentili1
voti
ludojjj ha scritto:..Sono riuscito a calcolare al Eequivalente....
Adesso arrivato al circuito finale di Thevenin come le metto le polarità ad Eeq??
Quanto ti viene?
La polarità non è "a piacere" dipende da che cosa hai calcolato, se hai calcolato Vab come dai primi disegni devi mettere il generatore di Thevenin con il positivo verso a.
Ovviamente l'opposto se hai Vba....
Comunque se il valore numerico è negativo... potresti anche "rigirarlo" e cambiare segno, dipende da come ti trovi meglio
Se ti serve il valore di beta: hai sbagliato il progetto!
0
voti
ludojjj ha scritto:QUindi le polarità sono a piacere o bisogna seguire una regola?
Beh te lo dicevo anche prima , non sono regole ma convenzioni , puoi sceglierle come ti pare ma l'importante è che rispetti le tue ipotesi fino alla fine... per le correnti puoi ad esempio assumere che tutte quelli entranti in un nodo siano positive e quelle uscenti negative , per le tensioni ti scegli un verso di percorrenza e se ad esempio antiorario assumi che tutte le freccie che seguono con la punta il tuo verso siano positive e quelle che collidono negative
0
voti
ludojjj ha scritto:GENERATORI ELETTRICI IN CONTINUA E IN ALTERNATA
Esistono generatori elettrici in continua e in alternata.
Riguardo ai generatori in continua:
- essi forniscono tensioni la cui polarità non si inverte mai nel tempo, nel senso che il terminale convenzionalmente positivo del generatore è realmente a potenziale più alto di quello negativo e la situazione non si inverte mai
- le eventuali correnti determinati da un generatori in continua percorrono il circuito sempre nello stesso verso (uscente dal morsetto positivo del generatore) senza invertirlo mai....
Per convenzione questo è vero se consideri un generatore da solo(poi in verità i versi li puoi prendere come vuoi tu, puoi crearti la tua convenzione, l'importante è che la rispetti coerentemente). Comunque in questo caso la tensione impressa dagli altri generatori vince quella impressa dal generatore
. Se calcoli infatti la tensione tra i nodi A e B con Millman come ti è stato suggerito vedi che è maggiore della tensione impressa da
. La corrente quindi avrà per forza quel segno.1
voti
LesStrato ha scritto:[...] puoi calcolarti la tensione tra i 2 punti così:
[...]
Scritta così è sbagliata

comunque non vedo proprio il motivo di introdurre una notazione del genere con uno studente di prima superiore
LesStrato ha scritto:[...]
Beh te lo dicevo anche prima , non sono regole ma convenzioni , puoi sceglierle come ti pare ma l'importante è che rispetti le tue ipotesi fino alla fine... [...]
anche qui non è che sia proprio convinto.... Il generatore di Thevenin lo devi mettere concorde alla tensione a circuito aperto che hai calcolato prima
Se calcoli Vab allora Eeq avrà il positivo verso a
Se calcoli Vba allora Eeq avrà il positivo verso b
In entrambi i casi il valore numerico di Eeq può anche essere negativo (anzi ovviamente in uno dei due lo è di sicuro a meno che non sia zero) ma questo non c'entra niente con la polarita nello schema del generatore equivalente.
Poi, come già detto, se ti piace, ad esempio in caso di Eeq<0, puoi invertire segno e orientamento, io lo farei, ma è solo perché "vedo meglio" quello che succede....
Infine
Se ti serve il valore di beta: hai sbagliato il progetto!
17 messaggi
• Pagina 2 di 2 • 1, 2
Torna a Elettrotecnica generale
Chi c’è in linea
Visitano il forum: Nessuno e 121 ospiti

Elettrotecnica e non solo (admin)
Un gatto tra gli elettroni (IsidoroKZ)
Esperienza e simulazioni (g.schgor)
Moleskine di un idraulico (RenzoDF)
Il Blog di ElectroYou (webmaster)
Idee microcontrollate (TardoFreak)
PICcoli grandi PICMicro (Paolino)
Il blog elettrico di carloc (carloc)
DirtEYblooog (dirtydeeds)
Di tutto... un po' (jordan20)
AK47 (lillo)
Esperienze elettroniche (marco438)
Telecomunicazioni musicali (clavicordo)
Automazione ed Elettronica (gustavo)
Direttive per la sicurezza (ErnestoCappelletti)
EYnfo dall'Alaska (mir)
Apriamo il quadro! (attilio)
H7-25 (asdf)
Passione Elettrica (massimob)
Elettroni a spasso (guidob)
Bloguerra (guerra)






