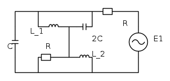
Mi sono poi fermato qui dato che dai miei calcoli non trovo che ci sia risonanza, ho proseguito utilizzando il metodo delle tensioni nodali, senza effettuare trasformazioni sugli induttori!!
io ottengo questo ed i valori sono:

Moderatori:
g.schgor,
IsidoroKZ

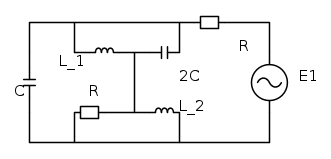
Pando ha scritto:Lo metto anche qua! io ho solamente calcolato i valori delle riluttanze, delle induttanze e il valore del muto accoppiamento.
Pando ha scritto:ahahah scusami ho sbagliato io nella fretta di scriverle le correggo subito!!!
RenzoDF ha scritto: io le riluttanze me le ricordavo sempre esageratamente "grandi"; ricordo male?
Pando ha scritto:che ''no comment'' per il mio errore/orrore!!!
Pando ha scritto:... comunque sto cercando di scriverle ma ho poca manualita in latex!
Torna a Elettrotecnica generale
Visitano il forum: Nessuno e 44 ospiti