Teorema di Tellegen
Moderatori:
g.schgor,
IsidoroKZ
23 messaggi
• Pagina 2 di 3 • 1, 2, 3
1
voti
volcom88 ha scritto:... non riesco a trovare l'errore...
A vedere come le scrivi direi che hai applicato una metodologia molto in voga in ambiente H-demico, ma che personalmente ritengo inutile e soprattutto "pericolosa"; io a partire da H e percorrendo la maglia in senso antiorario,
usando il "metodo delle salite e discese elettriche", scriverei, la KVL come segue

"Il circuito ha sempre ragione" (Luigi Malesani)
0
voti
Riguardando bene il disegno ho commesso un errore nel disegnarlo. Corretto è cosi:
Ho utilizzato il metodo "pericoloso" perché fino ad oggi mi ci sono trovato bene e vorrei capire dove sbaglio.
Per quanto riguarda la prima maglia, considerando per tutte e tre le maglie il senso orario, non riesco a capire l'errore perché i due generatori sono entrambi positivi (seguendo il senso orario) mentre le resistenze di I(a) sono positive e quelle di I(b) sono negative...
Ps: con il tuo metodo come si scelgono i segni??
perché Z(R) è negativa??
Ho utilizzato il metodo "pericoloso" perché fino ad oggi mi ci sono trovato bene e vorrei capire dove sbaglio.
Per quanto riguarda la prima maglia, considerando per tutte e tre le maglie il senso orario, non riesco a capire l'errore perché i due generatori sono entrambi positivi (seguendo il senso orario) mentre le resistenze di I(a) sono positive e quelle di I(b) sono negative...
volcom88 ha scritto:
Ps: con il tuo metodo come si scelgono i segni??
RenzoDF ha scritto:volcom88 ha scritto:... non riesco a trovare l'errore...
A vedere come le scrivi direi che hai applicato una metodologia molto in voga in ambiente H-demico, ma che personalmente ritengo inutile e soprattutto "pericolosa"; io a partire da H e percorrendo la maglia in senso antiorario,
usando il "metodo delle salite e discese elettriche", scriverei, la KVL come segue
perché Z(R) è negativa??
2
voti
volcom88 ha scritto:Riguardando bene il disegno ho commesso un errore nel disegnarlo. Corretto è cosi:
Se cambi le carte in tavola, non vale!
volcom88 ha scritto: Per quanto riguarda la prima maglia,...non riesco a capire l'errore
... cambiando verso alle correnti di maglia, l'errore non esiste più.
volcom88 ha scritto: ... con il tuo metodo come si scelgono i segni?? ... perché Z(R) è negativa??
I segni li scelgo in base alle "salite" e alle "discese" del potenziale lungo il percorso e il segno negativo non è relativo all'impedenza ma alla "discesa", ovvero al passaggio dal morsetto positivo (dove la corrente entra nel bipolo) al morsetto negativo nel morsetto d'uscita.
Ora ho comunque ricontrollato il tuo sistema con le nuove convenzioni per le correnti di maglia ed è corretto, come corretta è la soluzione del sistema, ovvero le correnti di maglia così come quelle di lato
Edit --------------------------------------------------
visto che avevo un po' di tempo da perdere ... per quanto riguarda le potenze
"Il circuito ha sempre ragione" (Luigi Malesani)
0
voti
Intanto grazie mille per aver svolto tutto l'esercizio!! Però purtroppo io sono fermo su I(A) perché ci vengono due valori leggermente diversi:
La parte reale di I(A) a me viene 4,613 a te 4,161... L'ho rifatto due volte a mano e con mathcad ma continua a venirmi cosi
... (anche la parte immaginaria diverge di 2 millesimi
)
Però a te le potenze fanno zero e a me no...
La parte reale di I(A) a me viene 4,613 a te 4,161... L'ho rifatto due volte a mano e con mathcad ma continua a venirmi cosi
... (anche la parte immaginaria diverge di 2 millesimi Però a te le potenze fanno zero e a me no...
2
voti
volcom88 ha scritto:La parte reale di I(A) a me viene 4,613 a te 4,161...
Hai ragione, mi ero accorto dell'errore ma mi sono dimenticato di aggiornare la prima immagine e togliere il dubbio sulle correnti di lato, corrette pure quelle; la seconda parte dei calcoli, quelli relativi alle potenze usano infatti 4.612 A.
Ho ora aggiornato e corretto il post [14] .
"Il circuito ha sempre ragione" (Luigi Malesani)
0
voti
Ora i calcoli tornano! Era giusto fin dal principio ma avevo sbagliato a trovare la potenza complessa di Z(2)...
Ps. una curiosità: in un circuito in cc monofase la somma delle potenze delle resistenze deve essere uguale alla somma delle potenze dei generatori? perché ho preso una decina di esercizi già fatti ed ho provato: la somma delle due potenze non torna mai uguale a zero... Se serve posso postare un esempio...
Ps. una curiosità: in un circuito in cc monofase la somma delle potenze delle resistenze deve essere uguale alla somma delle potenze dei generatori? perché ho preso una decina di esercizi già fatti ed ho provato: la somma delle due potenze non torna mai uguale a zero... Se serve posso postare un esempio...
3
voti
volcom88 ha scritto:... in un circuito in cc monofase la somma delle potenze delle resistenze deve essere uguale alla somma delle potenze dei generatori?
(Premesso che per un circuito in corrente continua non ha senso parlare di "monofase" in quanto le fasi non esistono fra le grandezze continue, ma solo fra quelle alternate!)
Si, deve esistere un bilanciamento delle potenze, ma ovviamente la somma delle potenze assorbite dai resistori sarà pari alla sola potenza attiva generata, sempre se e solo se consideriamo la somma algebrica delle potenze generate dai generatori; questo esercizio d'altra parte ne è già un esempio.
volcom88 ha scritto: ... Se serve posso postare un esempio...
Ok
BTW tanto per completare il discorso sul problema del thread, direi che alla domanda del testo "verificare il teorema di Tellegen" si poteva (anzi forse si doveva) rispondere in modo diverso, ovvero non pensando a Boucherot (che non lo dimostra, essendo un caso particolare dello stesso), ma bensì andando a dimostrarlo topologicamente, via due qualsiasi reti di pari grafo.
"Il circuito ha sempre ragione" (Luigi Malesani)
0
voti
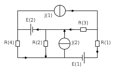
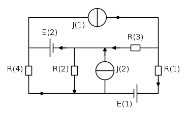
Dati:














(posto direttamente i risultati perché ho controllato il circuito con circuit simulator)
Trovo la somma delle potenze delle resistenze:

E la confronto con la potenza dei generatori:

2
voti
Viste le convenzioni che hai assunto per le tensioni ... e che non hai indicato

che porta alla seguente somma algebrica delle potenze generate

Sastanzialmente hai assunto per un GIC la convenzione dei generatori e per l'altro quella degli utilizzatori.
BTW sugli schemi si scrivono direttamente i valori di resistenze e generatori, non lettere + legenda

che porta alla seguente somma algebrica delle potenze generate

Sastanzialmente hai assunto per un GIC la convenzione dei generatori e per l'altro quella degli utilizzatori.
BTW sugli schemi si scrivono direttamente i valori di resistenze e generatori, non lettere + legenda
"Il circuito ha sempre ragione" (Luigi Malesani)
23 messaggi
• Pagina 2 di 3 • 1, 2, 3
Torna a Elettrotecnica generale
Chi c’è in linea
Visitano il forum: Nessuno e 97 ospiti

Elettrotecnica e non solo (admin)
Un gatto tra gli elettroni (IsidoroKZ)
Esperienza e simulazioni (g.schgor)
Moleskine di un idraulico (RenzoDF)
Il Blog di ElectroYou (webmaster)
Idee microcontrollate (TardoFreak)
PICcoli grandi PICMicro (Paolino)
Il blog elettrico di carloc (carloc)
DirtEYblooog (dirtydeeds)
Di tutto... un po' (jordan20)
AK47 (lillo)
Esperienze elettroniche (marco438)
Telecomunicazioni musicali (clavicordo)
Automazione ed Elettronica (gustavo)
Direttive per la sicurezza (ErnestoCappelletti)
EYnfo dall'Alaska (mir)
Apriamo il quadro! (attilio)
H7-25 (asdf)
Passione Elettrica (massimob)
Elettroni a spasso (guidob)
Bloguerra (guerra)








