Samatarou ha scritto:... Fin qui procedo giusto?
Purtroppo no:
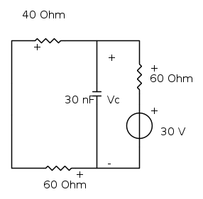
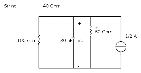
a) il sistema è ancora una volta errato
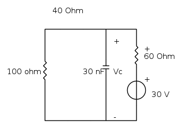
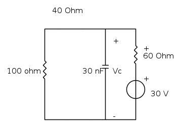
b) l'anello di sinistra può non essere considerato, per quanto riguarda il transitorio
c) anche in questo caso non serve nessun sistema, basta determinare il circuito equivalente secondo Thevenin "visto" dal condensatore e quindi sostanzialmente è sufficiente applicare Ohm per determinare la corrente I=30/160 nella rete privata di C, e quindi Eth=30-60I e Rth=60||100=75/2 .
d) noti i suddetti valori l'evoluzione della tensione su C si userà la ben nota relazione notevole relativa ai transitori con una sola costante di tempo
![{{v}_{C}}(t)={{v}_{C}}(\infty )+\left[ {{v}_{C}}(0)-{{v}_{C}}(\infty ) \right]\,{{e}^{-\frac{t}{\tau }}} {{v}_{C}}(t)={{v}_{C}}(\infty )+\left[ {{v}_{C}}(0)-{{v}_{C}}(\infty ) \right]\,{{e}^{-\frac{t}{\tau }}}](/forum/latexrender/pictures/6ebf5b99a05ba28c692733ac236827ec.png)
ovvero, non serve risolvere nessuna equazione differenziale

Elettrotecnica e non solo (admin)
Un gatto tra gli elettroni (IsidoroKZ)
Esperienza e simulazioni (g.schgor)
Moleskine di un idraulico (RenzoDF)
Il Blog di ElectroYou (webmaster)
Idee microcontrollate (TardoFreak)
PICcoli grandi PICMicro (Paolino)
Il blog elettrico di carloc (carloc)
DirtEYblooog (dirtydeeds)
Di tutto... un po' (jordan20)
AK47 (lillo)
Esperienze elettroniche (marco438)
Telecomunicazioni musicali (clavicordo)
Automazione ed Elettronica (gustavo)
Direttive per la sicurezza (ErnestoCappelletti)
EYnfo dall'Alaska (mir)
Apriamo il quadro! (attilio)
H7-25 (asdf)
Passione Elettrica (massimob)
Elettroni a spasso (guidob)
Bloguerra (guerra)










