Cos'è ElectroYou | Login Iscriviti

ElectroYou - la comunità dei professionisti del mondo elettrico

Elettricità e potenziale elettrico

Circuiti, campi elettromagnetici e teoria delle linee di trasmissione e distribuzione dell’energia elettrica

Moderatori: Foto Utenteg.schgor, Foto UtenteIsidoroKZ

0
voti

[11] Re: Elettricità e potenziale elettrico

Messaggioda Foto UtenteEcoTan » 15 mar 2014, 12:38

cianfa72 ha scritto:non mi torna pero' il discorso del generatore: nel ns caso l'accumulatore e' in grado di rifornire continuativamente le cariche sui morsetti (non lo vedrai pertanto quindi come un caso di elettricita' statica...)

Questo è punto è stato chiarito nell'intervento poco sopra, con cui concordo.
Avatar utente
Foto UtenteEcoTan
7.720 4 12 13
Expert EY
Expert EY
 
Messaggi: 5424
Iscritto il: 29 gen 2014, 8:54

0
voti

[12] Re: Elettricità e potenziale elettrico

Messaggioda Foto Utentecianfa72 » 15 mar 2014, 12:56

EcoTan ha scritto:Questo è punto è stato chiarito nell'intervento poco sopra, con cui concordo.

cioe' ? (tanto per fugare ogni dubbio...)
Avatar utente
Foto Utentecianfa72
56 3 7
Stabilizzato
Stabilizzato
 
Messaggi: 408
Iscritto il: 23 mar 2011, 16:07

0
voti

[13] Re: Elettricità e potenziale elettrico

Messaggioda Foto Utentekarmel » 15 mar 2014, 13:20

cianfa72 ha scritto:grazie della risposta...


Rispondo a cianfa72
1-Il conduttore di protezione puo' avere un potenziale verso terra diverso da zero per eventuali correnti di dispersioni fisiologiche o di guasto che lo attraversano( e per le resistenze dei suoi collegamenti e del dispersore).
2-la resistenza da 1Mohm citata e' proprio la resistenza interna del voltmetro inserita tra il polo dell'accum. e il polo di terra.
Saluti
Avatar utente
Foto Utentekarmel
55 1 2
 
Messaggi: 17
Iscritto il: 27 gen 2014, 23:16

0
voti

[14] Re: Elettricità e potenziale elettrico

Messaggioda Foto UtenteEcoTan » 15 mar 2014, 14:05

cianfa72 ha scritto:
EcoTan ha scritto:Questo è punto è stato chiarito nell'intervento poco sopra, con cui concordo.

cioe' ? (tanto per fugare ogni dubbio...)

L'intervento di DirtyDeeds
Avatar utente
Foto UtenteEcoTan
7.720 4 12 13
Expert EY
Expert EY
 
Messaggi: 5424
Iscritto il: 29 gen 2014, 8:54

0
voti

[15] Re: Elettricità e potenziale elettrico

Messaggioda Foto Utentecianfa72 » 15 mar 2014, 15:40

per karmel (e tutti): ho provato a schematizzare il circuito che si andrebbe a creare (nella figura il potenziale di Terra e' intermedio al potenziale dei 2 morsetti dell'accumulatore (morsetto superiore ed inferiore) - la resist. da 1Mohm rappresenta la resist. interna del voltmetro mentre le due resist. da 100Mohm e i condensatori tengono conto dell'isolamento e della capacita' dei morsetti dell'accumulatore verso Terra)
Terra.jpg
Terra.jpg (14.47 KiB) Osservato 7029 volte

quindi se ho ben capito il ragionamento il rapporto di partizione e' circa 1/100 (in realta' < 1/100) ed in ogni caso la corrente che attraversa il voltmetro e' talmente bassa che darebbe luogo ad una misura nulla :!:
Avatar utente
Foto Utentecianfa72
56 3 7
Stabilizzato
Stabilizzato
 
Messaggi: 408
Iscritto il: 23 mar 2011, 16:07

1
voti

[16] Re: Elettricità e potenziale elettrico

Messaggioda Foto UtenteDirtyDeeds » 15 mar 2014, 15:54

Gli schemi falli con FidocadJ, altrimenti non possiamo modificarli. Quello schema non rappresenta bene la situazione che hai descritto in [1].
It's a sin to write sin instead of \sin (Anonimo).
...'cos you know that cos ain't \cos, right?
You won't get a sexy tan if you write tan in lieu of \tan.
Take a log for a fireplace, but don't take log for \logarithm.
Avatar utente
Foto UtenteDirtyDeeds
55,9k 7 11 13
G.Master EY
G.Master EY
 
Messaggi: 7012
Iscritto il: 13 apr 2010, 16:13
Località: Somewhere in nowhere

1
voti

[17] Re: Elettricità e potenziale elettrico

Messaggioda Foto Utentecianfa72 » 15 mar 2014, 17:21

ecco qui (scusate...e' la prima volta che uso FidocadJ). Ho fatto anche una modifica circuitale
Avatar utente
Foto Utentecianfa72
56 3 7
Stabilizzato
Stabilizzato
 
Messaggi: 408
Iscritto il: 23 mar 2011, 16:07

0
voti

[18] Re: Elettricità e potenziale elettrico

Messaggioda Foto Utentekarmel » 15 mar 2014, 17:37

Possiamo semplificare.Puoi togliere le capacita' siamo in cc e il parallelo fra R1 e Rvoltm e' circa uguale a Rvoltm.
saluti
Avatar utente
Foto Utentekarmel
55 1 2
 
Messaggi: 17
Iscritto il: 27 gen 2014, 23:16

2
voti

[19] Re: Elettricità e potenziale elettrico

Messaggioda Foto UtenteDirtyDeeds » 16 mar 2014, 8:53

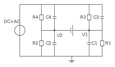
Questo qui sotto è un modello circuitale più realistico che tiene conto anche di altre sorgenti di disturbo, sia DC che AC (p.es. rete a 230 V):



Capisci quindi che i potenziali V_1 e V_2 dei due poli della batteria rispetto a terra dipendono da vari fattori esterni e non veramente dalla batteria. I parametri parassiti, poi, sono estremamente variabili e dipendono dall'ambiente, dallo stato della superficie della batteria, da temperatura, umidità ecc. Le costanti di tempo poi possono essere anche di parecchi minuti.

Ammettendo di inventarsi delle condizioni al contorno accettabili per mezzo di una schermatura di riferimento, si potrebbe pensare di misurare il potenziale di un polo con metodo potenziometrico, secondo uno schema del tipo seguente:



Come detto, però, anche ammettendo di riuscire a fare tale misura (ma è dura), il suo significato rimarrebbe questionabile perché dipenderebbe dalle resistenze parassite R_1 e R_2.
It's a sin to write sin instead of \sin (Anonimo).
...'cos you know that cos ain't \cos, right?
You won't get a sexy tan if you write tan in lieu of \tan.
Take a log for a fireplace, but don't take log for \logarithm.
Avatar utente
Foto UtenteDirtyDeeds
55,9k 7 11 13
G.Master EY
G.Master EY
 
Messaggi: 7012
Iscritto il: 13 apr 2010, 16:13
Località: Somewhere in nowhere

0
voti

[20] Re: Elettricità e potenziale elettrico

Messaggioda Foto Utentecianfa72 » 16 mar 2014, 16:54

Due domande:

1- la connessione tra l'accumulatore (schermato) e il voltmetro avviene con cavo (coassiale) schermato ?
2- cosa e' e che funzione ha l'Amplificatore di guardia ?

grazie
Avatar utente
Foto Utentecianfa72
56 3 7
Stabilizzato
Stabilizzato
 
Messaggi: 408
Iscritto il: 23 mar 2011, 16:07

PrecedenteProssimo

Torna a Elettrotecnica generale

Chi c’è in linea

Visitano il forum: Nessuno e 47 ospiti