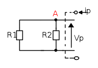
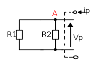
Quella tra R1 e R2 è una maglia chiusa, possiamo "invocare" la LKT, cosa dice?
Poi nel nodo A, possiamo applicare la LKC?
Esercizio equivalente di Thevenin
Moderatori:
g.schgor,
IsidoroKZ
14 messaggi
• Pagina 2 di 2 • 1, 2
0
voti
Che 
Ma resistori paralleli significa stessa tensione?

Electro ha scritto:Bingo!!
V1-V2=0, un breve passaggio matematico, sposto V2 da primo a secondo membro: V1=V2!!!
Ma resistori paralleli significa stessa tensione?
0
voti
Quello lì prendilo per un errore mio, in realtà è giustificabile, ma lascia stare, hai fatto bene tu a scrivere V1-V2=0.
Certo, due bipoli in parallelo sono sottoposti alla stessa tensione.
Non capisco perché stai svolgendo questi esercizi senza le basi.
Ma cosa studi?
Certo, due bipoli in parallelo sono sottoposti alla stessa tensione.
Non capisco perché stai svolgendo questi esercizi senza le basi.
Ma cosa studi?
"La progettazione, il primo presidio della sicurezza" [Michele Guetta]
0
voti
Ingegneria informatica e dell'automazione.Ma guarda che il concetto l'ho capito e infatti l'ho saputo esporre nei precedenti post.Il mio problema è riscontrabile nella risoluzione pratica dovuta ai molti dubbi che sto avendo tuttora.Cio' che hai scritto tu e cioè v2+v1=0 l'ho pensato anch'io ed è per questo motivo che non ho considerato i due resistori in parallelo perché V2=-V1 e quindi diversa tensione.
14 messaggi
• Pagina 2 di 2 • 1, 2
Torna a Elettrotecnica generale
Chi c’è in linea
Visitano il forum: Nessuno e 45 ospiti

Elettrotecnica e non solo (admin)
Un gatto tra gli elettroni (IsidoroKZ)
Esperienza e simulazioni (g.schgor)
Moleskine di un idraulico (RenzoDF)
Il Blog di ElectroYou (webmaster)
Idee microcontrollate (TardoFreak)
PICcoli grandi PICMicro (Paolino)
Il blog elettrico di carloc (carloc)
DirtEYblooog (dirtydeeds)
Di tutto... un po' (jordan20)
AK47 (lillo)
Esperienze elettroniche (marco438)
Telecomunicazioni musicali (clavicordo)
Automazione ed Elettronica (gustavo)
Direttive per la sicurezza (ErnestoCappelletti)
EYnfo dall'Alaska (mir)
Apriamo il quadro! (attilio)
H7-25 (asdf)
Passione Elettrica (massimob)
Elettroni a spasso (guidob)
Bloguerra (guerra)


