D'accordo, ma la questione per cui è nato questo thread non era (è) come risolvere circuiti a bipolari, bensì "è lecito usare la sovrapposizione degli effetti in presenza di generatori pilotati?"
Andiamo con ordine: io avevo proposto questo esempio:
L'unica cosa che ha senso calcolare è la tensione ai capi del generatore di corrente, che vale ovviamente

.
Volendo usare la sovrapposizione scompongo il tutto in 2 sottocircuiti; il primo è:
Dove il generatore pilotato è stato 'spento' come se fosse indipendente.

, quindi

.
Il secondo sottocircuito invece è:
Dove

, quindi anche

. Allora

.
Per la sovrapposizione

, il che è falso. Allora la sovrapposizione degli effetti non vale.
A questo punto è intervenuto
admin, dicendo che l'errore in questo ragionamento è che la variabile di controllo, ovvero

, deve essere quella del circuito completo, quindi (anche) nel secondo sottorcircuito

. Così facendo i conti ovviamente tornano.
Ma il principio di sovrapposizione sostiene che "l'effetto risultante di una somma di cause è la somma degli effetti risultanti di ciascuna causa,
assunte inesistenti le altre".
Quindi i due sottocircuiti non devono "comunicare", devono essere completamente indipendenti e risolvibili separatamente, senza sapere nulla l'uno dell'altro. Pertanto, non è lecito imporre

, perché quel dato (

) non è presente nel secondo sottocircuito!
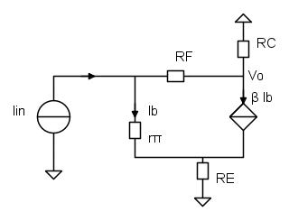
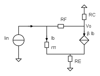
Il secondo esempio proposto era quello del BJT: se impongo una corrente di base non nulla, allora non è nulla nemmeno la corrente di collettore. Se volessi usare la sovrapposizione, dovrei porre a zero la corrente di base e valutare la corrente di collettore, che però diventerebbe zero anch'essa! Usando il 'metodo admin', dovrei "salvare in memoria" il valore di

nel circuito completo, poi porre a zero

, e infine inserire il valore "memorizzato" nella relazione

. E' ovvio che così i conti tornano, ma non ho affatto applicato il principio di sovrapposizione, bensì....la LKC!