Come prima cosa direi di adeguarci alla netiquette, che prevede che sui forum ci si dia tutti del tu.
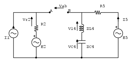
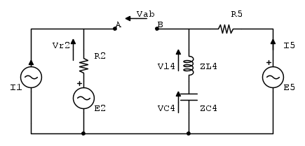
Come seconda cosa direi che il risultato dipenda dai segni, poi mi sembra non sia stato considerato E2.
Piccolo circuitino
Moderatori:
g.schgor,
IsidoroKZ
15 messaggi
• Pagina 2 di 2 • 1, 2
0
voti
-

PietroBaima
90,7k 7 12 13 - G.Master EY

- Messaggi: 12206
- Iscritto il: 12 ago 2012, 1:20
- Località: Londra
0
voti
Pietro scusami non sono molto pratico dei forum e non sapevo questa buona norma!
Comunque tralasciando il risultato che poco mi interessa, il ragionamento è giusto?
P.S. Ho dimenticato di scrivere E2 nel LKT.
Comunque tralasciando il risultato che poco mi interessa, il ragionamento è giusto?
P.S. Ho dimenticato di scrivere E2 nel LKT.
0
voti
nessun problema, non devi chiedere scusa!
anyway, i segni sono una parte importante in un circuito, perché possono essere arbitari ma devono essere congruenti in tutto lo schema e in tutte le formule.
Per esempio io non ho capito se sai correttamente sottrarre le due tensioni provenienti dalle due maglie per scrivere correttamente la tensione che ti interessa trovare.
In linea di principio (a parte quanto hai dimenticato) sembra giusto. Se vuoi che ne sia certo devi riportare i versi di tutte le tensioni e correnti sullo schema e riportare la formula che pensi sia giusta in funzione di quelle convenzioni da te adoperate.
Ciao,
Pietro.
anyway, i segni sono una parte importante in un circuito, perché possono essere arbitari ma devono essere congruenti in tutto lo schema e in tutte le formule.
Per esempio io non ho capito se sai correttamente sottrarre le due tensioni provenienti dalle due maglie per scrivere correttamente la tensione che ti interessa trovare.
In linea di principio (a parte quanto hai dimenticato) sembra giusto. Se vuoi che ne sia certo devi riportare i versi di tutte le tensioni e correnti sullo schema e riportare la formula che pensi sia giusta in funzione di quelle convenzioni da te adoperate.
Ciao,
Pietro.
-

PietroBaima
90,7k 7 12 13 - G.Master EY

- Messaggi: 12206
- Iscritto il: 12 ago 2012, 1:20
- Località: Londra
0
voti
Eccomi qui di nuovo! Ho riportato i versi delle correnti nel circuito.
Convenzione dell'utilizzatore sugli utilizzatori e convenzione generatori sui generatori.

Scrivendo un Lkt alla "maglia" centrale si ha:
da cui ricavo
.
Mentre
,
,
.
Dico bene?
Convenzione dell'utilizzatore sugli utilizzatori e convenzione generatori sui generatori.

Scrivendo un Lkt alla "maglia" centrale si ha:
da cui ricavo
.Mentre
,
,
.Dico bene?
0
voti
ciò che hai postato è giusto, manca il calcolo di I1.
Ciao
Pietro.
EDIT: riguardando meglio la rete vedo che I1 è un generatore di corrente.
Subito mi è sembrato di tensione.
E' giusto

Ciao
Pietro.
EDIT: riguardando meglio la rete vedo che I1 è un generatore di corrente.
Subito mi è sembrato di tensione.
E' giusto

-

PietroBaima
90,7k 7 12 13 - G.Master EY

- Messaggi: 12206
- Iscritto il: 12 ago 2012, 1:20
- Località: Londra
15 messaggi
• Pagina 2 di 2 • 1, 2
Torna a Elettrotecnica generale
Chi c’è in linea
Visitano il forum: Nessuno e 47 ospiti

Elettrotecnica e non solo (admin)
Un gatto tra gli elettroni (IsidoroKZ)
Esperienza e simulazioni (g.schgor)
Moleskine di un idraulico (RenzoDF)
Il Blog di ElectroYou (webmaster)
Idee microcontrollate (TardoFreak)
PICcoli grandi PICMicro (Paolino)
Il blog elettrico di carloc (carloc)
DirtEYblooog (dirtydeeds)
Di tutto... un po' (jordan20)
AK47 (lillo)
Esperienze elettroniche (marco438)
Telecomunicazioni musicali (clavicordo)
Automazione ed Elettronica (gustavo)
Direttive per la sicurezza (ErnestoCappelletti)
EYnfo dall'Alaska (mir)
Apriamo il quadro! (attilio)
H7-25 (asdf)
Passione Elettrica (massimob)
Elettroni a spasso (guidob)
Bloguerra (guerra)
pigreco]=π
