


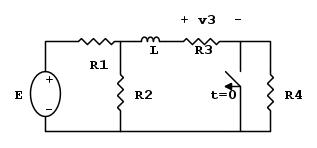
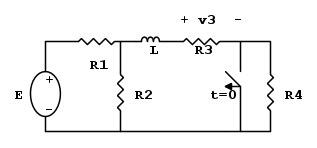
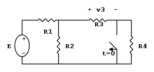
Il circuito è a regime (stazionario) per
, prima dell'apertura dell'interruttore. Determinare l'andamento della tensione
per
e
.Allora procedo in maniera simile all'esercizio precedente:
per
sono in regime stazionario e l'induttore si comporta come un cortocircuito, per cui mi trovo a studiare il seguente circuito:anche qui il resistore
è in parallelo con un cortocircuito, per cui non viene considerato nel calcolo.Siccome so che
posso trovare facilmente trovare la mia 
Procedo calcolandomi la tensione
dove
non è altro che il parallelo fra il resistore
e
sostituendo tutti i valori ottengo che 
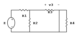
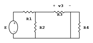
per
ho sempre qualche difficoltà di calcoloSono ancora in regime stazionario ma stavolta devo considerare aperto l'interruttore:
Ho questo circuito:
Il mio docente, propone questa soluzione per il calcolo di
:
per 
Il primo termine è chiaro, ma non capisco cosa calcola con il secondo termine. Qualche suggerimento?
grazie a tutti.


Elettrotecnica e non solo (admin)
Un gatto tra gli elettroni (IsidoroKZ)
Esperienza e simulazioni (g.schgor)
Moleskine di un idraulico (RenzoDF)
Il Blog di ElectroYou (webmaster)
Idee microcontrollate (TardoFreak)
PICcoli grandi PICMicro (Paolino)
Il blog elettrico di carloc (carloc)
DirtEYblooog (dirtydeeds)
Di tutto... un po' (jordan20)
AK47 (lillo)
Esperienze elettroniche (marco438)
Telecomunicazioni musicali (clavicordo)
Automazione ed Elettronica (gustavo)
Direttive per la sicurezza (ErnestoCappelletti)
EYnfo dall'Alaska (mir)
Apriamo il quadro! (attilio)
H7-25 (asdf)
Passione Elettrica (massimob)
Elettroni a spasso (guidob)
Bloguerra (guerra)






procedo al calcolo della corrente:



= 

