Posso considerare di essere stato preso in giro? I valori che hai dato nel primo messaggio sono completamente diversi.
A questo punto mi viene voglia di cestinare il thread, eviti di fare perdere tempo agli utenti.
Spia per serbatoio
Moderatori:
g.schgor,
IsidoroKZ
25 messaggi
• Pagina 2 di 3 • 1, 2, 3
0
voti
Per usare proficuamente un simulatore, bisogna sapere molta più elettronica di lui
Plug it in - it works better!
Il 555 sta all'elettronica come Arduino all'informatica! (entrambi loro malgrado)
Se volete risposte rispondete a tutte le mie domande
Plug it in - it works better!
Il 555 sta all'elettronica come Arduino all'informatica! (entrambi loro malgrado)
Se volete risposte rispondete a tutte le mie domande
0
voti
pino81 ha scritto:preferirei adottare la soluzione il più semplice possibile
ti consiglio di date un po' di attenzione alla soluzione dei LED, che ti provavo a suggerire, e che ti è stata ribadita in [9]
se non ti è chiaro il concetto vedi qui
http://tronixstuff.com/2013/09/14/tutorial-lm3914-dotbar-display-driver-ic/
se proprio vuoi l'indicatore con lancetta allora ignora questo messaggio
0
voti
Il positivo del voltmetro va messo sul punto centrale di collegamento tra quel sensore ed una resistenza fissa con il sensore collegato ai 12 V, l'altro sul centrale di un altro partitore di tensione, magari un trimmer in modo da regolare lo zero quando il serbatoio è vuoto.
Così si compensano un po' anche gli sbalzi di tensione sui 12V
Così si compensano un po' anche gli sbalzi di tensione sui 12V

0
voti
Comunque questi 70 Ohm con il serbatoio pieno sono un po fastidiosi, il partitore che ne deriva, per fare una misura accettabile, dubito possa essere troppo sblilanciato, quindi mi devo aspettare che l'intero ramo non possa essere tanto maggiore di 1Kohm. Quindi sono almeno 12mA per ogni partitore si usi in questo progetto, non sono tanti, ma neanche pochissimi.... soprattutto considerando che il tutto serve solo a muovere una indicatore che viene osservato anche piuttosto di rado.
Mettere un pulsante da premere per vedere il livello mi sembra altrettanto scomodo.
Non ci sono soluzioni piu' "economiche" in questi casi
Mettere un pulsante da premere per vedere il livello mi sembra altrettanto scomodo.
Non ci sono soluzioni piu' "economiche" in questi casi
0
voti
IsidoroKZ ha scritto:Posso considerare di essere stato preso in giro?
Non avevo notato, ma in [1] erano realmente numeri privi di senso. Per cosa ho visto io in questo settore, non si arriva mai a 2k.
-

Candy
32,5k 7 10 13 - CRU - Account cancellato su Richiesta utente
- Messaggi: 10123
- Iscritto il: 14 giu 2010, 22:54
0
voti
ma non ti prendo in giro isidoro!,purtroppo quando ho fatto la prima misurazione il galleggiante era smontato,per constatare i valori alle massime escursioni,ma non avevo considerato che poi nel serbatoio,il gioco che fa tra il pieno ed il secco è inferiore ai 2 estremi ,(..e meglio così)l'idea della misurazione "on demand" potrebbe anche andare,a questo punto non si bada a sprechiIsidoroKZ ha scritto:Posso considerare di essere stato preso in giro? I valori che hai dato nel primo messaggio sono completamente diversi.
in pratica sto progettando un impianto elettrico da 0 (prima inesistente) ,quindi si valuta la qualsiasi,per evitare di bruciare il voltmetro con scala da 5 V stavo pensando di utilizzarne uno a 20 o 30 volt,ma non ho idea se all'interno abbia qualche tipo di regolazione per registrarlo e sballarlo apposta per ottenere le escursioni interessate,senza resistenze e niente
0
voti
Usa il tasto RISPONDI; le citazioni di interi messaggi sono inutili.
ciao russel,scusa non avevo visto,si hai ragione ,a led tornerebbe piu comodo anche nelle ore notturne,ma ho visto nello schema che hai linkato si fa con 2 lm3914 e 20 led!,quando a me me ne basterebbero anche 4 o 5 ,tipo quelli degli impianti gpl o a metano, anche con i colori diversi,(i led colorati già li ho) non cisrarebbe una via piu semplice ,sapendo che si hanno 70 / 480 ohm? potrei estrarre 4 fili mediani dai piedini del reostato collegati ciascuno ad un led.... ma poi troppi fili nel serbatoio,magari un circuitino....
ciao russel,scusa non avevo visto,si hai ragione ,a led tornerebbe piu comodo anche nelle ore notturne,ma ho visto nello schema che hai linkato si fa con 2 lm3914 e 20 led!,quando a me me ne basterebbero anche 4 o 5 ,tipo quelli degli impianti gpl o a metano, anche con i colori diversi,(i led colorati già li ho) non cisrarebbe una via piu semplice ,sapendo che si hanno 70 / 480 ohm? potrei estrarre 4 fili mediani dai piedini del reostato collegati ciascuno ad un led.... ma poi troppi fili nel serbatoio,magari un circuitino....
1
voti
pino81 ha scritto:ma ho visto nello schema che hai linkato si fa con 2 lm3914 e 20 led!
hai visto frettolosamente: sei andato subito in fondo dove amplia la spiegazione fatta precedentemente ... che invece riguarda solo 10 LED
pino81 ha scritto:a me me ne basterebbero anche 4 o 5
Ti faccio solo presente di quale spesa stiamo parlando:
Driver
Barra LED
[Se cerchi ne trovi probabilmente anche colorate come questa, ma magari spendi qualcosa in piu']
resistenze e condensatori immagino ne avrai nel cassetto
con un paio di euro in pratica hai tutto a casa con corriere, e non mi sembrerebbe tanto male il risultato
0
voti
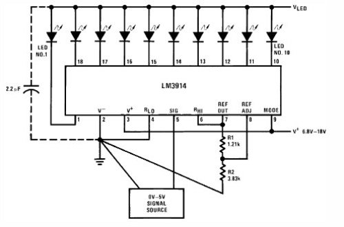
scusa russel,ma nell'articolo spiega anche come fare funzionare la barra con un range da 0 a 10 volt,(oltre da 0 a 5 volt) ne incollo la parte tradotta:
" Ovviamente si può avere grandi valori dell'intervallo di visualizzazione, ma una tensione di alimentazione non superiore a 25 V dovrà essere uguale o superiore a tale valore. Ad esempio, se si vuole una visualizzazione 0 ~ 10 V, la tensione di alimentazione deve essere> = 10 V DC."
cioè il circuito che mostrano dovrebbe essere per i 0 - 5 volt,ma se volessi arrivare circa a 12 volt quando gli ohm scendono a 70 basta alimentare da 12 a 18 volt anzi che 6,8 - 18 volt ? dovrei sostituire anche R1 o R2 o entrambi? poi non ho capito neanche che tensione dovrebbe avere la vLed ( 2 volt ? )
vorrei evitare di bruciare componenti..
ps. ma per evitare gli sbalzi di valore,funzionerebbe un grosso elettrolitico tra il piedino 2 ed il 5 ?
" Ovviamente si può avere grandi valori dell'intervallo di visualizzazione, ma una tensione di alimentazione non superiore a 25 V dovrà essere uguale o superiore a tale valore. Ad esempio, se si vuole una visualizzazione 0 ~ 10 V, la tensione di alimentazione deve essere> = 10 V DC."
cioè il circuito che mostrano dovrebbe essere per i 0 - 5 volt,ma se volessi arrivare circa a 12 volt quando gli ohm scendono a 70 basta alimentare da 12 a 18 volt anzi che 6,8 - 18 volt ? dovrei sostituire anche R1 o R2 o entrambi? poi non ho capito neanche che tensione dovrebbe avere la vLed ( 2 volt ? )
vorrei evitare di bruciare componenti..
ps. ma per evitare gli sbalzi di valore,funzionerebbe un grosso elettrolitico tra il piedino 2 ed il 5 ?
- Allegati
-
- LM3914_5V_voltmeter_circuit.jpg (22.48 KiB) Osservato 3313 volte
25 messaggi
• Pagina 2 di 3 • 1, 2, 3
Torna a Elettrotecnica generale
Chi c’è in linea
Visitano il forum: Nessuno e 9 ospiti

Elettrotecnica e non solo (admin)
Un gatto tra gli elettroni (IsidoroKZ)
Esperienza e simulazioni (g.schgor)
Moleskine di un idraulico (RenzoDF)
Il Blog di ElectroYou (webmaster)
Idee microcontrollate (TardoFreak)
PICcoli grandi PICMicro (Paolino)
Il blog elettrico di carloc (carloc)
DirtEYblooog (dirtydeeds)
Di tutto... un po' (jordan20)
AK47 (lillo)
Esperienze elettroniche (marco438)
Telecomunicazioni musicali (clavicordo)
Automazione ed Elettronica (gustavo)
Direttive per la sicurezza (ErnestoCappelletti)
EYnfo dall'Alaska (mir)
Apriamo il quadro! (attilio)
H7-25 (asdf)
Passione Elettrica (massimob)
Elettroni a spasso (guidob)
Bloguerra (guerra)






