Equivalente alla Thevenin
Moderatori:
g.schgor,
IsidoroKZ
34 messaggi
• Pagina 2 di 4 • 1, 2, 3, 4
0
voti
Sto usando FidoCadJ sul Mac comunque il simbolo centrale non sapevo bene cosa mettere il professore ci ha detto che è un trasformatore con rapporto di trasformazione a=1
-

NicholasASR
13 6 - Frequentatore

- Messaggi: 108
- Iscritto il: 7 nov 2015, 12:09
0
voti
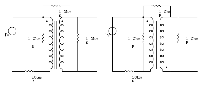
Ok, rapporto di trasformazione 1. Poi ci sono i pallini, che indicano la fase degli avvolgimenti. A seconda di come sono messi puo` cambiare la soluzione. Guarda i due disegni. La tensione equivalente la vuoi con il positivo in alto o in basso?
La tensione di 1V e` in continua o alternata? Il trasformatore e` ideale (=trasforma tutto) o reale (=trasforma solo l'alternata e non fa passare al continua)?
QUeste sono tutte convenzioni fra docente e la sua classe che io e tutti gli altri qui non possiamo sapere.
Fra primario e secondario del trasformatore c'e` solo la resistenza in alto, o anche qualche altro collegamento?
La tensione di 1V e` in continua o alternata? Il trasformatore e` ideale (=trasforma tutto) o reale (=trasforma solo l'alternata e non fa passare al continua)?
QUeste sono tutte convenzioni fra docente e la sua classe che io e tutti gli altri qui non possiamo sapere.
Fra primario e secondario del trasformatore c'e` solo la resistenza in alto, o anche qualche altro collegamento?
Per usare proficuamente un simulatore, bisogna sapere molta più elettronica di lui
Plug it in - it works better!
Il 555 sta all'elettronica come Arduino all'informatica! (entrambi loro malgrado)
Se volete risposte rispondete a tutte le mie domande
Plug it in - it works better!
Il 555 sta all'elettronica come Arduino all'informatica! (entrambi loro malgrado)
Se volete risposte rispondete a tutte le mie domande
0
voti
La tensione è continua, c'è solo il resistore e il trasformatore è ideale... non capisco cosa intendi per positivo o negativo?
-

NicholasASR
13 6 - Frequentatore

- Messaggi: 108
- Iscritto il: 7 nov 2015, 12:09
0
voti
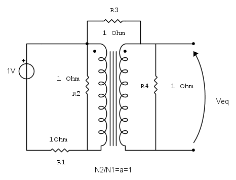
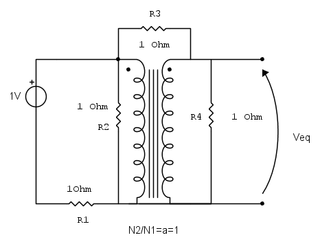
La tensione equivalente puoi misurarla con il positivo in alto o in basso. Ad esempio nella figura ho messo la freccia della tensione equivalente con la punta in alto, ma potrebbe anche essere in basso.
Manca ancora l'indicazione dei pallini, la fase del trasformatore.
Sai come una impedenza si "trasforma" quando passa per un trasformatore?
Manca ancora l'indicazione dei pallini, la fase del trasformatore.
Sai come una impedenza si "trasforma" quando passa per un trasformatore?
Per usare proficuamente un simulatore, bisogna sapere molta più elettronica di lui
Plug it in - it works better!
Il 555 sta all'elettronica come Arduino all'informatica! (entrambi loro malgrado)
Se volete risposte rispondete a tutte le mie domande
Plug it in - it works better!
Il 555 sta all'elettronica come Arduino all'informatica! (entrambi loro malgrado)
Se volete risposte rispondete a tutte le mie domande
0
voti
Il professore ha semplicemente messo questo trasformatore ideale senza dirci nulla su di esso non so cosa cosa sia questa impedenza comunque va bene con la freccia verso l'alto.. e cosa dovrei dirti sulla fase? Non so proprio cosa sia
-

NicholasASR
13 6 - Frequentatore

- Messaggi: 108
- Iscritto il: 7 nov 2015, 12:09
0
voti
Sai come cambia una resistenza quando passa attraverso un traformatore? C'e` di mezzo il quadrato del rapporto di trasformazione.
Senza questa nozione non si riesce a risolvere il problema. A meno che non risolviate problemi del genere usando metodi algebrici, ma vuol dire scrivere montagne di equazioni. Non credo che il vostro prof vi abbia messo un trasformatore senza dirvi come trasforma tensioni, correnti e soprattutto resistenze.
Per la questione della fase, il segno all'uscita del trasformatore puo` essere qualunque, bisogna specificare i
"pallini"
Nel primo caso Vo=1V, nel secondo Vo=-1V. Senza pallini non si sa quale sia.
Senza questa nozione non si riesce a risolvere il problema. A meno che non risolviate problemi del genere usando metodi algebrici, ma vuol dire scrivere montagne di equazioni. Non credo che il vostro prof vi abbia messo un trasformatore senza dirvi come trasforma tensioni, correnti e soprattutto resistenze.
Per la questione della fase, il segno all'uscita del trasformatore puo` essere qualunque, bisogna specificare i
"pallini"
Nel primo caso Vo=1V, nel secondo Vo=-1V. Senza pallini non si sa quale sia.
Per usare proficuamente un simulatore, bisogna sapere molta più elettronica di lui
Plug it in - it works better!
Il 555 sta all'elettronica come Arduino all'informatica! (entrambi loro malgrado)
Se volete risposte rispondete a tutte le mie domande
Plug it in - it works better!
Il 555 sta all'elettronica come Arduino all'informatica! (entrambi loro malgrado)
Se volete risposte rispondete a tutte le mie domande
0
voti
Utilizziamo queste formule: V1=aV2; i1=(-1/a)i2...
Poi lui ci ha detto che se abbiamo il generatore alla porta 2(destra) la R=(a^2)/R il reciproco nell'altro caso
Poi lui ci ha detto che se abbiamo il generatore alla porta 2(destra) la R=(a^2)/R il reciproco nell'altro caso
-

NicholasASR
13 6 - Frequentatore

- Messaggi: 108
- Iscritto il: 7 nov 2015, 12:09
0
voti
Ok, forse si puo` provare. Ho rinominato le resistenze in modo da capire di chi si parla.
Primo problema: R3 rompe, e anche tanto, bisogna vedere che effetto ha. '
Quanta corrente scorre attraverso R3?
Prima di cominciare a fare conti, cerca se c'e` un percorso CHIUSO che parte dal generatore, passa attraverso R3 e torna sull'altro lato del generatore.
Primo problema: R3 rompe, e anche tanto, bisogna vedere che effetto ha. '
Quanta corrente scorre attraverso R3?
Prima di cominciare a fare conti, cerca se c'e` un percorso CHIUSO che parte dal generatore, passa attraverso R3 e torna sull'altro lato del generatore.
Per usare proficuamente un simulatore, bisogna sapere molta più elettronica di lui
Plug it in - it works better!
Il 555 sta all'elettronica come Arduino all'informatica! (entrambi loro malgrado)
Se volete risposte rispondete a tutte le mie domande
Plug it in - it works better!
Il 555 sta all'elettronica come Arduino all'informatica! (entrambi loro malgrado)
Se volete risposte rispondete a tutte le mie domande
0
voti
Allora io non ho il valore di i ma penso che posso trovarlo dato che ho il generatore e le resistenze... per il percorso chiuso non so parto dal generatore passo per r3, r4 r1 e torno sul generatore?
-

NicholasASR
13 6 - Frequentatore

- Messaggi: 108
- Iscritto il: 7 nov 2015, 12:09
0
voti
Comunque nel circuito c'è anche quella linea sotto al trasformatore
-

NicholasASR
13 6 - Frequentatore

- Messaggi: 108
- Iscritto il: 7 nov 2015, 12:09
34 messaggi
• Pagina 2 di 4 • 1, 2, 3, 4
Torna a Elettrotecnica generale
Chi c’è in linea
Visitano il forum: Nessuno e 88 ospiti

Elettrotecnica e non solo (admin)
Un gatto tra gli elettroni (IsidoroKZ)
Esperienza e simulazioni (g.schgor)
Moleskine di un idraulico (RenzoDF)
Il Blog di ElectroYou (webmaster)
Idee microcontrollate (TardoFreak)
PICcoli grandi PICMicro (Paolino)
Il blog elettrico di carloc (carloc)
DirtEYblooog (dirtydeeds)
Di tutto... un po' (jordan20)
AK47 (lillo)
Esperienze elettroniche (marco438)
Telecomunicazioni musicali (clavicordo)
Automazione ed Elettronica (gustavo)
Direttive per la sicurezza (ErnestoCappelletti)
EYnfo dall'Alaska (mir)
Apriamo il quadro! (attilio)
H7-25 (asdf)
Passione Elettrica (massimob)
Elettroni a spasso (guidob)
Bloguerra (guerra)





