Ho risolto con entrambi i metodi, metto la risoluzione magari può servire a qualcuno.
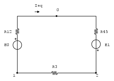
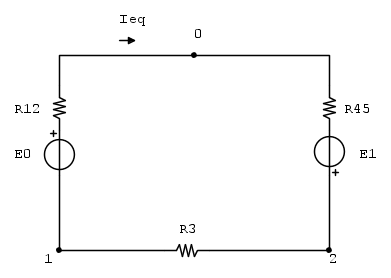
Questo è lo schema:
Dove:



Ho Trasformato il generatore di corrente
in parallelo con la resistenza
in un generatore di Tensione
in serie con la stessa resistenza
, stessa cosa fatta tra il generatore di corrente
e la resistenza 


A questo punto applico la LKT a tutta la maglia per calcolarmi



Imponendo
e applicando i potenziali nodali:



Grazie a tutti

Elettrotecnica e non solo (admin)
Un gatto tra gli elettroni (IsidoroKZ)
Esperienza e simulazioni (g.schgor)
Moleskine di un idraulico (RenzoDF)
Il Blog di ElectroYou (webmaster)
Idee microcontrollate (TardoFreak)
PICcoli grandi PICMicro (Paolino)
Il blog elettrico di carloc (carloc)
DirtEYblooog (dirtydeeds)
Di tutto... un po' (jordan20)
AK47 (lillo)
Esperienze elettroniche (marco438)
Telecomunicazioni musicali (clavicordo)
Automazione ed Elettronica (gustavo)
Direttive per la sicurezza (ErnestoCappelletti)
EYnfo dall'Alaska (mir)
Apriamo il quadro! (attilio)
H7-25 (asdf)
Passione Elettrica (massimob)
Elettroni a spasso (guidob)
Bloguerra (guerra)
