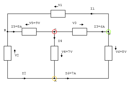
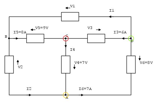
Cerchiamo le correnti. Se guardi il nodo rosso, C, sai quanto valgono le correnti che arrivano da sinistra, I5, e da destra, I3, e quindi puoi calcolare la corrente I4 che scende dal nodo.
Se si vogliono fare le cose formali si deve scrivere
poi si risolve l'equazione e si sostituiscono i valori. Pero` si fa prima a dire che se da sinistra entrano nel nodo 8A e da destra entrano 6A, tutta quella corrente deve uscire verso il basso, e quindi I4=14A.Poi considera il nodo giallo, A. Adesso sai che da sopra arrivano giu` 14A, sette dei quali vanno via verso destra, I2. Quanti ne restano che usciranno dal nodo verso sinistra? E quanto vale I2? Fai attenzione che c'e` un inghippo in queste domande.
Infine prova a fare la stessa cosa per il nodo verde, D. Poi vedremo le tensioni.

Elettrotecnica e non solo (admin)
Un gatto tra gli elettroni (IsidoroKZ)
Esperienza e simulazioni (g.schgor)
Moleskine di un idraulico (RenzoDF)
Il Blog di ElectroYou (webmaster)
Idee microcontrollate (TardoFreak)
PICcoli grandi PICMicro (Paolino)
Il blog elettrico di carloc (carloc)
DirtEYblooog (dirtydeeds)
Di tutto... un po' (jordan20)
AK47 (lillo)
Esperienze elettroniche (marco438)
Telecomunicazioni musicali (clavicordo)
Automazione ed Elettronica (gustavo)
Direttive per la sicurezza (ErnestoCappelletti)
EYnfo dall'Alaska (mir)
Apriamo il quadro! (attilio)
H7-25 (asdf)
Passione Elettrica (massimob)
Elettroni a spasso (guidob)
Bloguerra (guerra)


)