Domanda risonanza
Moderatori:
g.schgor,
IsidoroKZ
15 messaggi
• Pagina 2 di 2 • 1, 2
2
voti
Siete stati gentilissimi per la risposta, vi ringrazio ed ora è tutto chiaro
0
voti
richiurci ha scritto:forse il termine più corretto è risonanza parallelo e non antirisonanza...
Sul testo viene chiamata antirisonanza
0
voti
Nel rispondere mi sono riferito alle antenne dipolo trappolato multibanda, ove c’è un circuito LC alla risonanza di 7050 kHz (40 metri), mi inseriva il restante tratta filare del dipolo.
-

StefanoSunda
2.885 3 6 10 - Master

- Messaggi: 1965
- Iscritto il: 16 set 2010, 19:29
0
voti
Sono stato per concordare completamente con
richiurci :
I termini risonanza parallelo e risonanza serie di un circuito LC sono più comprensibili.
Poi sono andato a cercare antirisonanza su wiki:
Viene svolto un discorso più generale:
in una linea (quando il circuito ha dimensioni non trascurabili rispetto al tempo di propagazione delle correnti/tensioni, i circuito LC concentrati non esistono, ma sono infinitesimi e l' ampiezza dell'inviluppo della corrente/tensione varia lungo la linea) chiama risonanza il punto in cui è il massimo della corrente e antirisonanza il punto in cui è massima la tensione.
Nei circuiti a parametri concentrati coincidono con la risonanza serie e la risonanza parallelo di un LC.
Sarebbe anche interessante discutere del Q ( qualità) di un circuito risonante che indica il rapporto fra XL (o XC) e la R ressitenza. Il Q influisce sulla largezza di banda ( a -3dB) del circuito risonante, ossia della sua capacità di fungere da filtro passa banda.
Mi sono espresso in modo troppo sintetico, i fenomeni (noti ormai da più di 150 anni) sono sempre difficli da comprendere, ma spiegano alcuni fenomeni che hanno spaventato i progettisti:
- linee telegrafiche transatlantiche, come fare per non fare distorcere i segnali.
- linee ad alta tensione a 50 Hz lunghe, a vuoto la tensione a una 'estremità della linea era maggiore di quella applicata all'ingresso.

I termini risonanza parallelo e risonanza serie di un circuito LC sono più comprensibili.
Poi sono andato a cercare antirisonanza su wiki:
Viene svolto un discorso più generale:
in una linea (quando il circuito ha dimensioni non trascurabili rispetto al tempo di propagazione delle correnti/tensioni, i circuito LC concentrati non esistono, ma sono infinitesimi e l' ampiezza dell'inviluppo della corrente/tensione varia lungo la linea) chiama risonanza il punto in cui è il massimo della corrente e antirisonanza il punto in cui è massima la tensione.
Nei circuiti a parametri concentrati coincidono con la risonanza serie e la risonanza parallelo di un LC.
Sarebbe anche interessante discutere del Q ( qualità) di un circuito risonante che indica il rapporto fra XL (o XC) e la R ressitenza. Il Q influisce sulla largezza di banda ( a -3dB) del circuito risonante, ossia della sua capacità di fungere da filtro passa banda.
Mi sono espresso in modo troppo sintetico, i fenomeni (noti ormai da più di 150 anni) sono sempre difficli da comprendere, ma spiegano alcuni fenomeni che hanno spaventato i progettisti:
- linee telegrafiche transatlantiche, come fare per non fare distorcere i segnali.
- linee ad alta tensione a 50 Hz lunghe, a vuoto la tensione a una 'estremità della linea era maggiore di quella applicata all'ingresso.

0
voti
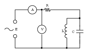
Ho trovato la descrizione di funzionamento del circuito in questione di Nerio Neri I1NE per saperne di più ve lo propongo; senza togliere nulla a Zeno, perché ha ragione.
Risonanza parallelo (o anti risonanza)
Occorre in primo luogo ricordare che la R non è obbligatoriamente una resistenza effettivamente inserita in circuito. Ma, più genericamente, essa congloba le parti resistive della impedenza di L e di C nonché la inevitabile resistenza interna del generatore. Sia questo un generatore di tensione alternata, la cui frequenza possa venir variata a piacimento, nel circuito è poi inserito un amperometro I per leggere la corrente che vi scorre.
Il comportamento del circuito in esercizio, nel quale L e C sono collegate in parallelo. La resistenza R ha qui lo stesso significato che nel caso precedente descritto, quello cioè di conglobare i vari fattori di perdita; in ogni modo essa, in genere, è principalmente dovuto a L, l’elemento che maggiormente può presentare perdite localizzate.
L’andamento della corrente rilevato da I, alla frequenza di risonanza le due correnti che, prese a se stesse nonché all’interno della maglia LC, hanno raggiunto un valore molto elevato, nel circuito esterno alla maglia, avendo esse valore pressoché uguale e senso opposto, si elidono quasi completamente, cosicché l’amperometro indica una corrente minima.
Avviene cioè che le correnti Ic e Ll che passano rispettivamente nei rami C e L, hanno valori che possono anche essere molto elevati ma che sono comunque uguali (trovandosi in condizioni di risonanza), ed hanno altresì i sensi di circolazione opposti; quindi l’effetto finale si manifesta con l’annullamento della corrente complessiva attraverso l’amperometro.
Ciò sta anche a significare che la maglia LC parallelo (contrariamente a quella LC serie) presenta un’impedenza elevatissima alla F0, dire allora che l’impedenza della maglia, vista dall’esterno, è massima, oppure che massima è la corrente all’interno della stessa, equivale a dire che la tensione ai capi ha il suo massimo valore, cosa che è puntualmente verificata tramite il voltmetro V.
N. Neri
Risonanza parallelo (o anti risonanza)
Occorre in primo luogo ricordare che la R non è obbligatoriamente una resistenza effettivamente inserita in circuito. Ma, più genericamente, essa congloba le parti resistive della impedenza di L e di C nonché la inevitabile resistenza interna del generatore. Sia questo un generatore di tensione alternata, la cui frequenza possa venir variata a piacimento, nel circuito è poi inserito un amperometro I per leggere la corrente che vi scorre.
Il comportamento del circuito in esercizio, nel quale L e C sono collegate in parallelo. La resistenza R ha qui lo stesso significato che nel caso precedente descritto, quello cioè di conglobare i vari fattori di perdita; in ogni modo essa, in genere, è principalmente dovuto a L, l’elemento che maggiormente può presentare perdite localizzate.
L’andamento della corrente rilevato da I, alla frequenza di risonanza le due correnti che, prese a se stesse nonché all’interno della maglia LC, hanno raggiunto un valore molto elevato, nel circuito esterno alla maglia, avendo esse valore pressoché uguale e senso opposto, si elidono quasi completamente, cosicché l’amperometro indica una corrente minima.
Avviene cioè che le correnti Ic e Ll che passano rispettivamente nei rami C e L, hanno valori che possono anche essere molto elevati ma che sono comunque uguali (trovandosi in condizioni di risonanza), ed hanno altresì i sensi di circolazione opposti; quindi l’effetto finale si manifesta con l’annullamento della corrente complessiva attraverso l’amperometro.
Ciò sta anche a significare che la maglia LC parallelo (contrariamente a quella LC serie) presenta un’impedenza elevatissima alla F0, dire allora che l’impedenza della maglia, vista dall’esterno, è massima, oppure che massima è la corrente all’interno della stessa, equivale a dire che la tensione ai capi ha il suo massimo valore, cosa che è puntualmente verificata tramite il voltmetro V.
N. Neri
-

StefanoSunda
2.885 3 6 10 - Master

- Messaggi: 1965
- Iscritto il: 16 set 2010, 19:29
15 messaggi
• Pagina 2 di 2 • 1, 2
Torna a Elettrotecnica generale
Chi c’è in linea
Visitano il forum: Nessuno e 43 ospiti

Elettrotecnica e non solo (admin)
Un gatto tra gli elettroni (IsidoroKZ)
Esperienza e simulazioni (g.schgor)
Moleskine di un idraulico (RenzoDF)
Il Blog di ElectroYou (webmaster)
Idee microcontrollate (TardoFreak)
PICcoli grandi PICMicro (Paolino)
Il blog elettrico di carloc (carloc)
DirtEYblooog (dirtydeeds)
Di tutto... un po' (jordan20)
AK47 (lillo)
Esperienze elettroniche (marco438)
Telecomunicazioni musicali (clavicordo)
Automazione ed Elettronica (gustavo)
Direttive per la sicurezza (ErnestoCappelletti)
EYnfo dall'Alaska (mir)
Apriamo il quadro! (attilio)
H7-25 (asdf)
Passione Elettrica (massimob)
Elettroni a spasso (guidob)
Bloguerra (guerra)



