
Riconoscere diodo in controparallelo
Moderatori:
g.schgor,
IsidoroKZ
0
voti

"Non farei mai parte di un club che accettasse la mia iscrizione" (G. Marx)
-

claudiocedrone
21,3k 4 7 9 - Master EY

- Messaggi: 15302
- Iscritto il: 18 gen 2012, 13:36
1
voti
Potresti testarlo se hai un alimentatore con fusibile elettronico incorporato regolato ad un corrente basso, se metti il più e il meno per il verso giusto il relè aggancia se lo metti per il verso sbagliato va in corto a causa del diodo e quindi l'alimentatore si resetta, se il diodo è in corto idem, se invece il diodo è aperto lo possiamo capire dal fatto che l'alimentatore fa agganciare il rele in tutti e due i versi.
-

elektronik
7.800 4 6 7 - Master

- Messaggi: 3836
- Iscritto il: 12 mag 2015, 22:26
3
voti
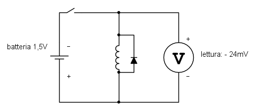
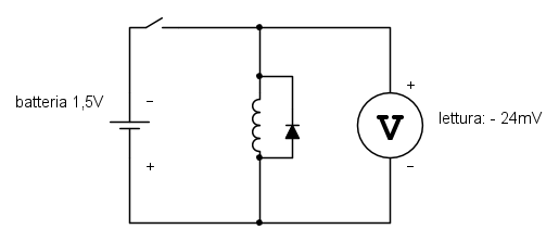
Ciao,
puoi provare se ti rende l'idea di come è collegato usando questo circuito.
Così come è disegnato e fotografato, quando si chiude l'interruttore sul multimetro si legge una tensione bassissima, ma di segno negativo .
Se invertiamo il senso della bobina col diodo si leggerebbe una tensione positiva , circa 24mV.
In questo modo hai la disposizione del diodo.
puoi provare se ti rende l'idea di come è collegato usando questo circuito.
Così come è disegnato e fotografato, quando si chiude l'interruttore sul multimetro si legge una tensione bassissima, ma di segno negativo .
Se invertiamo il senso della bobina col diodo si leggerebbe una tensione positiva , circa 24mV.
In questo modo hai la disposizione del diodo.
Alex
https://www.facebook.com/Elettronicaeelettrotecnica
<< vedi di pigliare arditamente in mano, il dizionario che ti suona in bocca,
se non altro è schietto e paesano.
(Giuseppe Giusti) <<
https://www.facebook.com/Elettronicaeelettrotecnica
<< vedi di pigliare arditamente in mano, il dizionario che ti suona in bocca,
se non altro è schietto e paesano.
(Giuseppe Giusti) <<
0
voti
setteali ha scritto:Ciao,
puoi provare se ti rende l'idea di come è collegato usando questo circuito.
Così come è disegnato e fotografato, quando si chiude l'interruttore sul multimetro si legge una tensione bassissima, ma di segno negativo .
Se invertiamo il senso della bobina col diodo si leggerebbe una tensione positiva , circa 24mV.
Ciao setteali Per curiosità ho provato il circuito che hai postato ma a me non mi funziona come hai descritto, in tutti e due i versi non cambia il segno da positivo a negativo l'unica cosa che noto a batteria carica, in un verso segna la carica totale della batteria nell'altro cala di circa 0.4v.
P.S. credo che il tensione dipenda dalle spire della bobina, prche con meno spire da molto meno 0.48, io avrei voluto testare i diodi sui relè senza dissaldarli.
Ultima modifica di
elektronik il 18 gen 2018, 13:10, modificato 1 volta in totale.
-

elektronik
7.800 4 6 7 - Master

- Messaggi: 3836
- Iscritto il: 12 mag 2015, 22:26
0
voti
elektronik ha scritto:....il circuito che hai postato ma a me non mi funziona come hai descritto, in tutti e due i versi non cambia il segno da positivo a negativo l'unica cosa che noto a batteria carica, in un verso segna la carica totale della batteria nell'altro cala di circa 0.4v.
Ciao,
oggi con un po' di tempo rimonto il circuito e ri provo, ma ieri sera l'avevo montato e smontato un paio di volte e ha sempre funzionato.
Vedrò di utilizzare altri tipi di induttore.

Alex
https://www.facebook.com/Elettronicaeelettrotecnica
<< vedi di pigliare arditamente in mano, il dizionario che ti suona in bocca,
se non altro è schietto e paesano.
(Giuseppe Giusti) <<
https://www.facebook.com/Elettronicaeelettrotecnica
<< vedi di pigliare arditamente in mano, il dizionario che ti suona in bocca,
se non altro è schietto e paesano.
(Giuseppe Giusti) <<
0
voti
Ciao setteali grazie della risposta.
io sono sempre alla ricerca di un prova diodi montati sui relè in modo che non debba dissaldarli dalle schede. Io per le mie riparature adopero un prova giunzioni che ho costruito diversi anni fa che va benissimo per circa l'ottanta per cento dei componenti. senza che devo girare i puntali, mi segna N oppure P purtroppo e sordo per quando riguarda i diodi sui relè. Datosi che riparo senza schemi faccio i test con velocità maggiore che se adoperassi un tester.
io sono sempre alla ricerca di un prova diodi montati sui relè in modo che non debba dissaldarli dalle schede. Io per le mie riparature adopero un prova giunzioni che ho costruito diversi anni fa che va benissimo per circa l'ottanta per cento dei componenti. senza che devo girare i puntali, mi segna N oppure P purtroppo e sordo per quando riguarda i diodi sui relè. Datosi che riparo senza schemi faccio i test con velocità maggiore che se adoperassi un tester.
-

elektronik
7.800 4 6 7 - Master

- Messaggi: 3836
- Iscritto il: 12 mag 2015, 22:26
0
voti
Bene elektronik , mistero risolto. Hai visto è alquanto semplice, che cosa hai usato come induttore?
Vediamo se anche per l'OP è utile.

Vediamo se anche per l'OP è utile.

Alex
https://www.facebook.com/Elettronicaeelettrotecnica
<< vedi di pigliare arditamente in mano, il dizionario che ti suona in bocca,
se non altro è schietto e paesano.
(Giuseppe Giusti) <<
https://www.facebook.com/Elettronicaeelettrotecnica
<< vedi di pigliare arditamente in mano, il dizionario che ti suona in bocca,
se non altro è schietto e paesano.
(Giuseppe Giusti) <<
0
voti
ciao
setteali ho fatto una prova con una bobina come la tua con qualche spira in più e così funziona come tu hai specificato quindi spero che sia adatto al test richiesto. Sui relè invece e diverso non cambia il segno da positivo a negativo ma c'è solo un abbassamento di tensione.
-

elektronik
7.800 4 6 7 - Master

- Messaggi: 3836
- Iscritto il: 12 mag 2015, 22:26
1
voti
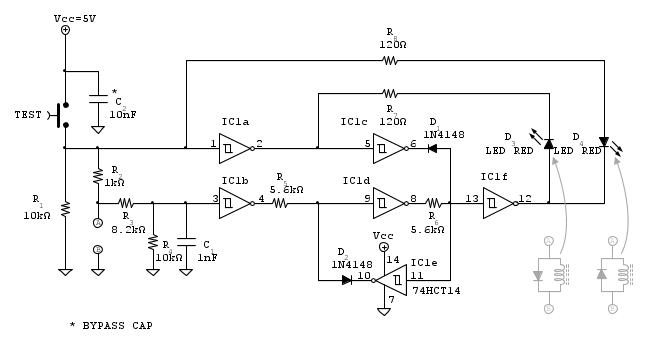
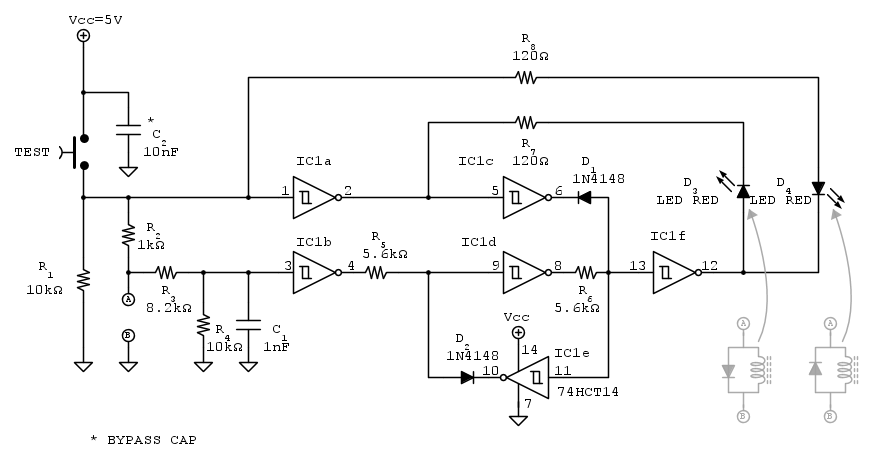
Stavo pensando ad una sorta di testerino economico con due LED per riconoscere la polarità del diodo in parallelo all'induttore.
Ho pensato al circuito seguente, ma per mancanza di tempo non l'ho simulato né costruito e non ho la più pallida idea se possa funzionare o meno.
Si dovrebbe collegare il gruppo diodo induttore ai morsetti A e B e poi premere il tasto TEST.
Qualcuno vuole provare?
Ciao,
Pietro.
Ho pensato al circuito seguente, ma per mancanza di tempo non l'ho simulato né costruito e non ho la più pallida idea se possa funzionare o meno.
Si dovrebbe collegare il gruppo diodo induttore ai morsetti A e B e poi premere il tasto TEST.
Qualcuno vuole provare?
Ciao,
Pietro.
-

PietroBaima
90,7k 7 12 13 - G.Master EY

- Messaggi: 12206
- Iscritto il: 12 ago 2012, 1:20
- Località: Londra
Torna a Elettrotecnica generale
Chi c’è in linea
Visitano il forum: Nessuno e 33 ospiti

Elettrotecnica e non solo (admin)
Un gatto tra gli elettroni (IsidoroKZ)
Esperienza e simulazioni (g.schgor)
Moleskine di un idraulico (RenzoDF)
Il Blog di ElectroYou (webmaster)
Idee microcontrollate (TardoFreak)
PICcoli grandi PICMicro (Paolino)
Il blog elettrico di carloc (carloc)
DirtEYblooog (dirtydeeds)
Di tutto... un po' (jordan20)
AK47 (lillo)
Esperienze elettroniche (marco438)
Telecomunicazioni musicali (clavicordo)
Automazione ed Elettronica (gustavo)
Direttive per la sicurezza (ErnestoCappelletti)
EYnfo dall'Alaska (mir)
Apriamo il quadro! (attilio)
H7-25 (asdf)
Passione Elettrica (massimob)
Elettroni a spasso (guidob)
Bloguerra (guerra)


pigreco]=π