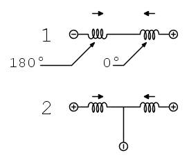
settembre ha scritto:Faccio un'altra domanda, io ho due bobine fattge uguali e devo fare in modo che una di esse abbia il senso di scorrimento B invertito. Qui sotto metto schema
Nei simboli non è specificato il senso di avvolgimento, ma solo l'ingresso e l'uscita della corrente.
Capovolgere il simbolo non significa nulla.
Per quello che intendi fare basta invertire il senso della corrente nei due avvolgimenti identici

Elettrotecnica e non solo (admin)
Un gatto tra gli elettroni (IsidoroKZ)
Esperienza e simulazioni (g.schgor)
Moleskine di un idraulico (RenzoDF)
Il Blog di ElectroYou (webmaster)
Idee microcontrollate (TardoFreak)
PICcoli grandi PICMicro (Paolino)
Il blog elettrico di carloc (carloc)
DirtEYblooog (dirtydeeds)
Di tutto... un po' (jordan20)
AK47 (lillo)
Esperienze elettroniche (marco438)
Telecomunicazioni musicali (clavicordo)
Automazione ed Elettronica (gustavo)
Direttive per la sicurezza (ErnestoCappelletti)
EYnfo dall'Alaska (mir)
Apriamo il quadro! (attilio)
H7-25 (asdf)
Passione Elettrica (massimob)
Elettroni a spasso (guidob)
Bloguerra (guerra)








