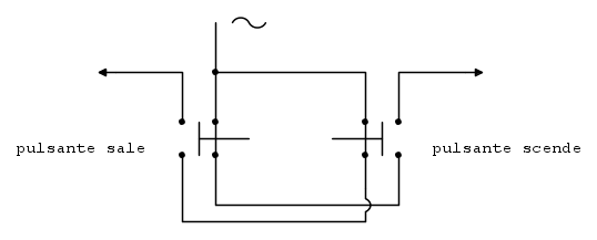
probabilmente hai trovato l'inghippo.scipiusbarbatus ha scritto:La tensione invece mi fa preoccupare un po perché quando, per esempio, la tapparella sale ai capi dell'interruttore con il comando scende misuro circa 400V!
I motori per avere inversione di marcia, hanno diversi avvolgimenti, non è insolito che alimentando per avere la rotazione in un senso l'altro capo dell'altro senso abbia tensioni indotte anche superiori alle tensioni di alimentazione di linea, ed ecco che saltano i triac anche se non alimentati.
in questo caso il fusibile non ti salva il triac.
Tieni presente che anche gli optocouplers honno lo stesso problema dei triac, mi è capitato in un applicazione di inserire opto e triac da 800V, anche pur alimentando i motori a 220 V!
saluti.

Elettrotecnica e non solo (admin)
Un gatto tra gli elettroni (IsidoroKZ)
Esperienza e simulazioni (g.schgor)
Moleskine di un idraulico (RenzoDF)
Il Blog di ElectroYou (webmaster)
Idee microcontrollate (TardoFreak)
PICcoli grandi PICMicro (Paolino)
Il blog elettrico di carloc (carloc)
DirtEYblooog (dirtydeeds)
Di tutto... un po' (jordan20)
AK47 (lillo)
Esperienze elettroniche (marco438)
Telecomunicazioni musicali (clavicordo)
Automazione ed Elettronica (gustavo)
Direttive per la sicurezza (ErnestoCappelletti)
EYnfo dall'Alaska (mir)
Apriamo il quadro! (attilio)
H7-25 (asdf)
Passione Elettrica (massimob)
Elettroni a spasso (guidob)
Bloguerra (guerra)








