Quindi, ricapitolando,
in questo esercizio, (ovviamente senza simulatori), il passaggio piu' veloce per calcolare la Eq e' riuscire a "vedere" i due partitori e non calcolare la Icc (che ci metto una vita a risolvere il circuito con Kirchhoff) per usare la formula Eq= Icc * Req.
O con metodi "basici" (quelli che possiedo io) ci poteva essere un'altra maniera?
Grazie mille
Help con Thevenin
Moderatori:
g.schgor,
IsidoroKZ
25 messaggi
• Pagina 2 di 3 • 1, 2, 3
0
voti
0
voti
Ohhhh è arrivato il momento della mia figura pessima!
perché nel calcolo del generatore equivalente visto ai capi di R5 avete tolto R5 dal circuito?
Viene 2V in uscita solo se togli R5 e fai il partitore a sinistra (viene 4V) meno il partitore a destra (viene 2V).
Ma io, sicuramente sbagliando, ho fatto i conti tenendo conto di R5! Ho separato i generatori, ho fatto Thevenin a destra e sinistra, e ho fatto il partitore di tensione tra le de resistenze equivalenti di Thevenin e la R5: non è così?
Dai, non ditemi che dopo 5 anni di elettronica non so fare Thevenin perché è facile che cambio facoltà
perché nel calcolo del generatore equivalente visto ai capi di R5 avete tolto R5 dal circuito?
Viene 2V in uscita solo se togli R5 e fai il partitore a sinistra (viene 4V) meno il partitore a destra (viene 2V).
Ma io, sicuramente sbagliando, ho fatto i conti tenendo conto di R5! Ho separato i generatori, ho fatto Thevenin a destra e sinistra, e ho fatto il partitore di tensione tra le de resistenze equivalenti di Thevenin e la R5: non è così?
Dai, non ditemi che dopo 5 anni di elettronica non so fare Thevenin perché è facile che cambio facoltà
0
voti
dadduni ha scritto:Ohhhh è arrivato il momento della mia figura pessima!![]()
perché nel calcolo del generatore equivalente visto ai capi di R5 avete tolto R5 dal circuito?
La so, la so!
(sto leggendo dal libro): "La forza elettromotrice Eq... coincide con la tensione Vab MISURATA A VUOTO ai due morsetti"
Nel primo post, ho dichiarato che R5 era ininfluente perche' il testo dell' esercizio non metteva il suo valore.
0
voti
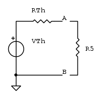
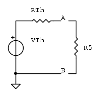
perché la tensione del generatore di Thevenin è quella a vuoto tra B ed A quindi R5 non ci deve essere.
Il circuito equivalente è questo:
Il circuito equivalente è questo:

0
voti
MMMMM..... nutro una serie di dubbi a riguardo però
"A vuoto" vuol solo dire che non bisogna aggiungere nulla oltre al resistore sotto misura: come un voltmetro.
Il contrario è "corto circuito" in cui tra i due morsetti c'è impedenza nulla: come un amperometro.
Credo che questo caso sia più esplicativo:
Siamo tutti d'accordo che per vedere la tensione ai capi di R2 bisogna fare il partitore no? E che quindi R2 non viene eradicata dal circuito?
Mi pare che Thevenin in questo caso venga semplicemente Vth= 0.5V (partitore di tensione) con una resistenza serie Rth=0.5ohm che è il parallelo di R1 ed R2.
perché nel partitore non togliamo la resistenza "sotto misura" e invece nel circuito dell' OP si?
"A vuoto" vuol solo dire che non bisogna aggiungere nulla oltre al resistore sotto misura: come un voltmetro.
Il contrario è "corto circuito" in cui tra i due morsetti c'è impedenza nulla: come un amperometro.
Credo che questo caso sia più esplicativo:
Siamo tutti d'accordo che per vedere la tensione ai capi di R2 bisogna fare il partitore no? E che quindi R2 non viene eradicata dal circuito?
Mi pare che Thevenin in questo caso venga semplicemente Vth= 0.5V (partitore di tensione) con una resistenza serie Rth=0.5ohm che è il parallelo di R1 ed R2.
perché nel partitore non togliamo la resistenza "sotto misura" e invece nel circuito dell' OP si?
0
voti
boggiano ha scritto:O con metodi "basici" (quelli che possiedo io) ci poteva essere un'altra maniera?
Boh, io avrei risolto così:
Avendo sostituito R5 ad un corto circuito mi risulta che R1//R2=R3//R4 cioè che la tensione su R1 (e R2) è pari a 3V, così come la tensione su R3 e R4.
Significa che in R1 scorrono 3mA e in R2 1.5mA, per cui nel corto scorrono 1.5mA.
E una è fatta.
La R equivalente vista dal corto è R1//R3+R2//R4 che vale 1.33 kohm come hai correttamente calcolato tu.
La tensione del generatore equivalente thevenin vale quindi 1.5 mA * 1.33 kohm, cioè 2V.
Ho quindi concluso il conto.
-

PietroBaima
90,7k 7 12 13 - G.Master EY

- Messaggi: 12207
- Iscritto il: 12 ago 2012, 1:20
- Località: Londra
0
voti
PietroBaima ha scritto:boggiano ha scritto:O con metodi "basici" (quelli che possiedo io) ci poteva essere un'altra maniera?
Boh, io avrei risolto così:
Avendo sostituito R5 ad un corto circuito mi risulta che R1//R2=R3//R4 cioè che la tensione su R1 (e R2) è pari a 3V, così come la tensione su R3 e R4.
Significa che in R1 scorrono 3mA e in R2 1.5mA, per cui nel corto scorrono 1.5mA.
E infatti e' quello che ho visto subito, a video, simulando il circuito!
Purtroppo, su carta, quest' esperienza mi manca!
0
voti
Vabbè, visto che l'ho fatto posto anche la soluzione considerando anche la R5 da 100ohm, magari è un metodo che l'OP non conosce ossia quello della duplicazione dei generatori.
E' del tuttoequivalente disegnare un solo generatore connesso alle due resistenze superiori, oppure disegnarne due e connetterli ciascuno ad una sola resistenza. Ogni resistenza vedrà la stessa tensione ai suoi capi, il numero di maglie viene mantenuto e i circuiti sono del tutto equivalenti, ma è più facile vedere che ci sono due "partitori" ai lati su cui fare due Thevenin ottenendo così una sola maglia per calcolare la tensione su R5.
Questo considerando il fatto che mettere R5 all'interno del cirucito.
E' del tuttoequivalente disegnare un solo generatore connesso alle due resistenze superiori, oppure disegnarne due e connetterli ciascuno ad una sola resistenza. Ogni resistenza vedrà la stessa tensione ai suoi capi, il numero di maglie viene mantenuto e i circuiti sono del tutto equivalenti, ma è più facile vedere che ci sono due "partitori" ai lati su cui fare due Thevenin ottenendo così una sola maglia per calcolare la tensione su R5.
Questo considerando il fatto che mettere R5 all'interno del cirucito.
0
voti
boggiano ha scritto:Purtroppo, su carta, quest' esperienza mi manca!
Devi fare tanto esercizio.
-

PietroBaima
90,7k 7 12 13 - G.Master EY

- Messaggi: 12207
- Iscritto il: 12 ago 2012, 1:20
- Località: Londra
0
voti
Giustamente devi calcolare la tensione equivalente utilizzando i vari metodi fondamentali.
E devi esercitarti.
Se ti soffermi un attimo, il circuito da te allegato e' il cosiddetto ponte di Wheatstone (a livello topologico).
Per questo circuito, se approfondirai lo studio in tal senso (ci sono interi capitoli e monografie sull'argomento), la tensione equivalente vale:

Dalla quale si evince anche la condizione di bilanciamento del ponte.
Prova a sostituire i valori numerici.
E devi esercitarti.
Se ti soffermi un attimo, il circuito da te allegato e' il cosiddetto ponte di Wheatstone (a livello topologico).
Per questo circuito, se approfondirai lo studio in tal senso (ci sono interi capitoli e monografie sull'argomento), la tensione equivalente vale:

Dalla quale si evince anche la condizione di bilanciamento del ponte.
Prova a sostituire i valori numerici.
Il Conte di Montecristo
Se non studio un giorno, me ne accorgo io. Se non studio due giorni, se ne accorge il pubblico.
Io devo studiare sodo e preparare me stesso perché prima o poi verrà il mio momento.
Abraham Lincoln
Se non studio un giorno, me ne accorgo io. Se non studio due giorni, se ne accorge il pubblico.
Io devo studiare sodo e preparare me stesso perché prima o poi verrà il mio momento.
Abraham Lincoln
-

EdmondDantes
11,9k 8 11 13 - Disattivato su sua richiesta
- Messaggi: 3619
- Iscritto il: 25 lug 2009, 22:18
- Località: Marsiglia
25 messaggi
• Pagina 2 di 3 • 1, 2, 3
Torna a Elettrotecnica generale
Chi c’è in linea
Visitano il forum: Nessuno e 97 ospiti

Elettrotecnica e non solo (admin)
Un gatto tra gli elettroni (IsidoroKZ)
Esperienza e simulazioni (g.schgor)
Moleskine di un idraulico (RenzoDF)
Il Blog di ElectroYou (webmaster)
Idee microcontrollate (TardoFreak)
PICcoli grandi PICMicro (Paolino)
Il blog elettrico di carloc (carloc)
DirtEYblooog (dirtydeeds)
Di tutto... un po' (jordan20)
AK47 (lillo)
Esperienze elettroniche (marco438)
Telecomunicazioni musicali (clavicordo)
Automazione ed Elettronica (gustavo)
Direttive per la sicurezza (ErnestoCappelletti)
EYnfo dall'Alaska (mir)
Apriamo il quadro! (attilio)
H7-25 (asdf)
Passione Elettrica (massimob)
Elettroni a spasso (guidob)
Bloguerra (guerra)






pigreco]=π