dannywall ha scritto:... giusto? ...
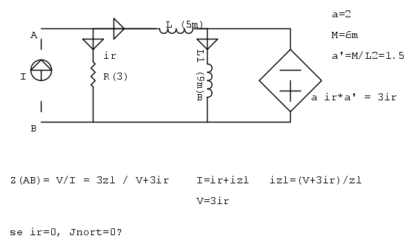
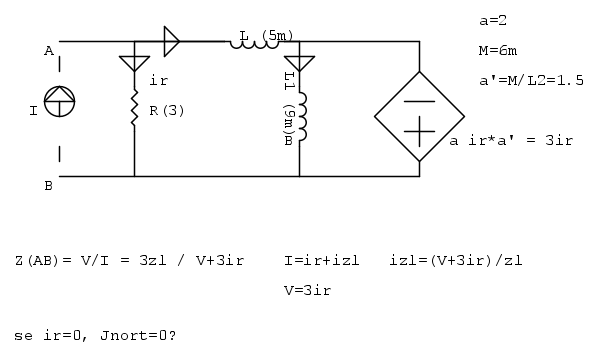
Premesso che se non posti lo schema nel quale specifichi a quali grandezze ti riferisci non posso di certo capire quello che scrivi, direi proprio di no.
Ad ogni modo, cercando di indovinare, ok per le prime tre relazioni, ma per la quarta direi

e di conseguenza le altre due.
dannywall ha scritto:... e il gen di corrente però come lo ricavo?
Ma se abbiamo detto che, rimosso il generatore dipendente dalla rete, la corrente
non può che essere nulla, quanto sarà la tensione a vuoto ai morsetti e di conseguenza la corrente del generatore equivalente di Norton? Oppure, equivalentemente, quanto varrà la corrente che attraversa un cortocircuito fra i morsetti.
BTW Usando l'editor LaTeX, non catturare una immagine delle relazioni, ma usa il codice, copiandolo dalla finestra dell'editor e inserendolo (come già detto) fra i tag tex.

Elettrotecnica e non solo (admin)
Un gatto tra gli elettroni (IsidoroKZ)
Esperienza e simulazioni (g.schgor)
Moleskine di un idraulico (RenzoDF)
Il Blog di ElectroYou (webmaster)
Idee microcontrollate (TardoFreak)
PICcoli grandi PICMicro (Paolino)
Il blog elettrico di carloc (carloc)
DirtEYblooog (dirtydeeds)
Di tutto... un po' (jordan20)
AK47 (lillo)
Esperienze elettroniche (marco438)
Telecomunicazioni musicali (clavicordo)
Automazione ed Elettronica (gustavo)
Direttive per la sicurezza (ErnestoCappelletti)
EYnfo dall'Alaska (mir)
Apriamo il quadro! (attilio)
H7-25 (asdf)
Passione Elettrica (massimob)
Elettroni a spasso (guidob)
Bloguerra (guerra)



