Grazie mille per le risposte e l'interessamento. Sono contento che proporzionalmente parlando ha ricevuto molte più visite di altri post.
Questo mio amico mi diceva "devi essere capace di rispondere come se davanti avessi un bambino". E in questo io gli ho dato ragione.
La risposta di Djnz certamente è molto esaustiva.
Mi si chiede però a che livello di astrazione stiamo parlando...
In realtà ragionare esclusivamente in termini di ass/pres di corrente, perché quando sono di fronte ad un qualsiasi apparecchio elettronico, partendo dal presupposto che ogni cosa lì dentro funziona esclusivamente attraverso assenza o presenza di corrente, allora ogni mia domanda è in riferimento a questo livello.
Tutto ciò che è fuori da questo sistema binario è esclusivamente opera artificiale dell'uomo, quindi lo escluso a priori.
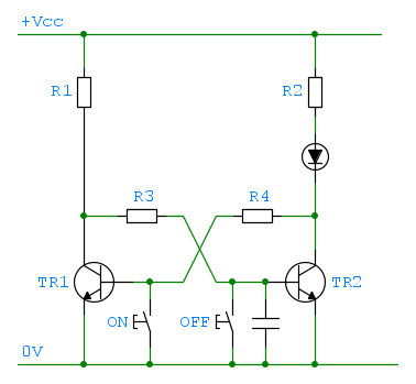
dai contatti/lamelle dei sistemi elettromeccanici (relé), alla persistenza magnetica (nuclei magnetici), ai latch elettronici (RAM statiche), alle cariche elettriche intrappolate in buche di potenziale (RAM dinamiche, EEPROM/FLASH).
Questa è una parte che approfondirò... perché io ancora non lo capisco come "memorizza".
Certo, è vero che la calcolatrice non conosce numeri, mi sono espresso male. Quando premo "7" la calcolatrice ragiona solo in termini di presenza e assenza di corrente. Questo ok.
Però che questo passaggio di corrente sia avvenuto o meno deve essere memorizzato... e qui dovrò approfondire un po', perché non lo capisco. Perché ok, memorizza nella ram, ma anche la ram va per assenza e presenza di corrente... dove e come rimane "impresso" quel "7"? Quel passaggio di corrente dove e come viene memorizzato.
Nella ROM ci sono le "informazioni" che non si devono mai cancellare, quindi le istruzioni del programma e i dati costanti. Nella RAM ci sono i dati di lavoro temporanei, la famose "variabili" dei linguaggi di programmazione. Poi in realtà la CPU dispone anche di registri interni più veloci della RAM, con cui svolgere le singole operazioni elementari sui dati di lavoro.
Ok esiste una ROM e una RAM. Io in C scrivo int a = "10" e con una serie di "assenze e presenza di corrente" viene memorizzato 10 nella RAM.
La corrente però va e viene continuamente. Non si ferma in un punto con una certa informazione.
Come mai quindi persista questa informazione nella RAM non arrivo a capirlo.
Anche la CPU ha dei registri interni... ok!
Il program counter contiene l'indirizzo dell'istruzione da eseguire... ok!
Tutta questa roba è però memorizzata! E quindi torniamo sempre lì: dove, ma soprattutto come, persistono?

Elettrotecnica e non solo (admin)
Un gatto tra gli elettroni (IsidoroKZ)
Esperienza e simulazioni (g.schgor)
Moleskine di un idraulico (RenzoDF)
Il Blog di ElectroYou (webmaster)
Idee microcontrollate (TardoFreak)
PICcoli grandi PICMicro (Paolino)
Il blog elettrico di carloc (carloc)
DirtEYblooog (dirtydeeds)
Di tutto... un po' (jordan20)
AK47 (lillo)
Esperienze elettroniche (marco438)
Telecomunicazioni musicali (clavicordo)
Automazione ed Elettronica (gustavo)
Direttive per la sicurezza (ErnestoCappelletti)
EYnfo dall'Alaska (mir)
Apriamo il quadro! (attilio)
H7-25 (asdf)
Passione Elettrica (massimob)
Elettroni a spasso (guidob)
Bloguerra (guerra)


