Cos'è ElectroYou | Login Iscriviti

ElectroYou - la comunità dei professionisti del mondo elettrico

Batterie al piombo ricaricate a tensione costante.

Circuiti, campi elettromagnetici e teoria delle linee di trasmissione e distribuzione dell’energia elettrica

Moderatori: Foto Utenteg.schgor, Foto UtenteIsidoroKZ

1
voti

[11] Re: Batterie al piombo ricaricate a tensione constante.

Messaggioda Foto UtenteMarcoD » 14 mag 2024, 9:10

Letto testo delle batterie Sonnenshein (raggio di sole ?)
2,3 V x 6 = 13,8 V tensione di carica e mantenimento a 20 °C.
+/- 30 mV / 2,3 = +/- 1,3 % una tolleranza stretta, servirebbe poter accedere alla tensione dei vari elementi( ora non più possibile) per scaricare quelli più carichi ed equiparare le tensioni. O_/
Avatar utente
Foto UtenteMarcoD
12,2k 5 9 13
Master EY
Master EY
 
Messaggi: 6696
Iscritto il: 9 lug 2015, 16:58
Località: Torino

3
voti

[12] Re: Batterie al piombo ricaricate a tensione constante.

Messaggioda Foto Utentestefanodelfiore » 14 mag 2024, 9:20

in ogni caso la carica a tensione costante (tampone) per le batterie ermetiche piombo-gel è una pratica comune e consigliata dai costruttori ad esempio Yuasa. Al link https://gsyuasa-es.com/Downloads/NP_Application_manual.pdf è il manuale applicativo per le Yuasa NP
Avatar utente
Foto Utentestefanodelfiore
1.673 3 8
Master
Master
 
Messaggi: 569
Iscritto il: 28 mar 2009, 20:15
Località: Bologna

1
voti

[13] Re: Batterie al piombo ricaricate a tensione constante.

Messaggioda Foto UtenteMarcoD » 14 mag 2024, 9:46

Grazie Stefano, il manuale è interessante.
Avatar utente
Foto UtenteMarcoD
12,2k 5 9 13
Master EY
Master EY
 
Messaggi: 6696
Iscritto il: 9 lug 2015, 16:58
Località: Torino

1
voti

[14] Re: Batterie al piombo ricaricate a tensione constante.

Messaggioda Foto Utenterichiurci » 14 mag 2024, 11:15

Secondo me non serve ragionare sugli impulsi, anche perché non sappiamo come è fatto l'alimentatore, e comunque una batteria in uscita livella quasi completamente l'eventuale ripple.

Quello che conta è la tensione massima a fine carica, basta misurare quella e magari anche vedere se e in quanto tempo supera i 14V, che secondo il data sheet fornito da Stefano è il massimo ammissibile.

Quindi io farei una carica monitorando la tensione, la corrente di carica sicuramente scende progressivamente a tensioni prossime a 14V e probabilmente basterebbe ricordarsi di staccare l'alimentatore dopo qualche ora e non lasciarlo attaccato giorni.

Riguardo il passaggio alle LiFeYPO4 (sconsiglierei altra chimica) la vedo dura: sono ottime batterie, ma dubito che queste auto abbiano circuiti di controllo in scarica decenti. Di solito, almeno quelle di anni fa, si fermano solo per scarica totale della batteria, ed è questo il fattore principale che limita la durata delle batterie, di QUALSIASI batteria.

Quindi secondo me varrebbe la pena passare al litio, più costoso, solo se si aggiunge uno stop elettronico a batteria scarica
Avatar utente
Foto Utenterichiurci
32,6k 7 11 13
G.Master EY
G.Master EY
 
Messaggi: 8801
Iscritto il: 2 apr 2013, 16:08

2
voti

[15] Re: Batterie al piombo ricaricate a tensione constante.

Messaggioda Foto Utentestefanopc » 14 mag 2024, 13:09

Le batterie con l'elettrolita immobilizzato al gel sono a tutti gli effetti molto delicate.
Basta una sola ricarica mal fatta per perdere buona parte della capacità.
Questo succede perché a fine carica si sviluppa il gas e lo stesso va a diminuire permanente la superficie di contatto tra piastra e gel.

Se poi si fa qualche scarica a fondo senza limitazioni di alcun tipo è facile capire che in breve tempo la batteria è da buttare.
Ciao
600 Elettra
Avatar utente
Foto Utentestefanopc
13,3k 5 9 13
Master EY
Master EY
 
Messaggi: 5567
Iscritto il: 4 ago 2020, 9:11

0
voti

[16] Re: Batterie al piombo ricaricate a tensione constante.

Messaggioda Foto Utentestardust79 » 14 mag 2024, 14:16

Devo fare delle misure con l'oscilloscopio ?
Avatar utente
Foto Utentestardust79
85 1 2 7
Stabilizzato
Stabilizzato
 
Messaggi: 330
Iscritto il: 24 dic 2013, 18:13

1
voti

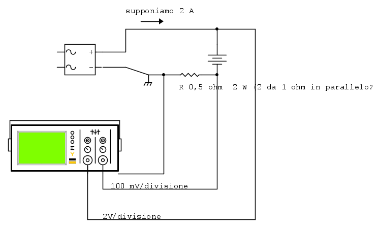
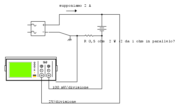
[17] Re: Batterie al piombo ricaricate a tensione constante.

Messaggioda Foto UtenteMarcoD » 15 mag 2024, 7:17

Se hai l'oscillo, puoi farle a scopo didattico. Ti ho inserito uno schema per la misura della corrente senza usare una connessione differenziale. Prova, pubblica e poi commentiamo :D
Avatar utente
Foto UtenteMarcoD
12,2k 5 9 13
Master EY
Master EY
 
Messaggi: 6696
Iscritto il: 9 lug 2015, 16:58
Località: Torino

Precedente

Torna a Elettrotecnica generale

Chi c’è in linea

Visitano il forum: Nessuno e 45 ospiti