volevo chiderele come si fa a risolvere questo es con tina..grazie
Software tina
Moderatori:
g.schgor,
IsidoroKZ
0
voti
[103] Re: Software tina
SIMIL ha scritto:si può utilizzare anche Thevenin in tina?
In che senso?
Se intendi usare Tina per ricavare i parametri del circuito equivalenti secondo Thevenin, si.
BTW per quanto riguarda la risoluzione del circuito oramai dovresti essere in grado di risolverlo autonomamente, non c'e' nulla di nuovo rispetto ai circuiti risolti precedentemente e, per allegerire il problema, ti consiglio di usare il circuito equivalente monofase, anche con Tina.
"Il circuito ha sempre ragione" (Luigi Malesani)
0
voti
[104] Re: Software tina
Ciao, è possibile avere risultati più accurati, cioè con più cifre dopo la virgola?? esempio:
facendo riferimento all'esempio: se "rms" o "amplitude" mi dovessero servire con 3 o 4 cifre decimali, come posso fare?
grazie..
facendo riferimento all'esempio: se "rms" o "amplitude" mi dovessero servire con 3 o 4 cifre decimali, come posso fare?
grazie..
0
voti
[105] Re: Software tina
Certo, basta settare il numero di cifre attraverso
Analysis -> Options -> Numeric precision
anche se non riesco a capire perche' ti possano servire risultati con piu' di 4 5 cifre significative
... posso saperne il motivo?
Analysis -> Options -> Numeric precision
anche se non riesco a capire perche' ti possano servire risultati con piu' di 4 5 cifre significative
... posso saperne il motivo?
"Il circuito ha sempre ragione" (Luigi Malesani)
0
voti
[106] Re: Software tina
Perfetto, grazie...mi serve una maggiore precisione,almeno con 3 cifre, per controllare,con Tina, se i risultati calcolati analiticamente son giusti.
Ora però mi si presenta questo problema:
in questo circuito
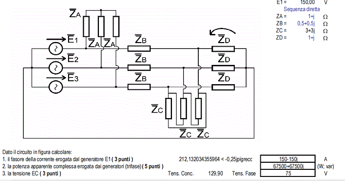
Dati: E=16V; R1=R2=R3=R4=2 Ohm; C=1F
Devo trovare la corrente AM1 al tempo T=0,24s (l'interruttore a T=0+ è chiuso, per cui a 0,24s si chiude)
Il risultato corretto deve essere 3,565A ma con Tina mi esce: 0,289!
Per trovare il risultato con Tina ho seguito i seguenti passi: Analysis-Transiet-ho selezionato la voce "use initial conditions"-ho impostato intervallo di tempo tra 0 e 1s-ecco il grafico:
...dove sbaglio?
Ora però mi si presenta questo problema:
in questo circuito
Dati: E=16V; R1=R2=R3=R4=2 Ohm; C=1F
Devo trovare la corrente AM1 al tempo T=0,24s (l'interruttore a T=0+ è chiuso, per cui a 0,24s si chiude)
Il risultato corretto deve essere 3,565A ma con Tina mi esce: 0,289!
Per trovare il risultato con Tina ho seguito i seguenti passi: Analysis-Transiet-ho selezionato la voce "use initial conditions"-ho impostato intervallo di tempo tra 0 e 1s-ecco il grafico:
...dove sbaglio?
0
voti
[108] Re: Software tina
sibg ha scritto:...dove sbaglio?
Mi sono reso conto che la risoluzione di un es simile è già presente al post N°78, quindi seguendo la spiegazione ho risolto.
0
voti
[109] Re: Software tina
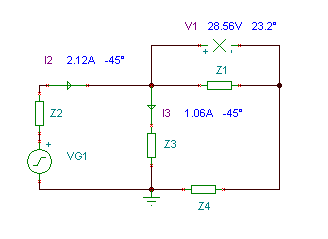
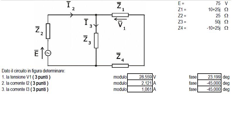
Risolto un problema ora mi si ripresenta il seguente:
Secondo lei E=75V è il valore efficace o reale? come imposto questo generatore in alternata se non ho ne fase ne frequenza?
Ho quindi pensato di: impostare il generatore "cosinusodial" con amplitude=75 , frequenza=50 e fase 0.. ma ecco il vero problema:
Casualmente ho provato a mettere, ma a caso, dei "ground"(massa a terra, penso) e si, non mi dava più errori ma i risultati non tornavano(ho provato anche ad ipotizzare che E=75V fosse il valore efficace e quindi l'ho moltiplicato per rad di 2 e il risultato l'ho messo sempre in amplitude, ma nulla!
)
Può cortesemente trovarmi una soluzione?grazie...
Secondo lei E=75V è il valore efficace o reale? come imposto questo generatore in alternata se non ho ne fase ne frequenza?
Ho quindi pensato di: impostare il generatore "cosinusodial" con amplitude=75 , frequenza=50 e fase 0.. ma ecco il vero problema:
Casualmente ho provato a mettere, ma a caso, dei "ground"(massa a terra, penso) e si, non mi dava più errori ma i risultati non tornavano(ho provato anche ad ipotizzare che E=75V fosse il valore efficace e quindi l'ho moltiplicato per rad di 2 e il risultato l'ho messo sempre in amplitude, ma nulla!
Può cortesemente trovarmi una soluzione?grazie...
0
voti
[110] Re: Software tina
Se il generatore ti viene fornito in quel modo, non puo' voler dire che e' da assumere a fase zero, ovvero che il fasore E ha solo componente reale, e quindi 75 per ampiezza e 0 per la fase; la frequenza in questo caso non influisce e puo' essere impostata su qualsiasi valore, in quanto le impedenze sono gia' imposte.
Ad ogni modo, usare un generatore sinusoidale o cosinusoidale dipende dalla base di riferimento, ovvero dal settaggio impostato sotto View -> Options -> Base function for AC, che di default e' cosinusoidale ma che io, "per tradizione italica", preferisco settare su sinusoidale.
La simulazione non mi da comunque problemi, e i risultati corrispondono a quelli del testo.
BTW una massa di riferimento e' sempre consigliabile!
Ad ogni modo, usare un generatore sinusoidale o cosinusoidale dipende dalla base di riferimento, ovvero dal settaggio impostato sotto View -> Options -> Base function for AC, che di default e' cosinusoidale ma che io, "per tradizione italica", preferisco settare su sinusoidale.
La simulazione non mi da comunque problemi, e i risultati corrispondono a quelli del testo.
BTW una massa di riferimento e' sempre consigliabile!
"Il circuito ha sempre ragione" (Luigi Malesani)
Torna a Elettrotecnica generale
Chi c’è in linea
Visitano il forum: Nessuno e 25 ospiti

Elettrotecnica e non solo (admin)
Un gatto tra gli elettroni (IsidoroKZ)
Esperienza e simulazioni (g.schgor)
Moleskine di un idraulico (RenzoDF)
Il Blog di ElectroYou (webmaster)
Idee microcontrollate (TardoFreak)
PICcoli grandi PICMicro (Paolino)
Il blog elettrico di carloc (carloc)
DirtEYblooog (dirtydeeds)
Di tutto... un po' (jordan20)
AK47 (lillo)
Esperienze elettroniche (marco438)
Telecomunicazioni musicali (clavicordo)
Automazione ed Elettronica (gustavo)
Direttive per la sicurezza (ErnestoCappelletti)
EYnfo dall'Alaska (mir)
Apriamo il quadro! (attilio)
H7-25 (asdf)
Passione Elettrica (massimob)
Elettroni a spasso (guidob)
Bloguerra (guerra)


