Cos'è ElectroYou | Login Iscriviti

ElectroYou - la comunità dei professionisti del mondo elettrico

Equivalente di Thevenin

Circuiti, campi elettromagnetici e teoria delle linee di trasmissione e distribuzione dell’energia elettrica

Moderatori: Foto Utenteg.schgor, Foto UtenteIsidoroKZ

0
voti

[111] Re: Equivalente di Thevenin

Messaggioda Foto UtentePietroBaima » 24 ott 2012, 22:39

Vicar1992 ha scritto:Ma essendoci i due cavi senza resistente, la corrente passa dove c'è meno resistenza quindi nel pezzo dove c'è la R non passa, o mi sbaglio io?


Sì, ti sbagli. Non pensare in questi termini perché il ragionamento che fai è profondamente errato.
In ogni caso siamo all'inizio, quindi...
Non dimenticarti di considerare cosa deve succedere perché due resistenze siano in parallelo o in serie.
Con l'esperienza imparerai ad avere più occhio.

Chi si vuole aggiungere a proporre reti per le quali calcolare equivalenti, per ora solo a scala?
Generatore codice per articoli:
nomi
Sul forum:
[pigreco]=π
[ohm]=Ω
[quadrato]=²
[cubo]=³
Avatar utente
Foto UtentePietroBaima
90,7k 7 12 13
G.Master EY
G.Master EY
 
Messaggi: 12206
Iscritto il: 12 ago 2012, 1:20
Località: Londra

0
voti

[112] Re: Equivalente di Thevenin

Messaggioda Foto UtenteVicar1992 » 24 ott 2012, 22:44

Ah bene sono contento ehhh, ma quella come posso fare?
Non trovo tensioni uguali! A parte tra i cortocircuiti che ovviamente ci sono però non riesco ad arrivare ad una soluzione .
Avatar utente
Foto UtenteVicar1992
37 4
New entry
New entry
 
Messaggi: 81
Iscritto il: 23 ott 2012, 17:28

0
voti

[113] Re: Equivalente di Thevenin

Messaggioda Foto UtentePietroBaima » 24 ott 2012, 22:49

Vicar1992 ha scritto:Ah bene sono contento ehhh, ma quella come posso fare?
Non trovo tensioni uguali! A parte tra i cortocircuiti che ovviamente ci sono però non riesco ad arrivare ad una soluzione .


parti dalle resistenze che ti ho evidenziato con la linea tratteggiata.
Solita domanda: sono in serie? sono in parallelo?

Generatore codice per articoli:
nomi
Sul forum:
[pigreco]=π
[ohm]=Ω
[quadrato]=²
[cubo]=³
Avatar utente
Foto UtentePietroBaima
90,7k 7 12 13
G.Master EY
G.Master EY
 
Messaggi: 12206
Iscritto il: 12 ago 2012, 1:20
Località: Londra

0
voti

[114] Re: Equivalente di Thevenin

Messaggioda Foto UtenteVicar1992 » 24 ott 2012, 22:52

Ma anche le prime due sono in parallelo, giusto? Io avevo trovato questi due paralleli.

Avatar utente
Foto UtenteVicar1992
37 4
New entry
New entry
 
Messaggi: 81
Iscritto il: 23 ott 2012, 17:28

0
voti

[115] Re: Equivalente di Thevenin

Messaggioda Foto UtentePietroBaima » 24 ott 2012, 22:54

Vicar1992 ha scritto:Ma anche le prime due sono in parallelo, giusto? Io avevo trovato questi due paralleli.


certo, nessuno ti obbliga a partire dalla mia ipotesi.
Come per ogni problema non esiste certo una unica via di risoluzione.

Se le resistenze sono in parallelo, non ce ne sarà nessuna attraverso la quale passerà corrente nulla.

Ora procedi.
Generatore codice per articoli:
nomi
Sul forum:
[pigreco]=π
[ohm]=Ω
[quadrato]=²
[cubo]=³
Avatar utente
Foto UtentePietroBaima
90,7k 7 12 13
G.Master EY
G.Master EY
 
Messaggi: 12206
Iscritto il: 12 ago 2012, 1:20
Località: Londra

0
voti

[116] Re: Equivalente di Thevenin

Messaggioda Foto UtenteVicar1992 » 24 ott 2012, 22:57

Allora il mio ragionamento era corretto.

quindi:


E ora il parallelo tra resistenza e cortocircuito abbiamo detto precedentemente che da un corto circuito quindi la risposta è R/2.
Avatar utente
Foto UtenteVicar1992
37 4
New entry
New entry
 
Messaggi: 81
Iscritto il: 23 ott 2012, 17:28

0
voti

[117] Re: Equivalente di Thevenin

Messaggioda Foto UtentePietroBaima » 24 ott 2012, 22:59

Vicar1992 ha scritto:Allora il mio ragionamento era corretto.

E ora il parallelo tra resistenza e cortocircuito abbiamo detto precedentemente che da un corto circuito quindi la risposta è R/2.


Mi sa che devi pensarci ancora un po'.
Se le resistenze che ti ho cerchiato (per esempio) sono in parallelo, con cosa le sostituisci?
Generatore codice per articoli:
nomi
Sul forum:
[pigreco]=π
[ohm]=Ω
[quadrato]=²
[cubo]=³
Avatar utente
Foto UtentePietroBaima
90,7k 7 12 13
G.Master EY
G.Master EY
 
Messaggi: 12206
Iscritto il: 12 ago 2012, 1:20
Località: Londra

0
voti

[118] Re: Equivalente di Thevenin

Messaggioda Foto UtenteVicar1992 » 24 ott 2012, 23:01

Con una resistenza di valore R. poi c'è il parallelo con l'altra resistenza di valore R. no?
Avatar utente
Foto UtenteVicar1992
37 4
New entry
New entry
 
Messaggi: 81
Iscritto il: 23 ott 2012, 17:28

0
voti

[119] Re: Equivalente di Thevenin

Messaggioda Foto UtentePietroBaima » 24 ott 2012, 23:02

Vicar1992 ha scritto:Con una resistenza di valore R. poi c'è il parallelo con l'altra resistenza di valore R. no?


Generatore codice per articoli:
nomi
Sul forum:
[pigreco]=π
[ohm]=Ω
[quadrato]=²
[cubo]=³
Avatar utente
Foto UtentePietroBaima
90,7k 7 12 13
G.Master EY
G.Master EY
 
Messaggi: 12206
Iscritto il: 12 ago 2012, 1:20
Località: Londra

0
voti

[120] Re: Equivalente di Thevenin

Messaggioda Foto UtenteVicar1992 » 24 ott 2012, 23:05

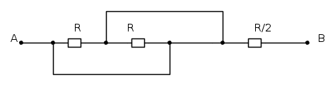
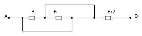
benissimo quindi dopo sostiuisco con una di valore R/2 come nel disegno.

A quel punto la resistenza ha ddp zero. quindi rimane l'unica resistenza a destra. Giusto?
Avatar utente
Foto UtenteVicar1992
37 4
New entry
New entry
 
Messaggi: 81
Iscritto il: 23 ott 2012, 17:28

PrecedenteProssimo

Torna a Elettrotecnica generale

Chi c’è in linea

Visitano il forum: Nessuno e 10 ospiti