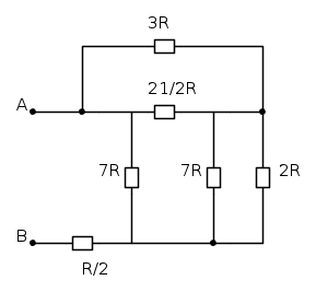
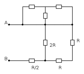
Vicar1992 ha scritto:(Comunque devo dire che mi state facendo diventare un elettrotecnico, i circuiti nell'esame sono 100volte meno complessi, devo prendere un gran voto in questa prova (grazie a voi))
Dai dai , che se prendi 30 lo mettiamo nella pubblicità del sito:
Con EY la tua media all'università potrebbe anche raddoppiare, se non si assesta a 30 prima...
(dite che è troppo?)

Elettrotecnica e non solo (admin)
Un gatto tra gli elettroni (IsidoroKZ)
Esperienza e simulazioni (g.schgor)
Moleskine di un idraulico (RenzoDF)
Il Blog di ElectroYou (webmaster)
Idee microcontrollate (TardoFreak)
PICcoli grandi PICMicro (Paolino)
Il blog elettrico di carloc (carloc)
DirtEYblooog (dirtydeeds)
Di tutto... un po' (jordan20)
AK47 (lillo)
Esperienze elettroniche (marco438)
Telecomunicazioni musicali (clavicordo)
Automazione ed Elettronica (gustavo)
Direttive per la sicurezza (ErnestoCappelletti)
EYnfo dall'Alaska (mir)
Apriamo il quadro! (attilio)
H7-25 (asdf)
Passione Elettrica (massimob)
Elettroni a spasso (guidob)
Bloguerra (guerra)
pigreco]=π






